>┊
首页 | 最新需求 | 最新现货 | IC库存 | 供应商 | IC英文资料库 | IC中文资料库 | IC价格 | 电路图 | 应用资料 | 技术资料
 IC型号: 
您现在的位置:首页 >  IC英文资料库 进入手机版 
 
资料编号:1095896
 
资料名称:MB81E161622- 12
 
文件大小: 524901K
   
说明
 
介绍:
Consumer FCRAM
 
 


: 点此下载
 
1
浏览型号MB81E161622- 12的Datasheet PDF文件第2页
2
浏览型号MB81E161622- 12的Datasheet PDF文件第3页
3
浏览型号MB81E161622- 12的Datasheet PDF文件第4页
4
浏览型号MB81E161622- 12的Datasheet PDF文件第5页
5
浏览型号MB81E161622- 12的Datasheet PDF文件第6页
6
浏览型号MB81E161622- 12的Datasheet PDF文件第7页
7
浏览型号MB81E161622- 12的Datasheet PDF文件第8页
8
浏览型号MB81E161622- 12的Datasheet PDF文件第9页
9
 
本平台电子爱好着纯手工中文简译:截至2020/5/17日,支持英文词汇500个
ds05-11403-2e
富士通 半导体
数据set
记忆
CMOS
2
×
××
×
512 k
×
××
×
16 有点
单独 数据 费率 我/f fcram
tm
消费者
/
嵌入式 应用程序 具体 记忆
mb81e161622-10/-12
cmos 2-银行
×
××
×
524,288-字
×
××
×
16 有点
■■
描述
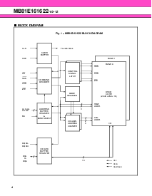
这 富士通 mb81e161622 是 一个 快 循环 随机 访问权限 记忆 (fcram*) 包含 16,777,216 记忆
细胞 无障碍 入点 一个 16-有点 格式. 这 mb81e161622 特点 一个 完全 同步 操作 引用 至 一个
正 边缘 时钟, 由此 全部 运营 是 已同步 在 一个 时钟 输入 哪个 启用 高 业绩
和 简单 用户 接口 coexistence.
这 mb81e161622 是 已利用 使用 一个 富士通 高级 fcram 核心 技术 和 设计 至 改善 这
随机 访问权限 业绩 和 这 复杂性 的 控制 常规 同步 dram (sdram) 哪个 需要
许多 等待 州 到期 至 长 延迟 约束条件.
这 mb81e161622 是 理想情况下 适合 用于 各种 嵌入式/消费者 应用程序 包括 数字 avs, 打印机
和 文件 存储 在哪里 一个 大型 乐队 宽度 记忆 是 需要.
* : fcram 是 一个 商标 的 富士通 有限, 日本.
■■
产品 阵容
参数
MB81E161622
-10 -12
时钟 频率 @cl
=
2 100 mhz 最大值 84 mhz 最大值
突发 模式 循环 时间
cl
=
1 15 ns 最小 20 ns 最小
cl
=
2 10 ns 最小 12 ns 最小
访问权限 时间 从 时钟
cl
=
1 10 ns 最大值 14 ns 最大值
cl
=
2 6 ns 最大值 7 ns 最大值
ras
循环 时间 30 ns 最小 36 ns 最小
操作 电流 (我
CC1
) 130 ma 最大值 120 ma 最大值
电源 向下 模式 电流 (我
CC2P
) 0.6 ma 最大值
自刷新 电流 (我
CC6
) 0.6 ma 最大值
资料评论区:
点击回复标题作者最后回复时间

标 题:
内 容:
用户名:
手机号:    (*未登录用户需填写手机号,手机号不公开,可用于网站积分.)
      
关于我们 | 联系我们
电    话13410210660             QQ : 84325569   点击这里与集成电路资料查询网联系
联系方式: E-mail:CaiZH01@163.com