>┊
首页 | 最新需求 | 最新现货 | IC库存 | 供应商 | IC英文资料库 | IC中文资料库 | IC价格 | 电路图 | 应用资料 | 技术资料
 IC型号: 
您现在的位置:首页 >  IC英文资料库 进入手机版 
 
资料编号:1096986
 
资料名称:XC6372A501PR
 
文件大小: 238438K
   
说明
 
介绍:
SMPS Controller
 
 


: 点此下载
 
1
浏览型号XC6372A501PR的Datasheet PDF文件第2页
2
浏览型号XC6372A501PR的Datasheet PDF文件第3页
3
浏览型号XC6372A501PR的Datasheet PDF文件第4页
4
浏览型号XC6372A501PR的Datasheet PDF文件第5页
5
浏览型号XC6372A501PR的Datasheet PDF文件第6页
6
浏览型号XC6372A501PR的Datasheet PDF文件第7页
7
浏览型号XC6372A501PR的Datasheet PDF文件第8页
8
浏览型号XC6372A501PR的Datasheet PDF文件第9页
9
 
本平台电子爱好着纯手工中文简译:截至2020/5/17日,支持英文词汇500个
451
4
cmos 低 电源 消费
操作 电压 : 0.9v~10.0v
输出 电压 范围 : 2.0v~7.0v
输出 电压 准确度 :
±
2.5%
可选择 振荡器 频率
: 50khz, 100khz,
180kHz
这 xc6372 系列, 不像 这 常规 pwm 受控 转换器,
是 一个 集团 的 升压 直流/直流 转换器 那 自动 变更 他们的
操作 模式 进入 pfm 模式 同时 荷载 是 灯光, 这样的 作为 当
这 职责 比率 是 较少 比 10%.
当 荷载 是 灯光, 作为 入点 这 备用 模式, 这 xc6372 变更 至
pfm 控制 所以 作为 至 减少 振荡器 频率, 结果 入点
减少 供应 电流.
因此, 这 xc6372 是 适合 用于 使用 与 便携式 设备 那
需要 这 pwm 受控 业绩 的 低 波纹 和 高 输出
电流, 和 一个 供应 电流 那 变化 之间 低 和 高. 内置
专有 相位 补偿 和 软 启动 电路 确保
优秀 瞬态 响应 和 改进 业绩.
(准确度: ±2.5%). 振荡器 频率 是 也 可选择 从 三个
频率; 50, 100, 和 180khz (准确度: ±15%).
每 内置 开关 晶体管 类型 启用 一个 升压 电路 至 是
已配置 使用 仅 三个 外部 组件; 一个 线圈, 一个 二极管, 和 一个
电容器. 外部 晶体管 版本 是 可用 至 容纳
高 输出 电流 应用程序.
sot-89 小 包装.
操作 (开始-向上) 电压 范围
: 0.9v~10v
输出 电压 范围
: 2.0v~7.0v 入点 0.1v 增量
高度 准确
: 设置 电压 ±2.5%
振荡器 频率
: 50khz, 100khz, 180khz (±15%)
可选择
最大值 输出 电流 (tr 已建成-入点)
: 典型值.100ma @ v
入点
=3.0,
v
出点
=5.0v....备注(1)
高度 高效 (tr 已建成-入点)
: 典型值.85% @ v
入点
=3.0v,
v
出点
=5.0v.....备注(1)
两者都有 开关 晶体管 内置 和 外部 tr 类型 是
可用.
五个-铅 已打包 单位 报价 要么 芯片 启用 或
独立 v
出点
管脚 选项.
相位 补偿 和 软 启动 电路 包括.
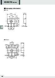
小 包装
: sot-89 迷你-电源 模具 (3-管脚, 5-管脚)
备注(1): 业绩 取决于 开启 外部 组件 和
pcb 布局.
细胞 电话, 寻呼机
掌上电脑
摄像头, 视频 记录器
便携式 设备
资料评论区:
点击回复标题作者最后回复时间

标 题:
内 容:
用户名:
手机号:    (*未登录用户需填写手机号,手机号不公开,可用于网站积分.)
      
关于我们 | 联系我们
电    话13410210660             QQ : 84325569   点击这里与集成电路资料查询网联系
联系方式: E-mail:CaiZH01@163.com