>┊
首页 | 最新需求 | 最新现货 | IC库存 | 供应商 | IC英文资料库 | IC中文资料库 | IC价格 | 电路图 | 应用资料 | 技术资料
 IC型号: 
您现在的位置:首页 >  IC英文资料库 进入手机版 
 
资料编号:1097647
 
资料名称:mega16/mega16L
 
文件大小: 2919116K
   
说明
 
介绍:
mega16/mega16L 官方中文PDF 官方翻译,330页
 
 


: 点此下载
 
1
浏览型号mega16/mega16L的Datasheet PDF文件第2页
2
浏览型号mega16/mega16L的Datasheet PDF文件第3页
3
浏览型号mega16/mega16L的Datasheet PDF文件第4页
4
浏览型号mega16/mega16L的Datasheet PDF文件第5页
5
浏览型号mega16/mega16L的Datasheet PDF文件第6页
6
浏览型号mega16/mega16L的Datasheet PDF文件第7页
7
浏览型号mega16/mega16L的Datasheet PDF文件第8页
8
浏览型号mega16/mega16L的Datasheet PDF文件第9页
9
 
本平台电子爱好着纯手工中文简译:截至2020/5/17日,支持英文词汇500个
2466g–avr–10/03
产品特性
高性能、低功耗的
8
av
®
微处理器
先进的
RISC
结构
131
条指令
大多数指令执行时间为单个时钟周期
–32
8
位通用工作寄存器
全静态工作
工作于
16 mhz
时性能高达
16 mips
只需两个时钟周期的硬件乘法器
非易失性程序和数据存储器
16K
字节的系统内可编程
闪光灯
擦写寿命
: 10,000
具有独立锁定位的可选
引导
代码区
通过片上
引导
程序实现系统内编程
真正的同时读写操作
512
字节的
可擦可编程只读存储器
擦写寿命
: 100,000
–1K
字节的片内
SRAM
可以对锁定位进行编程以实现用户程序的加密
JTAG
接口
(
ieee 1149.1
标准兼容
)
符合
JTAG
标准的边界扫描功能
支持扩展的片内调试功能
通过
JTAG
接口实现对
闪光灯
可擦可编程只读存储器
、熔丝位和锁定位的编程
外设特点
两个具有独立预分频器和比较器功能的
8
位定时器 / 计数器
一个具有预分频器、比较功能和捕捉功能的
16
位定时器 / 计数器
具有独立振荡器的实时计数器
RTC
四通道
pwm
–8
10
adc
8
个单端通道
TQFP
封装的
7
个差分通道
2
个具有可编程增益
1x, 10x,
200x
)的差分通道
面向字节的两线接口
两个可编程的串行
usart
可工作于主机 / 从机模式的
SPI
串行接口
具有独立片内振荡器的可编程看门狗定时器
片内模拟比较器
特殊的处理器特点
上电复位以及可编程的掉电检测
片内经过标定的
rc
振荡器
片内 / 片外中断源
–6
种睡眠模式
:
空闲模式、
adc
噪声抑制模式、省电模式、掉电模式、
备用
模式以及
扩展的
备用
模式
我/o
和封装
32
个可编程的
我/o
–40
引脚
PDIP
封装
, 44
引脚
TQFP
封装
,
44
引脚
MLF
封装
工作电压
:
ATmega16L
2.7 - 5.5v
–ATmega16
速度等级
0 - 8 mhz atmega16l
0 - 16 mhz
me?g一个16
me?g一个16l
1 mhz, 3v, 25
°
c
时的功耗
正常模式
空闲模式
: 0.35 ma
掉电模式
: &指示灯; 1 µa
具有
16KB
系统
内可编程
闪光灯
8
微控制器
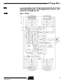
ATmega16
ATmega16L
本文是英文数据手册的中文
翻译,其目的是方便中国用
户的阅读。它无法自动跟随
原稿的更新,同时也可能存
在翻译上的错误。读者应该
以英文原稿为参考以获得更
准确的信息。
资料评论区:
点击回复标题作者最后回复时间

标 题:
内 容:
用户名:
手机号:    (*未登录用户需填写手机号,手机号不公开,可用于网站积分.)
      
关于我们 | 联系我们
电    话13410210660             QQ : 84325569   点击这里与集成电路资料查询网联系
联系方式: E-mail:CaiZH01@163.com