>┊
首页 | 最新需求 | 最新现货 | IC库存 | 供应商 | IC英文资料库 | IC中文资料库 | IC价格 | 电路图 | 应用资料 | 技术资料
 IC型号: 
您现在的位置:首页 >  IC英文资料库 进入手机版 
 
资料编号:1107859
 
资料名称:MAX2335
 
文件大小: 210K
   
说明
 
介绍:
450MHz CDMA/OFDM LNA/混频器
 
 


: 点此下载
 
1
浏览型号MAX2335的Datasheet PDF文件第2页
2
浏览型号MAX2335的Datasheet PDF文件第3页
3
浏览型号MAX2335的Datasheet PDF文件第4页
4
浏览型号MAX2335的Datasheet PDF文件第5页
5
浏览型号MAX2335的Datasheet PDF文件第6页
6
浏览型号MAX2335的Datasheet PDF文件第7页
7
 
本平台电子爱好着纯手工中文简译:截至2020/5/17日,支持英文词汇500个
概述 描述
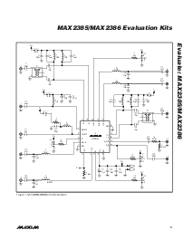
这 max2385/max2386 评价 套件 (电动汽车 套件) 简单-
fy 评价 的 这 max2385/max2386. 这 电动汽车 套件
允许 这 评价 的 这 cdma 和 gps 低噪声
放大器 (lna), 作为 井 作为 这 cdma 和 gps 向下-
变频器 搅拌机, 无 这 使用 的 任何 附加 sup-
港口 电路. 这 信号 输入 和 产出 使用 sma
连接器 至 简化 这 连接 的 rf 测试一下 设备-
门特.
这 max2385/max2386 电动汽车 套件 是 已装配 与 一个
关联的 集成电路 和 合并 输入 和 输出 匹配-
832mhz 至 870mhz 和 一个 如果 频率 的 110mhz.
特点
+2.7v 至 +3.6v 操作
50
sma 输入 和 产出 开启 rf, 如果, 和 lo
端口 用于 容易 测试
全部 匹配 组件 包括
完全 已装配 和 已测试
评估: max2385/max2386
max2385/max2386 评价 套件
________________________________________________________________
马克西姆 综合 产品
1
名称 数量 描述
C27 1
22
µ
f
±
10% 钽 电容器,
c 案例
avx tajc226k016
C28 1
1.8pf
±
0.1pf 陶瓷 电容器
(0402)
村田 grm36cog1r8b050a
j1, j2, j3, j5,
j9, j11, j12
7
sma 边缘 坐骑
efjohnson 142-0701-801
j4, j7, j10 3
sma pc 坐骑
efjohnson 142-0701-201
ju1, ju2,
ju3, ju8
4
1
2 标题 (0.1in 中心)
数字-钥匙 s1012-36-钕
JU4–JU7 4
1
3 标题 (0.1in 中心)
数字-钥匙 s1012-36-钕
JU1–JU9 9
分流
数字-钥匙 s9000-钕
l2, l3, l10,
L11
4
180nh 5% 电感器
toko 1608-fsr18j
L4 1
2.7nh
±
0.3nh 电感器
toko 1608-fs2n7s
l5, l6 2
5.6nh
±
0.3nh 电感器
toko 1608-fs5n6s
L7 1
22nH
±
2% 电感器
村田 lqw1608a22ng00
L8 1
3.9nh
±
0.3nh 电感器
toko 1608 fs3n9s
组件 列表
订购 信息
19-2205; rev 0; 10/01
用于 定价, 交货, 和 订购 信息, 请 联系人 马克西姆/达拉斯市 direct!
1-888-629-4642, 或 参观 马克西姆’s 网站 在 www.马克西姆-集成电路.com.
ucsp 是 一个 商标 的 马克西姆 综合 产品, 公司
零件 温度 范围 集成电路 包装
MAX2385
EVKIT -40
°
c 至 +85
°
C5
4 ucsp
MAX2386
EVKIT -40
°
c 至 +85
°
C5
4 ucsp
名称 数量 描述
c1, c42 2
1000pF
±
10% 陶瓷 电容器
(0402)
村田 grm36x7r102k050a
c3, c4, c39,
C40
4
7.0pf
±
0.1pf 陶瓷 电容器
(0402)
村田 grm36cog070b050a
c5, c6, c13,
c37, c38
5
0.5pf
±
0.1pf 陶瓷 电容器
(0402)
村田 grm36cog0r5b050a
c7, c8, c22,
c24, c30,
c34, c35
7
100pF
±
5% 陶瓷 电容器
(0402)
村田 grm36cog101j050a
c9, c26 2
0.01
µ
f 10% 陶瓷 电容器
(0402)
村田 grm36x7r103k016a
C12 1
3.0pf
±
0.1pf 陶瓷 电容器
(0402)
村田 grm36cog030b050a
c16, c23,
c29, c33
4
6.8nf
±
10% 陶瓷 电容器
村田 grm36cog682b050a
C19 1
2.2pf
±
0.1pf 陶瓷 电容器
(0402)
村田 grm36cog2r2b050a
c25, c32 2
2.0pf
±
0.1pf 陶瓷 电容器
村田 grm36cog020b050a
资料评论区:
点击回复标题作者最后回复时间

标 题:
内 容:
用户名:
手机号:    (*未登录用户需填写手机号,手机号不公开,可用于网站积分.)
      
关于我们 | 联系我们
电    话13410210660             QQ : 84325569   点击这里与集成电路资料查询网联系
联系方式: E-mail:CaiZH01@163.com