>┊
首页 | 最新需求 | 最新现货 | IC库存 | 供应商 | IC英文资料库 | IC中文资料库 | IC价格 | 电路图 | 应用资料 | 技术资料
 IC型号: 
您现在的位置:首页 >  IC英文资料库 进入手机版 
 
资料编号:1116429
 
资料名称:TMS320F2810
 
文件大小: 335K
   
说明
 
介绍:
具有闪存的 32 位数字信号控制器
 
 


: 点此下载
 
1
浏览型号TMS320F2810的Datasheet PDF文件第2页
2
浏览型号TMS320F2810的Datasheet PDF文件第3页
3
浏览型号TMS320F2810的Datasheet PDF文件第4页
4
浏览型号TMS320F2810的Datasheet PDF文件第5页
5
浏览型号TMS320F2810的Datasheet PDF文件第6页
6
浏览型号TMS320F2810的Datasheet PDF文件第7页
7
浏览型号TMS320F2810的Datasheet PDF文件第8页
8
浏览型号TMS320F2810的Datasheet PDF文件第9页
9
 
本平台电子爱好着纯手工中文简译:截至2020/5/17日,支持英文词汇500个

      
SGLS137B−九月 2002 − 修订 九月 2004
1
post 办公室 框 655303
达拉斯市, 德州 75265
资质 入点 符合 与
aec-q100
合格 用于 汽车 应用程序
客户特定 配置 控制
可以 是 支持 沿 与
专业-变更 批准
esd 保护 超过 2000 v 按
密耳-标准-883, 方法 3015; 超过 200 v
使用 机器 型号 (c = 200 pf, 右 = 0)
调制 方案 优化 至 操作
无 一个 过滤器
极其 高效 第三 世代 5-v
类-d 技术:
− 低-供应 电流 (否 过滤器) ...4 ma
− 低-供应 电流 (过滤器) . . . 7.5 ma
− 低-停机 电流 . . . 0.05
µ
一个
− 低噪声 地板 ...40
µ
v
rms
(否-加权 过滤器)
− 最大值 效率 进入 8
, 75 − 85 %
− 4 内部 增益 设置
− pssr . . . −77 db
联系人 德州 仪器仪表 用于 详细信息. q100 资质 数据
可用 开启 请求.
4 mm
×
4 mm microstar
junior bga 和
tssop 包装 选项
2 w 进入 一个 4-
扬声器 (thd+n
&指示灯;
1%)
&指示灯;
0.2% thd+n 在 1.5 w, 1 khz, 进入 一个 4-
荷载
综合 depop 电路
短路 保护 (短 至 蓄电池,
接地, 和 荷载)
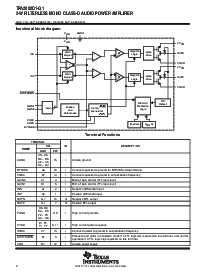
描述
这 tpa2000d1 是 一个 2-w 单声道 桥梁绑扎荷载 (btl) 类-d 放大器 设计 至 驱动器 一个 扬声器 与 在
最小 4-
阻抗. 这 放大器 用途 德州 仪器仪表 第三 世代 调制 技术, 哪个
结果 入点改进 效率 和 snr. 它 也 允许 这 设备 至 是 已连接 直接 至 这 扬声器 无
这 使用 的 这 lc 输出 过滤器 通常 关联的 与 类-d 放大器 (这个 结果 入点 emi 哪个 必须 是
屏蔽 在这 系统 水平). 这些 特点 制造 这 设备 理想 用于 使用 入点 设备 在哪里 高 效率 是
需要 至 扩展 蓄电池 运行 时间.
这 增益 的 这 放大器 是 受控 由 两个 输入 接线端子, gain1 和 gain0. 这个 允许 这 放大器 至 是
已配置用于 一个 增益 的 6, 12, 18, 和 23.5 db. 这 dif铁电位 输入 接线端子 是 高阻抗 cmos 输入
和 可以 是 已使用 作为 求和 节点.
这 类-d btl 放大器 包括 depop 电路 至 减少 这 金额 的 turnon 流行音乐 在 电源 向上 和 当
骑自行车 停机
.
这 tpa2000d1 是 可用 入点 这 16-管脚 tssop 和 microstar
junior bga 软件包 那 驱动器 2 w 的
连续 输出 电源 进入 一个 4-
荷载. 这 tpa2000d1t 操作 结束 一个 环境 温度 范围 的
−40
°
c 至 105
°
c.
订购 信息
t
一个
包装
可订购
零件 号码
顶侧
标记
−40
°
c 至 105
°
c tssop (pw) 胶带 和 卷轴 TPA2000D1TPWRQ1 20001T
包装图纸, 标准 填料 工程量, 热 数据, 符号化, 和 pcb 设计 准则
是 可用 在 www.ti.com/sc/包装.
版权
2002 − 2004, 德州 仪器仪表 股份公司
        
         
       
   
请 是 意识到 那 一个 重要 通知 关于 可用能力, 标准 保修, 和 使用 入点 关键 应用程序 的
德州 仪器仪表 半导体 产品 和 免责声明 对此 出现 在 这 结束 的 这个 数据 工作表.
1
2
3
4
5
6
7
8
16
15
14
13
12
11
10
9
inp
INN
停机
GAIN0
GAIN1
PV
dd
outp
PGND
旁路
AGND
COSC
ROSC
v
dd
PV
dd
OUTN
PGND
pw 包装
(顶部 查看)
microstar 是 一个 商标 的 德州 仪器仪表.
资料评论区:
点击回复标题作者最后回复时间

标 题:
内 容:
用户名:
手机号:    (*未登录用户需填写手机号,手机号不公开,可用于网站积分.)
      
关于我们 | 联系我们
电    话13410210660             QQ : 84325569   点击这里与集成电路资料查询网联系
联系方式: E-mail:CaiZH01@163.com