>┊
首页 | 最新需求 | 最新现货 | IC库存 | 供应商 | IC英文资料库 | IC中文资料库 | IC价格 | 电路图 | 应用资料 | 技术资料
 IC型号: 
您现在的位置:首页 >  IC英文资料库 进入手机版 
 
资料编号:1116592
 
资料名称:SN74LVC138A-Q1
 
文件大小: 197K
   
说明
 
介绍:
Automotive Catalog 3-Line To 8-Line decoder/Demultiplexer
 
 


: 点此下载
 
1
浏览型号SN74LVC138A-Q1的Datasheet PDF文件第2页
2
浏览型号SN74LVC138A-Q1的Datasheet PDF文件第3页
3
浏览型号SN74LVC138A-Q1的Datasheet PDF文件第4页
4
浏览型号SN74LVC138A-Q1的Datasheet PDF文件第5页
5
浏览型号SN74LVC138A-Q1的Datasheet PDF文件第6页
6
浏览型号SN74LVC138A-Q1的Datasheet PDF文件第7页
7
浏览型号SN74LVC138A-Q1的Datasheet PDF文件第8页
8
浏览型号SN74LVC138A-Q1的Datasheet PDF文件第9页
9
 
本平台电子爱好着纯手工中文简译:截至2020/5/17日,支持英文词汇500个
www.ti.com
特点
dgg, dgv, 或 dl p组件
(top 查看)
1
2
3
4
5
6
7
8
9
10
11
12
13
14
15
16
17
18
19
20
21
22
23
24
25
26
27
28
56
55
54
53
52
51
50
49
48
47
46
45
44
43
42
41
40
39
38
37
36
35
34
33
32
31
30
29
1DIR
1CLKAB
1SAB
1A1
1A2
v
抄送
1A3
1A4
1A5
1A6
1A7
1A8
2A1
2A2
2A3
2A4
2A5
2A6
v
抄送
2A7
2A8
2SAB
2CLKAB
2DIR
1OE
1CLKBA
1SBA
1B1
1B2
v
抄送
1B3
1B4
1B5
1B6
1B7
1B8
2B1
2B2
2B3
2B4
2B5
2B6
v
抄送
2B7
2B8
2SBA
2CLKBA
2OE
描述/orderinginformation
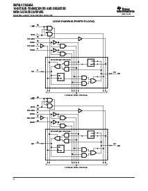
SN74LVC16646A
16-bitbustransceiverandregister
with3-stateoutputs
SCES408B–AUGUST2002–REVISEDAPRIL2005
MemberoftheTexasInstrumentsWidebus™
家庭
operatesfrom1.65vto3.6v
inputsacceptvoltagesto5.5v
intransparentmode,maxt
pd
of5.2ns
at3.3v
TypicalV
olp
(outputgroundbounce)
&指示灯;0.8vatv
抄送
=3.3v,t
一个
=25°C
TypicalV
OHV
(outputv
下冲)
>2vatv
抄送
=3.3v,t
一个
=25°C
supportsmixed-modesignaloperationon
allports(5-vinput/outputvoltagewith
3.3-vv
抄送
)
supportspartial-电源-downmode
操作
门闩-upperformanceexceeds250ma
PerJESD17
ESDProtectionExceedsJESD22
–2000-vhuman-bodymodel(a114-一个)
–1000-vcharged-devicemodel(c101)
this16-bitbustransceiverandregisterisdesignedfor1.65-vto3.6-vv
抄送
操作.
thesn74lvc16646acanbeusedastwo8-bittransceiversorone16-bittransceiver.thedeviceconsistsof
bustransceivercircuits,d-typeflip-拖鞋,andcontrolcircuitryarrangedformultiplexedtransmissionofdata
directlyfromtheinputbusorfromtheinternalregisters.
ORDERINGINFORMATION
t
一个
包装
(1)
orderablepartnumbertop-sidemarking
TubeSN74LVC16646ADL
SSOP–DLLVC16646A
TapeandreelSN74LVC16646ADLR
–40°Cto85°C
TSSOP–DGGTapeandreelSN74LVC16646ADGGRLVC16646A
TVSOP–DGVTapeandreelSN74LVC16646ADGVRLD646A
(1)packagedrawings,标准包装数量,thermaldata,符号化,andpcbdesignguidelinesareavailableat
www.ti.com/sc/包装.
pleasebeawarethatanimportantnoticeconcerningavailability,标准保修,anduseincriticalapplicationsoftexas
instrumentssemiconductorproductsanddisclaimerstheretoappearsattheendofthisdatasheet.
widebusisatrademarkoftexasinstruments.
productiondatainformationiscurrentasofpublicationdate.
copyright©2002–2005,texasinstrumentsincorporated
ProductsconformtospecificationsperthetermsoftheTexas
instrumentsstandardwarranty.productionprocessingdoesnot
必要包括测试所有参数.
资料评论区:
点击回复标题作者最后回复时间

标 题:
内 容:
用户名:
手机号:    (*未登录用户需填写手机号,手机号不公开,可用于网站积分.)
      
关于我们 | 联系我们
电    话13410210660             QQ : 84325569   点击这里与集成电路资料查询网联系
联系方式: E-mail:CaiZH01@163.com