>┊
首页 | 最新需求 | 最新现货 | IC库存 | 供应商 | IC英文资料库 | IC中文资料库 | IC价格 | 电路图 | 应用资料 | 技术资料
 IC型号: 
您现在的位置:首页 >  IC英文资料库 进入手机版 
 
资料编号:1116621
 
资料名称:SN74LV244AT
 
文件大小: 168K
   
说明
 
介绍:
Octal Buffer/Driver With 3-State Outputs
 
 


: 点此下载
 
1
浏览型号SN74LV244AT的Datasheet PDF文件第2页
2
浏览型号SN74LV244AT的Datasheet PDF文件第3页
3
浏览型号SN74LV244AT的Datasheet PDF文件第4页
4
浏览型号SN74LV244AT的Datasheet PDF文件第5页
5
浏览型号SN74LV244AT的Datasheet PDF文件第6页
6
浏览型号SN74LV244AT的Datasheet PDF文件第7页
7
浏览型号SN74LV244AT的Datasheet PDF文件第8页
8
浏览型号SN74LV244AT的Datasheet PDF文件第9页
9
 
本平台电子爱好着纯手工中文简译:截至2020/5/17日,支持英文词汇500个

   
scls515b −july 2003 − 修订 将 2004
1
post 办公室 框 655303
达拉斯市, 德州 75265
资质 入点 符合 与
aec-q100
合格 用于 汽车 应用程序
客户特定 配置 控制
可以 是 支持 沿 与
专业-变更 批准
esd 保护 超过 2000 v 按
密耳-标准-883, 方法 3015; 超过 200 v
使用 机器 型号 (c = 200 pf, 右 = 0)
2-v 至 5.5-v v
抄送
操作
最大值 t
pd
的 9.5 ns 在 5 v
典型 v
olp
&指示灯;0.8 v 在 v
抄送
= 3.3 v, t
一个
= 25
°
c
典型 v
OHV
(输出 v
下冲)
>2.3 v 在 v
抄送
= 3.3 v, t
一个
= 25
°
c
支架 部分-电源-向下-模式
操作
联系人 工厂 用于 详细信息. q100 资质 数据 可用 开启
请求.
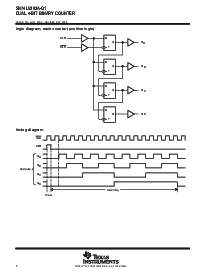
双 4-有点 二进制 计数器 与 个人
时钟
直接 清除 用于 每个 4-有点 计数器
可以 显著 改善 系统
密度 由 减少 计数器 包装
计数 由 50 百分比
描述/订购 信息
这 sn74lv393a 包含 八 人字拖 和 附加 浇口 至 实施 两个 个人 4-有点 计数器 入点
一个 单独 包装. 这个 设备 是 设计 用于 2-v 至 5.5-v v
抄送
操作.
这个 设备 包括 两个 独立 4-有点 二进制 计数器, 每个 拥有 一个 清除 (clr) 和 一个 时钟 (clk
)
输入. 这 设备 变更 州 开启 这 负向 过渡 的 这 clk
脉冲. n位 二进制 计数器 可以
是 已实施 与 每个 包装, 提供 这 能力 的 除法 由 256. 这 sn74lv393a 有 平行
产出 从 每个 计数器 舞台 所以 那 任何 submultiple 的 这 输入 计数 频率 是 可用 用于 系统
计时 信号.
这个设备 是 完全 指定 用于 部分断电 应用程序 使用 我
. 这 我
电路 禁用 这 产出,
预防 损坏 电流 回流 通过 这 设备 当 它 是 通电 向下.
订购 信息
t
一个
包装
可订购
零件 号码
顶侧
标记
−40
°
c 至 105
°
c tssop − pw 胶带 和 卷轴 SN74LV393ATPWRQ1 LV393AT
包装 图纸, 标准 填料 工程量, 热 数据, 符号化, 和 pcb 设计
准则 是 可用 在 www.ti.com/sc/包装.
功能 表
输入
功能
clk clr
功能
l 否 变更
l 预付款 至 下一个 舞台
x h 全部 产出 l
版权
2004, 德州 仪器仪表 股份公司
请 是 意识到 那 一个 重要 通知 关于 可用能力, 标准 保修, 和 使用 入点 关键 应用程序 的
德州 仪器仪表 半导体 产品 和 免责声明 对此 出现 在 这 结束 的 这个 数据 工作表.
pw 包装
(顶部 查看)
1
2
3
4
5
6
7
14
13
12
11
10
9
8
1CLK
1CLR
1Q
一个
1Q
B
1Q
c
1Q
d
v
抄送
2CLK
2CLR
2Q
一个
2Q
B
2Q
c
2Q
d
        
         
       
   
资料评论区:
点击回复标题作者最后回复时间

标 题:
内 容:
用户名:
手机号:    (*未登录用户需填写手机号,手机号不公开,可用于网站积分.)
      
关于我们 | 联系我们
电    话13410210660             QQ : 84325569   点击这里与集成电路资料查询网联系
联系方式: E-mail:CaiZH01@163.com