>┊
首页 | 最新需求 | 最新现货 | IC库存 | 供应商 | IC英文资料库 | IC中文资料库 | IC价格 | 电路图 | 应用资料 | 技术资料
 IC型号: 
您现在的位置:首页 >  IC英文资料库 进入手机版 
 
资料编号:1117212
 
资料名称:CD74HCT164
 
文件大小: 386K
   
说明
 
介绍:
High Speed CMOS Logic 8-Bit Serial-In/Parallel-Out Shift Register
 
 


: 点此下载
 
1
浏览型号CD74HCT164的Datasheet PDF文件第2页
2
浏览型号CD74HCT164的Datasheet PDF文件第3页
3
浏览型号CD74HCT164的Datasheet PDF文件第4页
4
浏览型号CD74HCT164的Datasheet PDF文件第5页
5
浏览型号CD74HCT164的Datasheet PDF文件第6页
6
浏览型号CD74HCT164的Datasheet PDF文件第7页
7
浏览型号CD74HCT164的Datasheet PDF文件第8页
8
浏览型号CD74HCT164的Datasheet PDF文件第9页
9
 
本平台电子爱好着纯手工中文简译:截至2020/5/17日,支持英文词汇500个
1
数据 工作表 获得 从 harris 半导体
SCHS158E
特点
三态 缓冲 产出
门控 输入 和 输出 启用
扇出 (结束 温度 范围)
- 标准 产出 . . . . . . . . . . . . . . . 10 lsttl 荷载
- 总线 驾驶员 产出 . . . . . . . . . . . . . 15 lsttl 荷载
宽 操作 温度 范围 . . . -55
o
c 至 125
o
c
平衡式 传播 延迟 和 过渡 次
Signi 电源 减少 比较 至 lsttl
逻辑 ics
hc 类型
- 2v 至 6v 操作
- 高 噪声 免疫: n
il
= 30%, n
ih
= 30% 的 v
抄送
在 v
抄送
= 5v
hct 类型
- 4.5v 至 5.5v 操作
- 直接 lsttl 输入 逻辑 兼容性,
v
il
= 0.8v (最大值), v
ih
= 2v (最小)
- cmos 输入 兼容性, 我
l
1
µ
一个 在 v
ol
, v
引出线
cd54hc173, cd54hct173
(cerdip)
CD74HC173
(pdip, soic, sop, tssop)
CD74HCT173
(pdip, soic)
顶部 查看
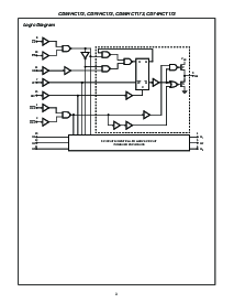
描述
’HC173 ’HCT173 速度 三态 四边形 d-
类型 预制 闸门 CMOS 技术-
ogy. 他们 拥有 电源 消费 标准
CMOS 综合 电路, 可以 操作 速度 com-
parable 等效 电源 肖特基 设备.
缓冲 产出 可以 驱动器 15 LSTTL 荷载. 大型 输出
驱动器 能力 三态 功能 制造 这些 零件 ide-
盟友 适合 用于 接口 总线 线条 入点 总线 面向 系统-
临时.
d-类型 操作 同步 一个 com-
mon 时钟. 产出 入点 三态 模式
要么 两个 输出 禁用 针脚 逻辑 “1” 水平.
输入 启用 允许 保持 入点 他们的
目前 国家 拥有 中断 时钟 如果 要么
2 输入 启用 已拍摄 一个 逻辑 “1” 水平, q
产出 美联储 背面 输入, 强迫
保持 入点 相同 州. 重置 已启用 服用
主人 重置 (mr) 输入 一个 逻辑 “1” 水平. 数据
产出 变更 开启 继续 边缘 时钟.
’HCT173 逻辑 家庭 功能上, 作为 作为 管脚 com-
耐心 与 这 标准 ls 逻辑 家庭
.
oe
OE2
q
0
q
1
q
2
q
3
v
抄送
MR
D0
D1
D2
D3
E2
14
15
16
9
13
12
11
10
1
2
3
4
5
7
6
8
E1
cp
订购 信息
零件 号码
温度 范围
(
o
c) 包装
CD54HC173F3A -55 至 125 16 ld cerdip
CD54HCT173F3A -55 至 125 16 ld cerdip
CD74HC173E -55 至 125 16 ld pdip
CD74HC173M -55 至 125 16 ld soic
CD74HC173MT -55 至 125 16 ld soic
CD74HC173M96 -55 至 125 16 ld soic
CD74HC173NSR -55 至 125 16 ld sop
CD74HC173PW -55 至 125 16 ld tssop
CD74HC173PWR -55 至 125 16 ld tssop
CD74HC173PWT -55 至 125 16 ld tssop
CD74HCT173E -55 至 125 16 ld pdip
CD74HCT173M -55 至 125 16 ld soic
CD74HCT173MT -55 至 125 16 ld soic
CD74HCT173M96 -55 至 125 16 ld soic
备注: 订购, 使用 整个 零件 号码. suffixes 96
表示 胶带 卷轴. suffix t 表示 一个 小批量
卷轴 的 250.
二月 1998 - 修订 october 2003
注意事项: 这些 设备 是 敏感 至 静电 放电. 用户 应该 跟着 适当的 集成电路 搬运 程序.
版权
©
2003, 德州 仪器仪表 股份公司
cd54hc173, cd74hc173,
cd54hct173, cd74hct173
高速 cmos 逻辑
四边形 d-类型 翻转-翻牌圈, 三态
[ /标题
(cd74h
c173,
CD74H
ct173)
/主题
(高
速度
CMOS
逻辑
四边形 d-
类型
资料评论区:
点击回复标题作者最后回复时间

标 题:
内 容:
用户名:
手机号:    (*未登录用户需填写手机号,手机号不公开,可用于网站积分.)
      
关于我们 | 联系我们
电    话13410210660             QQ : 84325569   点击这里与集成电路资料查询网联系
联系方式: E-mail:CaiZH01@163.com