>┊
首页 | 最新需求 | 最新现货 | IC库存 | 供应商 | IC英文资料库 | IC中文资料库 | IC价格 | 电路图 | 应用资料 | 技术资料
 IC型号: 
您现在的位置:首页 >  IC英文资料库 进入手机版 
 
资料编号:1117781
 
资料名称:STM805L
 
文件大小: 690K
   
说明
 
介绍:
3V Supervisor with Battery Switchover
 
 


: 点此下载
 
1
浏览型号STM805L的Datasheet PDF文件第2页
2
浏览型号STM805L的Datasheet PDF文件第3页
3
浏览型号STM805L的Datasheet PDF文件第4页
4
浏览型号STM805L的Datasheet PDF文件第5页
5
浏览型号STM805L的Datasheet PDF文件第6页
6
浏览型号STM805L的Datasheet PDF文件第7页
7
浏览型号STM805L的Datasheet PDF文件第8页
8
浏览型号STM805L的Datasheet PDF文件第9页
9
 
本平台电子爱好着纯手工中文简译:截至2020/5/17日,支持英文词汇500个
1/37march 2005
stm690a, stm692a, stm703
stm704, stm802, stm805, stm817/8/9
5v 主管 与 蓄电池 切换
* 联系人 本地 st 销售 办公室 用于 可用性.
特点 摘要
5v 操作 电压
nvram 主管 用于 外部
LPSRAM
芯片使能 浇口 (stm818 仅) 用于
外部 lpsram (7ns 最大值 道具
延迟)
200ms (典型值) t
rec
看门狗 计时器 - 1.6sec (典型值)
自动 蓄电池 切换
低 蓄电池 供应 电流 - 0.4µa
(典型值)
电源-故障 比较器 (pfi/pfo)
低 供应 电流 - 40µa (典型值)
保证 rst(rst) 断言
抄送
= 1.0v
操作 温度:
–40°c 至 85°c (工业 等级)
图 1. 软件包
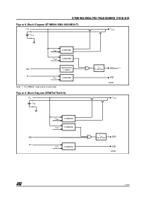
表 1. 设备 选项
备注: 1. 全部 rst和 rst 产出 是 按压-拉.
8
1
so8 (m)
tssop8 3x3 (ds)*
看门狗
输入
活动-
rst
(1)
活动-
rst
(1)
手册
重置
输入
蓄电池
开关-
结束
电源-故障
比较器
芯片-
启用
浇口
蓄电池
新鲜度
密封
STM690A
✔✔
STM692A
✔✔
STM703
✔✔✔✔
STM704
✔✔✔✔
stm802l/m
✔✔
STM805L
✔✔✔✔
stm817l/m
✔✔
stm818l/m
✔✔
stm819l/m
✔✔✔✔
资料评论区:
点击回复标题作者最后回复时间

标 题:
内 容:
用户名:
手机号:    (*未登录用户需填写手机号,手机号不公开,可用于网站积分.)
      
关于我们 | 联系我们
电    话13410210660             QQ : 84325569   点击这里与集成电路资料查询网联系
联系方式: E-mail:CaiZH01@163.com