>┊
首页 | 最新需求 | 最新现货 | IC库存 | 供应商 | IC英文资料库 | IC中文资料库 | IC价格 | 电路图 | 应用资料 | 技术资料
 IC型号: 
您现在的位置:首页 >  IC英文资料库 进入手机版 
 
资料编号:1131129
 
资料名称:ADM825
 
文件大小: 472K
   
说明
 
介绍:
Supervisory Circuits with Watchdog and Manual Reset in 5-Lead SC70 and SOT-23
 
 


: 点此下载
 
1
浏览型号ADM825的Datasheet PDF文件第2页
2
浏览型号ADM825的Datasheet PDF文件第3页
3
浏览型号ADM825的Datasheet PDF文件第4页
4
浏览型号ADM825的Datasheet PDF文件第5页
5
浏览型号ADM825的Datasheet PDF文件第6页
6
浏览型号ADM825的Datasheet PDF文件第7页
7
浏览型号ADM825的Datasheet PDF文件第8页
8
浏览型号ADM825的Datasheet PDF文件第9页
9
 
本平台电子爱好着纯手工中文简译:截至2020/5/17日,支持英文词汇500个
ADM8840
rev.prG
2
/0
3
信息 提供的 由 模拟 设备 是 相信 至 是 准确 和
可靠. 然而, 否 责任 是 假设 由 模拟 设备 用于 其
使用, 也没有 用于 任何 侵权 的 专利 或 其他 权利 的 第三 缔约方
哪个 将 结果 从 其 使用. 否 许可证 是 授予 由 蕴涵 或
否则 下 任何 专利 或 专利 权利 的 模拟 设备.
一个 技术 方式, p.o. 框 9106, norwood, ma 02062-9106, 美国
电话: 781/329-4700 世界 宽 web现场:http://www.模拟.com
传真: 781/326-8703
3
费用 泵 调节器 &放大器; com 驾驶员
用于 颜色 tft 面板
初步 技术类 数据
初步 技术类数据
一个
特点
可编程 com 驾驶员 至 防止 屏幕-烧
3 电压 (5.0v,15.0v,-15.0v) 从 一个 3v 供应
电源 效率 优化 用于 使用 与 tft 入点 移动电话
电话
低 静态 电流
低 停机 电流 (&指示灯;5ua)
停机 功能
应用程序
手持设备 仪器仪表
tft lcd 面板
细胞 电话
概述 描述
这 adm8840 联合收割机 一个 费用 泵 调节器 和 一个
普通 线 (com) 驾驶员 入点 一个 单独 芯片 解决方案 用于 使用
入点 tft lcd’s. 这 设备 提供 一个 lcd 控制器 和
grayscale dac 供应 电压 的 5.0v (±2%), 2 闸门 驱动器
电压 的 +15v 和 -15v 和 一个 com 驾驶员 电压. 这个
com 驾驶员 电压 候补委员 这 极性 的 这 普通
线 电压 每 线 (或 每 框架) 开启 这 显示 入点 订单
至 防止 屏幕-烧 发生 结束 时间. 这 adm8840
是 通电 由 一个 单独 3.0v 供应.
这 adm8840 有 一个 内部 100khz 振荡器 用于 驾驶
这 费用 泵.
这 com 驾驶员 截面 的 这 adm8840 可以 是 已使用 至
生成 这 备用 框架 或 线 反演 的 这 com
线 的 这 lcd 面板. 这 adm8840 接收 这 com
时钟 从 这 控制器 与 一个 频率 向上 至 10khz 和
允许 可编程 调节 的 其 振幅 和
中心 电压 通过 这 使用 的 车载 dac’s. 这个
允许 可编程 消除 的 显示 闪烁 导致
由 这 com 反演.
这 com_出点 振幅 可以 是 编程 从 4.0v
至 7.0v 入点 步骤 的 28mv. 这 com_出点 中心 电压
可以 是 编程 至 0.9v 至 2.8v 入点 步骤 的 14mv.
tm
绿色 慢车 是 一个 已注册 商标 的 模拟 设备 公司
这 adm8840 提供 电源 向上 测序 的 这 -15v
和 +15v 闸门 驱动器 产出, 确保 这 -15v 开始 至
电源 向上 之前 这 +15v.
这 adm8840 有 一个 号码 的 电源 保存 特点, 包括-
ing 低 电源 停机. 这 5.0v 输出 消耗 这
大多数 电源, 所以 电源 效率 是 也 maximised 开启 这个
输出 与 一个 振荡器 启用 方案 (绿色 慢车
tm
).
这 adm8840 是 预制 使用 cmos 技术 用于
最小 电源 消费. 这 零件 是 已打包 入点 一个 32-
管脚 lfcsp 包装.
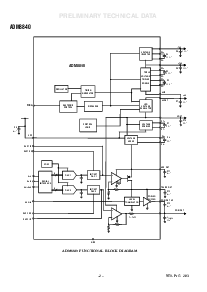
功能 块 图表
串行
接口
VREF
dac 1
dac 2
8
8
clk
数据
cs /
LDAC
水平
翻译器
电源
缓冲区
+
-
-
+
com_入点
4.7
f
4.7
f
c
面板
5.5k
4.7
f
振荡器
控制
逻辑
计时
发电机
停机
控制
放电
电压
加强肋
C1+
c1-
SHDN
v
抄送
LDO
电压
regulato 右
5v o ut
2.2
f
C7
三倍
电压
三倍频器
电压
逆变器
C2+
c2-
C3+
c3-
VOUT
电压
加法器
C5+
c5-
+15V
C4+
c4-
-15v
ADM8840
0.22
f
3.3
f
3.3
f
3.3
f
0.22
f
0.22
f
0.2 2
f
0.22
f
dac1_sd
dac1_入点
智力/分机
dac 1
智力/分机
dac 2
dac2_sd
dac2_入点
C4
C2
C3
C9
C8
添加_出点
trans_出点
com_出点_交流电
com_出点
C5
C10
C11
C12
C13
4.7
f
C6
C1
22nF
5VIN
+5V
资料评论区:
点击回复标题作者最后回复时间

标 题:
内 容:
用户名:
手机号:    (*未登录用户需填写手机号,手机号不公开,可用于网站积分.)
      
关于我们 | 联系我们
电    话13410210660             QQ : 84325569   点击这里与集成电路资料查询网联系
联系方式: E-mail:CaiZH01@163.com