>┊
首页 | 最新需求 | 最新现货 | IC库存 | 供应商 | IC英文资料库 | IC中文资料库 | IC价格 | 电路图 | 应用资料 | 技术资料
 IC型号: 
您现在的位置:首页 >  IC英文资料库 进入手机版 
 
资料编号:124703
 
资料名称:ADS-916GC
 
文件大小: 187.51K
   
说明
 
介绍:
14-Bit, 500kHz, Low-Power Sampling A/D Converters
 
 


: 点此下载
 
1
浏览型号ADS-916GC的Datasheet PDF文件第2页
2
浏览型号ADS-916GC的Datasheet PDF文件第3页
3
浏览型号ADS-916GC的Datasheet PDF文件第4页
4
浏览型号ADS-916GC的Datasheet PDF文件第5页
5
浏览型号ADS-916GC的Datasheet PDF文件第6页
6
浏览型号ADS-916GC的Datasheet PDF文件第7页
7
浏览型号ADS-916GC的Datasheet PDF文件第8页
8
 
本平台电子爱好着纯手工中文简译:截至2020/5/17日,支持英文词汇500个
® ®
广告-916
14-有点, 500khz, 低功耗
取样 一个/d 转换器
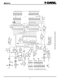
图 1. 广告-916 功能 块 图表
datel, 股份有限公司., 11 cabot boulevard, mansfield, ma 02048-1151(U.s.一个.)
电话: (508) 339-3000 传真: (508) 339-6356
有限元分析
14-有点 分辨率
500khz 取样 费率
功能上 完成; 否 缺失 代码
边缘-已触发; 否 管道 延误
小 24-管脚 ddip 或 smt 包装
低 电源, 1.8 瓦特 最大值
操作 从 ±15v 或 ±12v 供应品
单极 0 至 +10v 输入 范围
概述 描述
这 广告-916 是 一个 高-业绩, 14-有点, 500khz 取样
一个/d 变频器. 这个 设备 样品 输入 信号 向上 至 nyquist
频率 与 否 缺失 代码. 这 广告-916 特点
未结清 动态 业绩 包括 一个 thd 的 –90db.
已安置 入点 一个 小 24-管脚 ddip 或 smt (海鸥-机翼) 包装,
这 功能上 完成 广告-916 包含 一个 快-沉降
样品-保持 放大器, 一个 子范围 (两个-通过) 一个/d converter,
一个 精确 电压 参考, 计时/控制 逻辑, 和 错误-
校正 电路. 数字 输入 和 输出 级别 是 ttl.
要求 ±15v (或 ±12v) 和 +5v 供应品, 这 广告-916
消散 1.8w (1.6w 用于 ±12v) 最大值. 这 单位 是 提供
与 一个 单极 输入 (0 至 +10v). 型号 是 可用 用于 使用
入点 要么 商业 (0 至 +70°c) 或 军事 (–55 至 +125°c)
操作 温度 范围. 应用程序 包括 雷达,
声纳, 光谱 分析, 和 图形/医疗 成像.
输入/输出 连接
管脚 功能 管脚 功能
1 有点 14 (lsb) 24 –12v/–15v 补充ly
2 有点 13 23 模拟 gr响声
3 有点 12 22 +12v/+15v 补充ly
4 有点 11 21 +10v 参考 出点
5 有点 10 20 模拟 输入
6 有点 9 19 模拟 gr响声
7 有点 8 18 有点 1 (msb)
8 有点 7 17 有点 2
9 有点 6 16 start convert
10 有点 5 15 eoc
11 有点 4 14 数字t铝 gr响声
12 有点 3 13 +5v 补充ly
参考
注册
注册
18 有点 1 (msb)
17 有点 2
12有点3
11有点4
10有点5
9有点6
8有点7
7有点8
6有点9
5有点10
4有点11
3有点12
2有点13
1有点14 (lsb)
计时
控制逻辑
+10v 参考. 出点 21
开始 转换 16
eoc 15
数字 校正 逻辑
dac
闪光灯
adc
缓冲区
+
s/h
模拟 输入 20
13
+5V供应
22
+12v/+15v供应
19, 23
模拟接地
14
数字接地
24
–12v/–15v 供应
s
2
s
1
资料评论区:
点击回复标题作者最后回复时间

标 题:
内 容:
用户名:
手机号:    (*未登录用户需填写手机号,手机号不公开,可用于网站积分.)
      
关于我们 | 联系我们
电    话13410210660             QQ : 84325569   点击这里与集成电路资料查询网联系
联系方式: E-mail:CaiZH01@163.com