>┊
首页 | 最新需求 | 最新现货 | IC库存 | 供应商 | IC英文资料库 | IC中文资料库 | IC价格 | 电路图 | 应用资料 | 技术资料
 IC型号: 
您现在的位置:首页 >  IC英文资料库 进入手机版 
 
资料编号:124718
 
资料名称:ADS-926MC
 
文件大小: 187.51K
   
说明
 
介绍:
14-Bit, 500kHz, Low-Power Sampling A/D Converters
 
 


: 点此下载
 
1
浏览型号ADS-926MC的Datasheet PDF文件第2页
2
浏览型号ADS-926MC的Datasheet PDF文件第3页
3
浏览型号ADS-926MC的Datasheet PDF文件第4页
4
浏览型号ADS-926MC的Datasheet PDF文件第5页
5
浏览型号ADS-926MC的Datasheet PDF文件第6页
6
浏览型号ADS-926MC的Datasheet PDF文件第7页
7
浏览型号ADS-926MC的Datasheet PDF文件第8页
8
 
本平台电子爱好着纯手工中文简译:截至2020/5/17日,支持英文词汇500个
® ®
广告-926
14-有点, 500khz, 低功耗
取样 一个/d 转换器
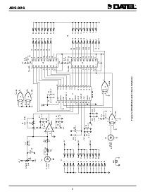
图 1. 广告-926 功能 块 图表
有限元分析
14-有点 分辨率
500khz 取样 费率
功能上 完成; 否 缺失 代码
小 24-管脚 ddip 或 smt 包装
操作 从 ±15v 或 ±12v 供应品
低 电源, 1.75 瓦特 最大值
未结清 动态 业绩
双极性 ±5v 输入 范围
概述 描述
这 广告-926 是 一个 高-业绩, 14-有点, 500khz 取样
一个/d 变频器. 这个 设备 准确地 样品 满量程 输入
信号 向上 至 nyquist 频率 与 否 缺失 代码 和
展品 未结清 动态 业绩 那 超越
大多数 16-有点, 500khz 取样 一个/d's. thd 和 snr, 用于
示例, 是 通常 –90db 和 80db 当 正在转换 已满-
缩放 输入 信号 向上 至 100khz.
已安置 入点 一个 小 24-管脚 ddip 或 smt (海鸥-机翼) 包装,
这 功能上 完成 广告-926 包含 一个 快-沉降
样品-保持 放大器, 一个 子范围 (两个-通过) 一个/d converter,
一个 精确 电压 参考, 计时/控制 逻辑, 和 错误-
校正 电路. 数字 输入 和 输出 级别 是 ttl.
要求 ±15v (或 ±12v) 和 +5v 供应品, 这 广告-926
消散 仅 1.75w (1.6w 用于 ±12v), 最大值. 这 单位 是
提供 与 一个 双极性 输入 (–5v 至 +5v). 型号 是 可用
用于 使用 入点 要么 商业 (0 至 +70°c) 或 军事 (–55 至
+125°c) 操作 温度 范围.
应用程序 包括 雷达, 声纳, 光谱 分析, 和
图形/医疗 成像. 联系人 datel 用于 信息 开启
设备 屏蔽 至 密耳-标准-883.
输入/输出 连接
管脚 功能 管脚 功能
1 有点 14 (lsb) 24 –12v/–15v 补充ly
2 有点 13 23 模拟 gr响声
3 有点 12 22 +12v/+15v 补充ly
4 有点 11 21 +10v 参考 出点
5 有点 10 20 模拟 输入
6 有点 9 19 模拟 gr响声
7 有点 8 18 有点 1 (msb)
8 有点 7 17 有点 2
9 有点 6 16 start convert
10 有点 5 15 eoc
11 有点 4 14 数字t铝 gr响声
12 有点 3 13 +5v 补充ly
datel, 股份有限公司., 11 cabot boulevard, mansfield, ma 02048-1151(U.s.一个.)
电话: (508) 339-3000 传真: (508) 339-6356
用于 立即 援助: (800) 233-2765
参考
REGISTERREGISTER
18 有点 1 (msb)
17 有点 2
12有点3
11有点4
10有点5
9有点6
8有点7
7有点8
6有点9
5有点10
4有点11
3有点12
2有点13
1有点14 (lsb)
计时
控制逻辑
+10v 参考. 出点 21
开始 转换 16
eoc 15
数字 校正 逻辑
dac
闪光灯
adc
缓冲区
+
s/h
模拟 输入 20
13
+5V供应
22
+12v/+15v供应
19, 23
模拟接地
14
数字接地
24
–12v/–15v 供应
s
2
s
1
资料评论区:
点击回复标题作者最后回复时间

标 题:
内 容:
用户名:
手机号:    (*未登录用户需填写手机号,手机号不公开,可用于网站积分.)
      
关于我们 | 联系我们
电    话13410210660             QQ : 84325569   点击这里与集成电路资料查询网联系
联系方式: E-mail:CaiZH01@163.com