>┊
首页 | 最新需求 | 最新现货 | IC库存 | 供应商 | IC英文资料库 | IC中文资料库 | IC价格 | 电路图 | 应用资料 | 技术资料
 IC型号: 
您现在的位置:首页 >  IC英文资料库 进入手机版 
 
资料编号:143802
 
资料名称:AT90S4433-8PI
 
文件大小: 1422.1K
   
说明
 
介绍:
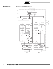
8-Bit AVR Microcontroller with 4K Bytes of In-System Programmable Flash
 
 


: 点此下载
 
1
浏览型号AT90S4433-8PI的Datasheet PDF文件第2页
2
浏览型号AT90S4433-8PI的Datasheet PDF文件第3页
3
浏览型号AT90S4433-8PI的Datasheet PDF文件第4页
4
浏览型号AT90S4433-8PI的Datasheet PDF文件第5页
5
浏览型号AT90S4433-8PI的Datasheet PDF文件第6页
6
浏览型号AT90S4433-8PI的Datasheet PDF文件第7页
7
浏览型号AT90S4433-8PI的Datasheet PDF文件第8页
8
浏览型号AT90S4433-8PI的Datasheet PDF文件第9页
9
 
本平台电子爱好着纯手工中文简译:截至2020/5/17日,支持英文词汇500个
1
特点
高性能 和 低功耗 avr
®
8-有点 risc 体系结构
118 强大的 说明 – 大多数 单独 循环 执行
32 x 8 概述 目的 工作 寄存器
向上 至 8 mips 吞吐量 在 8 mhz
数据 和 非挥发性 程序 记忆
4k 字节数 的 在系统内 可编程 闪光灯
耐力 1,000 写/擦除 循环次数
128 字节数 的 sram
256 字节数 的 在系统内 可编程 可擦可编程只读存储器
耐力: 100,000 写/擦除 循环次数
编程 锁 用于 闪光灯 公共关系
外围设备 特点
一个 8-有点 计时器/计数器与 分开 预分频器
展开 16-有点 计时器/计数器 与 分开 预分频器,
比较, 捕获 模式 一个钕 8-, 9-, 或 10-有点 pwm
片上 模拟 比较器
可编程 看门狗 计时器 与 分开 片上 振荡器
可编程 uart
6-频道, 10-有点 adc
主人/奴隶 spi 串行 接口
特殊 微控制器 特点
增强型 通电 重置 电路
低功耗 慢车 和 掉电 模式
电源 消费 在 4 mhz, 3v, 25
°
c
活动: 3.4 ma
慢车 模式: 1.4 ma
掉电 模式: &指示灯;1 µa
我/o 和 软件包
20 可编程 我/o 线条
28-铅 pdip 和 32-铅 tqfp
操作 电压
2.7v - 6.0v 用于 这 at90ls4433
4.0v - 6.0v 用于 这 at90s4433
速度 等级
0 - 4 mhz 用于 这 at90ls4433
0 - 8 mhz 用于 这 at90s4433
8-有点
微控制器
与 4k 字节数 的
在系统内
可编程
闪光灯
AT90S4433
AT90LS4433
不 推荐 用于
新建 设计. 使用
atmega8.
rev. 1042h–avr–04/03
资料评论区:
点击回复标题作者最后回复时间

标 题:
内 容:
用户名:
手机号:    (*未登录用户需填写手机号,手机号不公开,可用于网站积分.)
      
关于我们 | 联系我们
电    话13410210660             QQ : 84325569   点击这里与集成电路资料查询网联系
联系方式: E-mail:CaiZH01@163.com