>┊
首页 | 最新需求 | 最新现货 | IC库存 | 供应商 | IC英文资料库 | IC中文资料库 | IC价格 | 电路图 | 应用资料 | 技术资料
 IC型号: 
您现在的位置:首页 >  IC英文资料库 进入手机版 
 
资料编号:143833
 
资料名称:AT93C46-10SI
 
文件大小: 154.12K
   
说明
 
介绍:
3-Wire Serial EEPROMs
 
 


: 点此下载
 
1
浏览型号AT93C46-10SI的Datasheet PDF文件第2页
2
浏览型号AT93C46-10SI的Datasheet PDF文件第3页
3
浏览型号AT93C46-10SI的Datasheet PDF文件第4页
4
浏览型号AT93C46-10SI的Datasheet PDF文件第5页
5
浏览型号AT93C46-10SI的Datasheet PDF文件第6页
6
浏览型号AT93C46-10SI的Datasheet PDF文件第7页
7
浏览型号AT93C46-10SI的Datasheet PDF文件第8页
8
浏览型号AT93C46-10SI的Datasheet PDF文件第9页
9
 
本平台电子爱好着纯手工中文简译:截至2020/5/17日,支持英文词汇500个
1
特点
低电压 和 标准-电压 操作
5.0 (v
抄送
= 4.5v 至 5.5v)
2.7 (v
抄送
= 2.7v 至 5.5v)
2.5 (v
抄送
= 2.5v 至 5.5v)
1.8 (v
抄送
= 1.8v 至 5.5v)
用户可选择 内部 组织机构
1k: 128 x 8 或 64 x 16
2k: 256 x 8 或 128 x 16
4k: 512 x 8 或 256 x 16
3-电线 串行 接口
2 mhz 时钟 费率 (5v)
自定时 写 循环 (10 ms 最大值)
高 可靠性
耐力: 1 百万 写 循环次数
汽车 等级 和 扩展 温度 设备 可用
8-铅 pdip, 8-铅 电子元件工业联合会 和 eiaj soic, 和 8-lead tssop 软件包
描述
这 at93c46/56/66 提供 1024/2048/4096 比特 的 串行 电气 可擦除 专业版-
可重 阅读 仅 记忆 (可擦可编程只读存储器) 有组织的 作为 64/128/256 字词 的 16 比特
每个, 当 这 org 管脚 是 已连接 至 vcc 和 128/256/512 字词 的 8 比特 每个
当 它 是 系紧 至 接地. 这 设备 是 优化 用于 使用 入点 许多 工业 和 com-
mercial 应用程序 在哪里 低 电源 和 低 电压 运营 是 必不可少的. 这
at93c46/56/66 是 可用 入点 节省空间 8-铅 pdip 和 8-铅 电子元件工业联合会 和 eiaj
soic 软件包.
3-电线 串行
EEPROMs
1k (128 x 8 或 64 x 16)
2k (256 x 8 或 128 x 16)
4k (512 x 8 或 256 x 16)
AT93C46
AT93C56
AT93C66
rev. 0172o
08/01
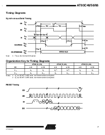
管脚 配置
管脚 姓名 功能
cs 芯片 选择
sk 串行 数据 时钟
di 串行 数据 输入
串行 数据 输出
接地
VCC 电源 供应
ORG 内部 组织机构
直流
t 连接
8-铅 pdip
1
2
3
4
8
7
6
5
cs
sk
di
VCC
直流
ORG
8-铅 soic
旋转 (右)
(1k 电子元件工业联合会 仅)
1
2
3
4
8
7
6
5
直流
VCC
cs
sk
ORG
di
8-铅 soic
1
2
3
4
8
7
6
5
cs
sk
di
VCC
直流
ORG
(续)
8-铅 tssop
1
2
3
4
8
7
6
5
cs
sk
di
VCC
直流
ORG
资料评论区:
点击回复标题作者最后回复时间

标 题:
内 容:
用户名:
手机号:    (*未登录用户需填写手机号,手机号不公开,可用于网站积分.)
      
关于我们 | 联系我们
电    话13410210660             QQ : 84325569   点击这里与集成电路资料查询网联系
联系方式: E-mail:CaiZH01@163.com