>┊
首页 | 最新需求 | 最新现货 | IC库存 | 供应商 | IC英文资料库 | IC中文资料库 | IC价格 | 电路图 | 应用资料 | 技术资料
 IC型号: 
您现在的位置:首页 >  IC英文资料库 进入手机版 
 
资料编号:144672
 
资料名称:ATmega8535
 
文件大小: 215.14K
   
说明
 
介绍:
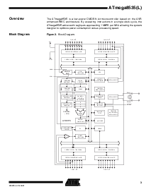
8-bit AVR Microcontroller with 8K Bytes In-System Programmable Flash
 
 


: 点此下载
 
1
浏览型号ATmega8535的Datasheet PDF文件第2页
2
浏览型号ATmega8535的Datasheet PDF文件第3页
3
浏览型号ATmega8535的Datasheet PDF文件第4页
4
浏览型号ATmega8535的Datasheet PDF文件第5页
5
浏览型号ATmega8535的Datasheet PDF文件第6页
6
浏览型号ATmega8535的Datasheet PDF文件第7页
7
浏览型号ATmega8535的Datasheet PDF文件第8页
8
浏览型号ATmega8535的Datasheet PDF文件第9页
9
 
本平台电子爱好着纯手工中文简译:截至2020/5/17日,支持英文词汇500个
2502fs–avr–06/04
特点
高-业绩, 低功耗 avr
®
8-有点 微控制器
高级 risc 体系结构
130 强大的 说明 – 大多数 单独 时钟 循环 执行
32 x 8 概述 目的 工作 寄存器
完全 静态 操作
向上 至 16 mips 吞吐量 在 16 mhz
片上 2-循环 乘数
非挥发性 程序 和 数据 回忆
耐力: 10,000 写/擦除 循环次数
可选 引导 代码 截面 与 独立 锁 比特
在系统内 编程 由 片上 引导 程序
真 阅读-同时-w仪式 操作
512 字节数 可擦可编程只读存储器
耐力: 100,000 写/擦除 循环次数
512 字节数 内部 sram
编程 锁 用于 软件 安全
外围设备 特点
两个 8-有点 计时器/计数器 与 separate 预分频器 和 比较 模式
一个 16-有点 计时器/计数器与 分开 预分频器, 比较 模式, 和 捕获
模式
真实 时间 计数器 与 分开 振荡器
四 pwm 频道
8-频道, 10-有点 adc
8 单端 频道
7 差速器 频道 用于 tqfp 包装 仅
2 差速器 频道 与 programmable? 增益 在 1x, 10x, 或 200x 用于 tqfp
包装 仅
面向字节 两个-wire 串行 接口
可编程 串行 usart
主人/奴隶 spi 串行 接口
可编程 看门狗 计时器 与 分开 片上 振荡器
片上 模拟 比较器
特殊 微控制器 特点
通电 重置 和 可编程 棕色-out 检测
内部 已校准 rc 振荡器
外部 和 内部 中断 来源
六个 睡眠 模式: 慢车, adc 噪声 减少, 电源-保存, power-down, 备用
和 扩展 备用
我/o 和 软件包
32 可编程 我/o 线条
40-管脚 pdip, 44-铅 tqfp, 44-lead plcc, 和 44-pad mlf
操作 电压
2.7 - 5.5v 用于 atmega8535l
4.5 - 5.5v 用于 atmega8535
速度 等级
0 - 8 mhz 用于 atmega8535l
0 - 16 mhz 用于 atmega8535
8-有点
微控制器
与 8k 字节数
在系统内
可编程
闪光灯
ATmega8535
ATmega8535L
初步
摘要
rev. 2502fs–avr–06/04
备注: 这个 是 一个 摘要 做cument. 一个 完成 文件
是 可用 开启 我们的 web 现场 在 www.atmel.com.
资料评论区:
点击回复标题作者最后回复时间

标 题:
内 容:
用户名:
手机号:    (*未登录用户需填写手机号,手机号不公开,可用于网站积分.)
      
关于我们 | 联系我们
电    话13410210660             QQ : 84325569   点击这里与集成电路资料查询网联系
联系方式: E-mail:CaiZH01@163.com