>┊
首页 | 最新需求 | 最新现货 | IC库存 | 供应商 | IC英文资料库 | IC中文资料库 | IC价格 | 电路图 | 应用资料 | 技术资料
 IC型号: 
您现在的位置:首页 >  IC英文资料库 进入手机版 
 
资料编号:144734
 
资料名称:ATmega16L-8AC
 
文件大小: 2928.46K
   
说明
 
介绍:
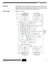
8-bit AVR Microcontroller with 16K Bytes In-System Programmable Flash
 
 


: 点此下载
 
1
浏览型号ATmega16L-8AC的Datasheet PDF文件第2页
2
浏览型号ATmega16L-8AC的Datasheet PDF文件第3页
3
浏览型号ATmega16L-8AC的Datasheet PDF文件第4页
4
浏览型号ATmega16L-8AC的Datasheet PDF文件第5页
5
浏览型号ATmega16L-8AC的Datasheet PDF文件第6页
6
浏览型号ATmega16L-8AC的Datasheet PDF文件第7页
7
浏览型号ATmega16L-8AC的Datasheet PDF文件第8页
8
浏览型号ATmega16L-8AC的Datasheet PDF文件第9页
9
 
本平台电子爱好着纯手工中文简译:截至2020/5/17日,支持英文词汇500个
1
特点
高-业绩, 低功耗 avr
®
8-有点 微控制器
高级 risc 体系结构
131 强大的 说明 – 大多数 单时钟 循环 执行
32 x 8 概述 目的 工作 寄存器
完全 静态 操作
向上 至 16 mips 吞吐量 在 16 mhz
片上 2-循环 乘数
非挥发性 程序 和 数据 回忆
16k 字节数 的 在系统内 自我-可编程 闪光灯
耐力: 10,000 写/擦除 循环次数
可选 引导 代码 截面 与 独立 锁 比特
真 阅读-同时-写 操作
512 字节数 可擦可编程只读存储器
耐力: 100,000 写/擦除 循环次数
1k 字节 内部 sram
编程 锁 用于 软件 安全
jtag (ieee 标准. 1149.1 符合) 接口
边界扫描 能力 根据 至 这 jtag 标准
广泛的 片上 调试 支持
编程 的 闪光灯, 可擦可编程只读存储器, 保险丝, 和 锁 比特 通过 这 jtag 接口
外围设备 特点
两个 8-有点 计时器/计数器 与 分开 预分频器 和 比较 模式
一个 16-有点 计时器/计数器 与 分开 预分频器, 比较 模式, 和 捕获
模式
真实 时间 计数器 与 分开 振荡器
四 pwm 频道
8-频道, 10-有点 adc
8 单端 频道
7 差速器 频道 入点 tqfp 包装 仅
2 差速器 频道 与 可编程 增益 在 1x, 10x, 或 200x
面向字节 双线 串行 接口
可编程 串行 usart
主人/奴隶 spi 串行 接口
可编程 看门狗 计时器 与 分开 片上 振荡器
片上 模拟 比较器
特殊 微控制器 特点
通电 重置 和 可编程 棕色-out 检测
内部 已校准 rc 振荡器
外部 和 内部 中断 来源
六个 睡眠 模式: 慢车, adc 噪声 减少, 电源-保存, power-down, 备用
和 扩展 备用
我/o 和 软件包
32 可编程 我/o 线条
40-管脚 pdip, 44-铅 tqfp, 和 44-pad mlf
操作 电压
2.7 - 5.5v 用于 atmega16l
4.5 - 5.5v 用于 atmega16
速度 等级
0 - 8 mhz 用于 atmega16l
0 - 16 mhz 用于 atmega16
8-有点
微控制器
与 16k 字节数
在系统内
可编程
闪光灯
me?g一个16
me?g一个16l
初步
rev. 2466e–avr–10/02
资料评论区:
点击回复标题作者最后回复时间

标 题:
内 容:
用户名:
手机号:    (*未登录用户需填写手机号,手机号不公开,可用于网站积分.)
      
关于我们 | 联系我们
电    话13410210660             QQ : 84325569   点击这里与集成电路资料查询网联系
联系方式: E-mail:CaiZH01@163.com