>┊
首页 | 最新需求 | 最新现货 | IC库存 | 供应商 | IC英文资料库 | IC中文资料库 | IC价格 | 电路图 | 应用资料 | 技术资料
 IC型号: 
您现在的位置:首页 >  IC英文资料库 进入手机版 
 
资料编号:144948
 
资料名称:ATR0620-144
 
文件大小: 365.73K
   
说明
 
介绍:
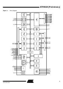
GPS BASEBAND PROCESSOR
 
 


: 点此下载
 
1
浏览型号ATR0620-144的Datasheet PDF文件第2页
2
浏览型号ATR0620-144的Datasheet PDF文件第3页
3
浏览型号ATR0620-144的Datasheet PDF文件第4页
4
浏览型号ATR0620-144的Datasheet PDF文件第5页
5
浏览型号ATR0620-144的Datasheet PDF文件第6页
6
浏览型号ATR0620-144的Datasheet PDF文件第7页
7
浏览型号ATR0620-144的Datasheet PDF文件第8页
8
浏览型号ATR0620-144的Datasheet PDF文件第9页
9
 
本平台电子爱好着纯手工中文简译:截至2020/5/17日,支持英文词汇500个
特点
利用 这 arm7tdmi
手臂
®
拇指
®
处理器 核心
高性能 32-有点 risc 体系结构
高密度 16-有点 说明书 设置
嵌入式 冰 (入点-电路 仿真)
128 千字节 内部 ram
完全 可编程 外部 总线 接口 (ebi)
向上 至 四 芯片 选择
软件 可编程 8-/16-有点 外部 数据 总线
16-频道 gps 相关器
准确度: tbd
时间 至 第一 修复: tbd
8-频道 外围设备 数据 控制器 (pdc)
8-水平 优先, 单独 马斯卡ble, 矢量化 中断 控制器
三个 外部 中断
20 可编程 我/o 线条
三个 usarts
两个 专用 外围设备 数据 一氧化碳ntroller (pdc) 频道 按 usart
主人/奴隶 spi 接口
两个 专用 外围设备 数据 控制器 (pdc) 频道
8- 至 16-有点 可编程 数据 长度
四 外部 奴隶 芯片 选择
可编程 看门狗 计时器
电源 管理 控制器 (pmc)
cpu 和 外围设备 可以 是已停用 单独
时钟 经理 (clm)
geared 主人 时钟 至 减少 电源 消费
pwm 控制器
两个 pwm 信号
真实 时间 时钟 (rtc)
时间 入点 gps 格式 和 15-有点 小数 零件 的 一个 第二
可编程 中断
计时器 与 一个 8-有点 小数 part 的 一个 第二 和 平行 荷载
2.3v 至 3.6v 或 1.8v 供应 电压
包括 电源 主管
蓄电池 备份 记忆
9 mm
×
9 mm 100-管脚 bga 包装
gps 基带
处理器
ATR0620
摘要
初步
rev. 4574cs–gps–05/05
资料评论区:
点击回复标题作者最后回复时间

标 题:
内 容:
用户名:
手机号:    (*未登录用户需填写手机号,手机号不公开,可用于网站积分.)
      
关于我们 | 联系我们
电    话13410210660             QQ : 84325569   点击这里与集成电路资料查询网联系
联系方式: E-mail:CaiZH01@163.com