>┊
首页 | 最新需求 | 最新现货 | IC库存 | 供应商 | IC英文资料库 | IC中文资料库 | IC价格 | 电路图 | 应用资料 | 技术资料
 IC型号: 
您现在的位置:首页 >  IC英文资料库 进入手机版 
 
资料编号:145502
 
资料名称:ATV2500H
 
文件大小: 661.95K
   
说明
 
介绍:
High-Density UV-Erasable Programmable Logic Device
 
 


: 点此下载
 
1
浏览型号ATV2500H的Datasheet PDF文件第2页
2
浏览型号ATV2500H的Datasheet PDF文件第3页
3
浏览型号ATV2500H的Datasheet PDF文件第4页
4
浏览型号ATV2500H的Datasheet PDF文件第5页
5
浏览型号ATV2500H的Datasheet PDF文件第6页
6
浏览型号ATV2500H的Datasheet PDF文件第7页
7
浏览型号ATV2500H的Datasheet PDF文件第8页
8
浏览型号ATV2500H的Datasheet PDF文件第9页
9
 
本平台电子爱好着纯手工中文简译:截至2020/5/17日,支持英文词汇500个
1
特点
第三 世代 可编程 逻辑 结构
很容易 达到 闸门 利用率 因素 的 80 百分比
增加 逻辑 灵活性
86 输入 和 72 总金额 条款
灵活 输出 宏单元
48 人字拖 - 2 按 宏单元
3 总金额 条款 - 可以 是 或'ed 和 共享
高速
低功耗 — 较少 比 0.5 ma 典型 (atv2500l)
多个 反馈 路径 提供 用于 埋 州 机器
和 我/o 总线 兼容性
异步 时钟 和 重置
多个 同步 预设 - 一个 按 四 或 八 人字拖
经过验证 和 可靠 高 速度 cmos 非易失存储器 流程
2000v esd 保护
200 ma latchup 免疫
可重新编程 - 已测试 100% 用于 可编程性
40-管脚 双列直插式 和 44-铅 表面 安装 软件包
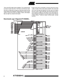
块 图表
描述
这 atv2500h/l 是 这 大多数 强大的 可编程 逻辑 设备 可用 入点 一个 40-
管脚 包装. 增加 产品 条款, 总金额 条款, 和 人字拖 翻译 进入 许多
更多 可用 盖茨. 高 闸门 利用率 是 很容易 可获得.
这 atv2500h/l 是 有组织的 周围 一个 全球 总线. 全部 管脚 和 反馈 条款 是
总是 可用 至 每 逻辑 细胞. 每个 的 这 38 逻辑 针脚 和 他们的 补件
是 阵列 输入, 作为 井 作为 这 真 和 false 产出 的 每个 的 这 48 翻转-拖鞋.
高密度
uv-可擦除
可编程
逻辑 设备
ATV2500H
ATV2500L
rev. 0025e–05/98
(续)
管脚 配置
管脚 姓名 功能
我/o 双向 缓冲区
我/o, 0,2,4.. “even” 我/o 缓冲区
我/o, 1,3,5.. “odd” 我/o 缓冲区
* 否 内部 连接
VCC +5v 供应
倾角
1
2
3
4
5
6
7
8
9
10
11
12
13
14
15
16
17
18
19
20
40
39
38
37
36
35
34
33
32
31
30
29
28
27
26
25
24
23
22
21
入点
入点
入点
我/o0
我/o1
我/o2
我/o3
我/o4
我/o5
VCC
我/o17
我/o16
我/o15
我/o14
我/o13
我/o12
入点
入点
入点
入点
入点
入点
入点
入点
我/o6
我/o7
我/o8
我/o9
我/o10
我/o11
我/o23
我/o22
我/o21
我/o20
我/o19
我/o18
入点
入点
入点
plcc/lcc
* = 否 连接
7
8
9
10
11
12
13
14
15
16
17
39
38
37
36
35
34
33
32
31
30
29
我/o2
我/o3
我/o4
我/o5
VCC
VCC
我/o17
我/o16
我/o15
我/o14
我/o13
我/o7
我/o8
我/o9
我/o10
我/o11
我/o23
我/o22
我/o21
我/o20
6
5
4
3
2
1
44
43
42
41
40
18
19
20
21
22
23
24
25
26
27
28
我/o12
入点
入点
入点
入点
入点
入点
入点
*
我/o18
我/o19
我/o1
我/o0
*
入点
入点
入点
入点
入点
入点
入点
我/o06
资料评论区:
点击回复标题作者最后回复时间

标 题:
内 容:
用户名:
手机号:    (*未登录用户需填写手机号,手机号不公开,可用于网站积分.)
      
关于我们 | 联系我们
电    话13410210660             QQ : 84325569   点击这里与集成电路资料查询网联系
联系方式: E-mail:CaiZH01@163.com