>┊
首页 | 最新需求 | 最新现货 | IC库存 | 供应商 | IC英文资料库 | IC中文资料库 | IC价格 | 电路图 | 应用资料 | 技术资料
 IC型号: 
您现在的位置:首页 >  IC英文资料库 进入手机版 
 
资料编号:150412
 
资料名称:B10011S-MFP
 
文件大小: 127.38K
   
说明
 
介绍:
CAN TRANSCEIVER IC
 
 


: 点此下载
 
1
浏览型号B10011S-MFP的Datasheet PDF文件第2页
2
浏览型号B10011S-MFP的Datasheet PDF文件第3页
3
浏览型号B10011S-MFP的Datasheet PDF文件第4页
4
浏览型号B10011S-MFP的Datasheet PDF文件第5页
5
浏览型号B10011S-MFP的Datasheet PDF文件第6页
6
浏览型号B10011S-MFP的Datasheet PDF文件第7页
7
浏览型号B10011S-MFP的Datasheet PDF文件第8页
8
浏览型号B10011S-MFP的Datasheet PDF文件第9页
9
 
本平台电子爱好着纯手工中文简译:截至2020/5/17日,支持英文词汇500个
rev. 4749b–auto–09/04
特点
能力 的 单线 操作
硬件 故障 识别
输入 与 高 共模 和 差模 干扰 拒收 以上
100
v
pp
到期 至 外部 过滤器 在 这 接收器 输入
免疫 反对 电磁 干扰
免疫 反对 接地-电压 偏移量 &指示灯;6 v
加固 反对 esd 由 密耳-标准-883c, 方法 3015
好处
系统 哪个 雇佣 这个 设备 有 这 以下内容 好处 比较 至 解决方案
使用 离散 组件:
应用程序
尤其是 适合 用于 truck 和 van 应用程序
接口 之间 truck 和 trailer
接口 之间 dashboard 和 发动机
描述
这 可以 驾驶员 集成电路 b10011s 是 一个 低-速度, 高级别 接口 用于 24 v (27 v) 歌剧-
操作 与 变速器 级别 根据 至 iso wd 11992-1 (点-至-点 接口
之间 trucks 和 trailers). 它 是 已开发 用于 信号 级别 的 8/16 v 和 一个 速度 的
向上 至 250 kbits/s.
这个 设备 允许 变速器, 那 是 不敏感 至 电磁 干扰.
这样的 interferences 将 尤其是 发生 入点 truck 应用程序 在哪里 (到期 至 这 长度
的 这 电线) 高 共模 电压 (e?.g., 50 ) 可以 是 耦合 进入 这 线条.
这个 设备 包含 一个 故障 识别 电路 那 检测 故障 开启 一个 的 这 两个
电线, 哪个 是 正常情况下 已使用 用于 变速器. 如果 一个 故障 发生 这 操作 可以 是
已切换 从 双-电线 至 单线 模式 因此, 允许 适当的 操作 甚至 如果
一个 电线 是 破碎, 有 一个 肖尔t-剪切 或 一个 高 系列 电阻.
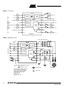
图 1.
块 图表
v
dd
+4.3 v
v
ss
v
抄送
1
2
3
4
5
6
7
8
16
15
14
13
11
10
9
B10011S
选择
控制
错误
控制
compa-
rators
输出
控制
2.5 v
12
可以
收发器 集成电路
B10011S
资料评论区:
点击回复标题作者最后回复时间

标 题:
内 容:
用户名:
手机号:    (*未登录用户需填写手机号,手机号不公开,可用于网站积分.)
      
关于我们 | 联系我们
电    话13410210660             QQ : 84325569   点击这里与集成电路资料查询网联系
联系方式: E-mail:CaiZH01@163.com