>┊
首页 | 最新需求 | 最新现货 | IC库存 | 供应商 | IC英文资料库 | IC中文资料库 | IC价格 | 电路图 | 应用资料 | 技术资料
 IC型号: 
您现在的位置:首页 >  IC英文资料库 进入手机版 
 
资料编号:151485
 
资料名称:MT48LC2M32B2TG
 
文件大小: 1818.26K
   
说明
 
介绍:
SYNCHRONOUS DRAM
 
 


: 点此下载
 
1
浏览型号MT48LC2M32B2TG的Datasheet PDF文件第2页
2
浏览型号MT48LC2M32B2TG的Datasheet PDF文件第3页
3
浏览型号MT48LC2M32B2TG的Datasheet PDF文件第4页
4
浏览型号MT48LC2M32B2TG的Datasheet PDF文件第5页
5
浏览型号MT48LC2M32B2TG的Datasheet PDF文件第6页
6
浏览型号MT48LC2M32B2TG的Datasheet PDF文件第7页
7
浏览型号MT48LC2M32B2TG的Datasheet PDF文件第8页
8
浏览型号MT48LC2M32B2TG的Datasheet PDF文件第9页
9
 
本平台电子爱好着纯手工中文简译:截至2020/5/17日,支持英文词汇500个
1
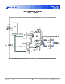
64mb: x32 sdram 微米 技术, 股份有限公司., 储备金 这 右侧 至 变更 产品 或 规格 无 通知.
64msdramx32_5.p65 – rev. b; 酒吧. 6/02 ©2002, 微米 技术, 公司
64mb: x32
SDRAM
2 meg x 32
配置 512k x 32x 4 银行
刷新 计数 4K
银行 寻址 4 (ba0, ba1)
色谱柱 寻址 256 (a0-a7)
管脚 分配 (顶部 查看)
86-管脚 tsop
特点
pc100 功能
完全 同步; 全部 信号 已注册 开启
正 边缘 的 系统 时钟
内部 流水线 操作; 色谱柱 地址 可以
是 已更改 每 时钟 循环
内部 银行 用于 隐藏 行 访问权限/预充电
可编程 突发 长度: 1, 2, 4, 8, 或 已满 第页
自动 预充电, 包括 并发 自动
预充电, 和 自动 刷新 模式
自我 刷新 模式
64ms, 4,096-循环 刷新 (15.6µs/行)
lvttl-兼容 输入 和 产出
单独 +3.3v ±0.3v 电源 供应
支架 cas 延迟 的 1, 2, 和 3
选项 标记
配置
2 meg x 32 (512k x 32 x 4 银行) 2M32B2
塑料 包装 - ocpl
1
86-管脚 tsop (400 密耳) TG
计时 (循环 时间)
5ns (200 mhz) -5
5.5ns (183 mhz) -55
6ns (166 mhz) -6
7ns (143 mhz) -7
操作 温度 范围
商业 (0° 至 +70°c)
扩展 (-40°c 至 +85°c)
2
备注:
1. 偏离中心 分模 线
2. 可用 开启 -7
零件 号码 示例:
mt48lc2m32b2tg-7
备注:
这 # 符号 表示 信号 是 活动 低.
v
dd
DQ0
v
dd
q
DQ1
DQ2
v
ss
q
DQ3
DQ4
v
dd
q
DQ5
DQ6
v
ss
q
DQ7
nc
v
dd
DQM0
WE#
CAS#
RAS#
CS#
nc
BA0
BA1
A10
A0
A1
A2
DQM2
v
dd
nc
DQ16
v
ss
q
DQ17
DQ18
v
dd
q
DQ19
DQ20
v
ss
q
DQ21
DQ22
v
dd
q
DQ23
v
dd
1
2
3
4
5
6
7
8
9
10
11
12
13
14
15
16
17
18
19
20
21
22
23
24
25
26
27
28
29
30
31
32
33
34
35
36
37
38
39
40
41
42
43
86
85
84
83
82
81
80
79
78
77
76
75
74
73
72
71
70
69
68
67
66
65
64
63
62
61
60
59
58
57
56
55
54
53
52
51
50
49
48
47
46
45
44
v
ss
DQ15
v
ss
q
DQ14
DQ13
v
dd
q
DQ12
DQ11
v
ss
q
DQ10
DQ9
v
dd
q
DQ8
nc
v
ss
DQM1
nc
nc
clk
CKE
A9
A8
A7
A6
A5
A4
A3
DQM3
v
ss
nc
DQ31
v
dd
q
DQ30
DQ29
v
ss
q
DQ28
DQ27
v
dd
q
DQ26
DQ25
v
ss
q
DQ24
v
ss
同步
dram
mt48lc2m32b2 - 512k x 32 x 4 银行
用于 这 最新 数据 工作表, 请 参考 至 这 微米 web
现场: www.微米.com/sdramds
钥匙 计时 参数
速度 时钟 访问权限时间 设置 保持
等级 频率 cl = 3* 时间 时间
-5 200 mhz 4.5ns 1.5ns 1ns
-55 183 mhz 5ns 1.5ns 1ns
-6 166 mhz 5.5ns 1.5ns 1ns
-7 143 mhz 5.5ns 2ns 1ns
*cl = cas (阅读) 延迟
资料评论区:
点击回复标题作者最后回复时间

标 题:
内 容:
用户名:
手机号:    (*未登录用户需填写手机号,手机号不公开,可用于网站积分.)
      
关于我们 | 联系我们
电    话13410210660             QQ : 84325569   点击这里与集成电路资料查询网联系
联系方式: E-mail:CaiZH01@163.com