>┊
首页 | 最新需求 | 最新现货 | IC库存 | 供应商 | IC英文资料库 | IC中文资料库 | IC价格 | 电路图 | 应用资料 | 技术资料
 IC型号: 
您现在的位置:首页 >  IC英文资料库 进入手机版 
 
资料编号:159005
 
资料名称:BA5947FP
 
文件大小: 224.19K
   
说明
 
介绍:
IC for Compact Disc Players
 
 


: 点此下载
 
1
浏览型号BA5947FP的Datasheet PDF文件第2页
2
 
本平台电子爱好着纯手工中文简译:截至2020/5/17日,支持英文词汇500个
描述
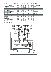
这 ba5947fp 是 一个 4-频道 btl 驾驶员
已开发 用于 紧凑型 圆盘 玩家.
3 出点 的 4 频道 是 pwm 输入
直接 连接 类型 和 合并
主要 过滤器.
特点
1) 4-频道 btl 驾驶员
2) 设置 空间 正在保存 由 adoption 的 hsop28
3) 内置 op 放大器.
4) 宽 动态 范围
5) 内置 热 停机 电路
6) 高 高效 供应 电压 设置 到期 至 独立 供应
(预 vcc, pow vcc 的 ch1, ch2 和 pow vcc 的 ch3, ch4)
7) 用于 ch4, 输入 管脚 可以 是 已切换 由 软件 管脚
应用程序
紧凑型 圆盘 玩家, 其他 光学 圆盘 电器
尺寸 (单位 : mm)
降额 : 13.6mw/˚c 用于 操作 以上 助教=25˚c
开启 较少 比 3% (百分比 已占用 由 铜 箔), pcb (70mmx70mm, t=1.6mm) 玻璃 环氧树脂 mounting.
BA5947FP
集成电路 用于 紧凑型 圆盘 玩家
HSOP28
18.5
±
0.2
7.5
±
0.2
9.9
±
0.3
28 15
1 14
2.2
±
0.1
0.35
±
0.1
5.15
±
0.1
0.5
±
0.2
0.8
0.25
±
0.1
16.0
±
0.2
0.11
0.1 s
0.08
m
绝对 最大值 额定值 (助教=25˚c)
供应 电压
电源 耗散
操作 温度 范围
存储 温度 范围
参数 符号
限制
单位
Vcc
pd
Topr
Tstg
13.5
1.7
+85
+150
-
35
-
55
~
~
w
˚C
˚C
v
预 vcc
pow vcc
6.0
-
13.2 v
6.0
-
预 vcc v
操作 电源 供应 电压 范围 (助教=25˚c)
参数
最小值 最大值 unittyp.
资料评论区:
点击回复标题作者最后回复时间

标 题:
内 容:
用户名:
手机号:    (*未登录用户需填写手机号,手机号不公开,可用于网站积分.)
      
关于我们 | 联系我们
电    话13410210660             QQ : 84325569   点击这里与集成电路资料查询网联系
联系方式: E-mail:CaiZH01@163.com