>┊
首页 | 最新需求 | 最新现货 | IC库存 | 供应商 | IC英文资料库 | IC中文资料库 | IC价格 | 电路图 | 应用资料 | 技术资料
 IC型号: 
您现在的位置:首页 >  IC英文资料库 进入手机版 
 
资料编号:1686
 
资料名称:PIC14000-20/SP
 
文件大小: 953.48K
   
说明
 
介绍:
28-Pin Programmable Mixed Signal Controller
 
 


: 点此下载
 
1
浏览型号PIC14000-20/SP的Datasheet PDF文件第2页
2
浏览型号PIC14000-20/SP的Datasheet PDF文件第3页
3
浏览型号PIC14000-20/SP的Datasheet PDF文件第4页
4
浏览型号PIC14000-20/SP的Datasheet PDF文件第5页
5
浏览型号PIC14000-20/SP的Datasheet PDF文件第6页
6
浏览型号PIC14000-20/SP的Datasheet PDF文件第7页
7
浏览型号PIC14000-20/SP的Datasheet PDF文件第8页
8
浏览型号PIC14000-20/SP的Datasheet PDF文件第9页
9
 
本平台电子爱好着纯手工中文简译:截至2020/5/17日,支持英文词汇500个
1996 微芯片 技术 公司
初步
ds40122b-第页 1
高性能 risc cpu:
仅 35 单独 字 说明 至 学习
全部 单独 循环 说明 除了 用于 程序
分支机构 哪个 是 两个 循环
操作 速度: 直流 - 20 mhz 时钟 输入
4096 x 14 片上 非易失存储器 程序 记忆
192 x 8 概述 目的 寄存器 (sram)
6 内部 和 5 外部 中断 来源
38 特殊 功能 硬件 寄存器
八级 硬件 堆栈
模拟 外围设备 特点:
坡度 模数转换 (一个/d) 变频器
- 八 外部 输入 频道 包括 两个
频道 与 可选择 水平 轮班 输入
- 六个 内部 输入 频道
- 16-有点 可编程 计时器 与 捕获
注册
- 16 ms 最大值 换算 时间 在 maxi-
妈妈 (16-有点) 分辨率 和 4 mhz 时钟
- 4-有点 可编程 电流 来源
内部 带隙 电压 参考
工厂 已校准 与 校准 常量
已存储 入点 非易失存储器
片上 温度 传感器
电压 调节器 控制 输出
两个 比较器 与 可编程 参考资料
片上 低 电压 检测器
特殊 微控制器 特点:
通电 重置 (por), 通电 计时器 (pwrt)
和 振荡器 启动 计时器 (ost)
看门狗 计时器 (wdt) 与 其 自己的 片上 rc
振荡器 用于 可靠 操作
多-细分市场 可编程 代码-保护
可选择 振荡器 选项
- 内部 4 mhz 振荡器
- 外部 水晶 振荡器
串行 在系统内 编程 (通过 两个 针脚)
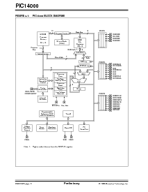
PIC14000
28-管脚 可编程 混合 信号 控制器
管脚 图表
数字 外围设备 特点:
22 我/o 针脚 与 个人 方向 控制
高 电流 水槽/来源 用于 直接 led指示灯 驱动器
tmr0: 8-有点 计时器/计数器 与 8-有点
可编程 预分频器
16-有点 一个/d 计时器: 可以 是 已使用 作为 一个 概述
目的 计时器
•I
2
c
串行 港口 兼容 与 系统
管理 总线
cmos 技术:
低-电源, 高速 cmos 非易失存储器 技术
完全 静态 设计
宽操作 电压 范围 (2.7v 至 6.0v)
商业 和 工业 温度 范围
低 电源 耗散 (典型)
- &指示灯; 3 ma @5v, 4 mhz 操作 模式
- &指示灯; 300
µ
一个 @3v (睡眠 模式: 时钟 已停止
与 模拟 电路 活动)
- &指示灯; 5
µ
一个 @3v (hiber内特 模式: 时钟
已停止, 模拟 不活动, 和 wdt 已禁用)
应用程序:
蓄电池 充电器
蓄电池 容量 监测
不间断 电源 供应 控制器
电源 管理 控制器
hvac 控制器
感应 和 数据 收购
pdip, soic, ssop, 窗口化 cerdip
28
27
26
25
24
23
22
21
20
19
18
17
16
15
ra2/an2
ra3/an3
rd4/an4
rd5/an5
rd6/an6
rd7/an7
CDAC
总金额
v
ss
rc0/refa
rc1/cmpa
RC2
rc3/t0cki
RC4
PIC14000
• 1
2
3
4
5
6
7
8
9
10
11
12
13
14
ra1/an1
ra0/an0
rd3/refb
rd2/cmpb
rd1/sdab
rd0/sclb
osc2/clkout
osc1/pbtn
v
dd
VREG
rc7/sdaa
rc6/scla
RC5
mclr/v
pp
这个 文件 已创建 FrameMaker404
资料评论区:
点击回复标题作者最后回复时间

标 题:
内 容:
用户名:
手机号:    (*未登录用户需填写手机号,手机号不公开,可用于网站积分.)
      
关于我们 | 联系我们
电    话13410210660             QQ : 84325569   点击这里与集成电路资料查询网联系
联系方式: E-mail:CaiZH01@163.com