>┊
首页 | 最新需求 | 最新现货 | IC库存 | 供应商 | IC英文资料库 | IC中文资料库 | IC价格 | 电路图 | 应用资料 | 技术资料
 IC型号: 
您现在的位置:首页 >  IC英文资料库 进入手机版 
 
资料编号:195718
 
资料名称:TSC2101IRGZR
 
文件大小: 867.71K
   
说明
 
介绍:
AUDIO CODEC WITH INTERATED HEADPHONE SPEAKER AMPLIFIER AND TOUCH SCREEN CONTROLLER
 
 


: 点此下载
 
1
浏览型号TSC2101IRGZR的Datasheet PDF文件第2页
2
浏览型号TSC2101IRGZR的Datasheet PDF文件第3页
3
浏览型号TSC2101IRGZR的Datasheet PDF文件第4页
4
浏览型号TSC2101IRGZR的Datasheet PDF文件第5页
5
浏览型号TSC2101IRGZR的Datasheet PDF文件第6页
6
浏览型号TSC2101IRGZR的Datasheet PDF文件第7页
7
浏览型号TSC2101IRGZR的Datasheet PDF文件第8页
8
浏览型号TSC2101IRGZR的Datasheet PDF文件第9页
9
 
本平台电子爱好着纯手工中文简译:截至2020/5/17日,支持英文词汇500个

slas392c− 六月 2003 − 修订 九月 2004
     
    
特点
立体声 音频 回放 向上 至 48 ksps
单声道 音频 记录 向上 至 48 ksps
综合 pll 用于 音频 时钟 世代
可编程 增益 放大器
硬件 自动 增益 控制
可编程 数字 音频 效果
加工
立体声 耳机 接口
细胞 耳机 接口
8-
扬声器 驾驶员
32-
接收器 驾驶员
自动检测 的 耳机 和 按钮 按
支架 两者都有 盖 和 无帽 接口
用于 耳机
可编程 音频 路由
4-电线 触摸 屏幕 接口
综合 触摸 屏幕 处理器 与
完全 自动化 模式 的 操作
可编程 变频器 分辨率, 速度,
和 求平均值
直接 蓄电池 测量
内置 缓冲区 用于 触摸 屏幕 数据
SPI
串行 接口
低 电源
已满 掉电 控制
48-管脚 qfn 包装
应用程序
个人 数字 助理
智能 细胞 电话
mp3 玩家
描述
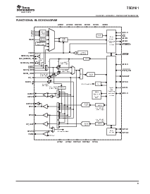
这 tsc2101 是 一个 低功耗 高度 综合 高
业绩 编解码器 和 触摸 屏幕 控制器, 哪个
支架 立体声 音频 dac, 单声道 音频 adc 和 sar
adc.
这 tsc2101 特点 一个 高性能 音频 编解码器
与 16, 20, 24, 或 32-有点 立体声 playback, 单声道 记录
功能 在 向上 至 48 ksps. 这 设备 集成
几个 模拟 特点 这样的 作为 支持 用于 耳机
接口,细胞 耳机 接口, 麦克风 接口,
和 扬声器 和 接收器 驱动程序. 这 设备 支架
自动 检测 的 耳机 和 按钮 按 无 任何
胶水 逻辑. 这 tcs2101 有 完全 可编程 音频.
这 数字 音频 数据 格式 是 可编程 至 工作 与
受欢迎 音频 标准 协议 (i2s, dsp, 左/右侧
合理的) 入点 主人 或 奴隶 模式, 和 也 包括 一个
片上 pll 用于 灵活 时钟 世代 能力.
这 tsc2101 包含 一个 12-有点 4-电线 电阻 触摸
屏幕 变频器 完成 与 驱动程序, 和 接口 至
这 主机 控制器 通过 一个 标准 spi
串行
接口. 这 片上 处理器 提供 广泛的
特点 具体而言 设计 至 减少 主机 处理器
和 总线 管理费用, 与 能力 那 包括 完全
自动化 操作 模式, 可编程 换算
分辨率 向上 至 12比特, 可编程 取样 费率 向上
至 125 khz, 可编程 换算 求平均值, 和
可编程 片上 计时 世代.
这 tsc2101 优惠 蓄电池 测量 输入 有能力
的 阅读 蓄电池 电压 向上 至 6 v, 同时 操作 在
仅 3 v. 它 也 有 一个 片上 温度 传感器
有能力 的 阅读 0.3
°
c 分辨率. 这 tsc2101 是
可用 入点 一个 48-铅 qfn.
美国 专利 否. 6246394
spi 是 一个 商标 的 摩托罗拉.
         
          
         
请 是意识到 那 一个 重要 通知 关于 可用性, 标准 保修, 和 使用 入点 关键 应用程序 的 texas 仪器仪表
半导体 产品 和 免责声明 对此 出现 在 这 结束 的 这个 数据 工作表.
www.ti.com
版权
2004, 德州 仪器仪表 股份公司
资料评论区:
点击回复标题作者最后回复时间

标 题:
内 容:
用户名:
手机号:    (*未登录用户需填写手机号,手机号不公开,可用于网站积分.)
      
关于我们 | 联系我们
电    话13410210660             QQ : 84325569   点击这里与集成电路资料查询网联系
联系方式: E-mail:CaiZH01@163.com