>┊
首页 | 最新需求 | 最新现货 | IC库存 | 供应商 | IC英文资料库 | IC中文资料库 | IC价格 | 电路图 | 应用资料 | 技术资料
 IC型号: 
您现在的位置:首页 >  IC英文资料库 进入手机版 
 
资料编号:215572
 
资料名称:CD82C83H
 
文件大小: 105.77K
   
说明
 
介绍:
CMOS Octal Latching Inverting Bus Driver
 
 


: 点此下载
 
1
浏览型号CD82C83H的Datasheet PDF文件第2页
2
浏览型号CD82C83H的Datasheet PDF文件第3页
3
浏览型号CD82C83H的Datasheet PDF文件第4页
4
浏览型号CD82C83H的Datasheet PDF文件第5页
5
浏览型号CD82C83H的Datasheet PDF文件第6页
6
 
本平台电子爱好着纯手工中文简译:截至2020/5/17日,支持英文词汇500个
4-281
march 1997
82C83H
cmos 八进制 闭锁 反转 总线 驾驶员
特点
已满 8-有点 平行 闭锁 缓冲区
双极性 8283 兼容
三态 反转 产出
传播 延迟 . . . . . . . . . . . . . . . . . . . . . . 25ns 最大值
门控 输入
- 减少 操作 电源
- 消除 这 需要 用于 上拉 电阻
单独 5v 电源 供应
低 电源 操作
- ICCSB . . . . . . . . . . . . . . . . . . . . . . . . . . . . . . . . . 10mA
操作 温度 范围
- c82c83h . . . . . . . . . . . . . . . . . . . . . . . . .0
o
c 至 +70
o
c
- I82C83H . . . . . . . . . . . . . . . . . . . . . . . . -40
o
c 至 +85
o
c
- M82C83H . . . . . . . . . . . . . . . . . . . . . . -55
o
c 至 +125
o
c
描述
这 intersil 82c83h 是 一个 高 业绩 cmos 八进制
闭锁 缓冲区 已制造 使用 一个 自我-对齐 硅 闸门
cmos 流程 (缩放 saji 四). 这 82c83h 提供 一个 8-
有点 平行 门闩/缓冲区 入点 一个 20 铅 管脚 包装. 这 活动
高 频闪 (stb) 输入 允许 透明 转让 的 数据
和 锁扣 数据 开启 这 负 过渡 的 这个 信号. 这
活动 低 输出 启用 (oe) 许可证 简单 接口 至
微处理器 系统. 这 82c83h 提供 倒置 数据
在 这 产出.
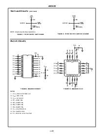
引出线
82c83h (pdip, cerdip)
顶部 查看
82c83h (plcc, clcc)
顶部 查看
订购 信息
零件 否. 包装 温度 范围 pkg. 否
CP82C83H 20 ld pdip 0
o
c 至 +70
o
c e20.3
IP82C83H -40
o
c 至 +85
o
c e20.3
CS82C83H 20 ld plcc 0
o
c 至 +70
o
c n20.35
IS82C83H -40
o
c 至 +85
o
c n20.35
CD82C83H 20 ld cerdip 0
o
c 至 +70
o
c f20.3
ID82C83H -40
o
c 至 +85
o
c f20.3
md82c83h/b 0
o
c 至 +70
o
c f20.3
8406702RA SMD# -55
o
c 至 +125
o
c f20.3
mr82c83h/b 20 衬垫 clcc -55
o
c 至 +125
o
c j20.一个
84067022A SMD# -55
o
c 至 +125
o
c j20.一个
真相 表
stb oe di
x h x 嗨-z
HLlh
HLHL
LX
h = 逻辑 一个
l = 逻辑 零
x = don‘t 护理
嗨-z = 高 阻抗
= 负 过渡
= 锁定 至 值 的 最后一个
数据
11
12
13
14
15
16
17
18
20
19
10
9
8
7
6
5
4
3
2
1
di
0
di
1
di
2
di
3
di
4
di
5
di
7
di
6
oe
v
抄送
1
2
3
0
4
5
6
7
stb
管脚 姓名
管脚 描述
di
0
- di
7
数据 输入 针脚
0
- 做
7
数据 输出 针脚
stb 活动 高 频闪
oe 活动 低 输出 启用
193 2 201
15
16
17
18
14
9
10 11 12 13
4
5
6
7
8
di
4
di
5
di
6
di
7
di
3
oe
stb
7
6
2
3
4
5
1
di
2
di
1
di
0
v
抄送
0
文件 号码
2971.1
注意事项: 这些 设备 是 敏感 至 静电 放电; 跟着 适当的 集成电路 搬运 程序.
http://www.intersil.com 或 407-727-9207
|
版权
©
intersil 公司 1999
资料评论区:
点击回复标题作者最后回复时间

标 题:
内 容:
用户名:
手机号:    (*未登录用户需填写手机号,手机号不公开,可用于网站积分.)
      
关于我们 | 联系我们
电    话13410210660             QQ : 84325569   点击这里与集成电路资料查询网联系
联系方式: E-mail:CaiZH01@163.com