>┊
首页 | 最新需求 | 最新现货 | IC库存 | 供应商 | IC英文资料库 | IC中文资料库 | IC价格 | 电路图 | 应用资料 | 技术资料
 IC型号: 
您现在的位置:首页 >  IC英文资料库 进入手机版 
 
资料编号:225837
 
资料名称:ISPPAC-CLK5510V-01T48C
 
文件大小: 867.44K
   
说明
 
介绍:
In-System Programmable Clock Generator with Universal Fan-Out Buffer
 
 


: 点此下载
 
1
浏览型号ISPPAC-CLK5510V-01T48C的Datasheet PDF文件第2页
2
浏览型号ISPPAC-CLK5510V-01T48C的Datasheet PDF文件第3页
3
浏览型号ISPPAC-CLK5510V-01T48C的Datasheet PDF文件第4页
4
浏览型号ISPPAC-CLK5510V-01T48C的Datasheet PDF文件第5页
5
浏览型号ISPPAC-CLK5510V-01T48C的Datasheet PDF文件第6页
6
浏览型号ISPPAC-CLK5510V-01T48C的Datasheet PDF文件第7页
7
浏览型号ISPPAC-CLK5510V-01T48C的Datasheet PDF文件第8页
8
浏览型号ISPPAC-CLK5510V-01T48C的Datasheet PDF文件第9页
9
 
本平台电子爱好着纯手工中文简译:截至2020/5/17日,支持英文词汇500个
www.latticesemi.com
1
clk5500_04
8月 2004 数据 工作表
© 2004 lattice 半导体 corp. 全部 lattice 商标, 已注册 商标, 专利, 和 免责声明 是 作为 已列出 在 www.latticesemi.com/legal. 全部 其他 品牌
或 产品 姓名 是 商标 或 已注册 商标 的 他们的 各自 持有人. 这 规格
阳离子 和 信息 此处 是 主题 至 变更 无 通知.
ispclock 5500 家庭
在系统内 可编程 时钟 发电机
与 通用 扇出 缓冲区
特点
10mhz 至 320mhz 输入/输出 操作
低 输出 至 输出 偏斜 (&指示灯;50ps)
低 抖动 峰值-至-峰值(&指示灯;70ps)
向上 至 20 可编程 扇出 缓冲区
可编程 输出 标准 和 个人
启用 控件
-lvttl, lvcmos, hstl, sstl, lvds,
LVPECL
可编程 精度 输出 阻抗
- 40 至 70
入点 5
增量
可编程 回转 费率
向上 至 10 银行 与 个人 v
CCO
和 地
- 1.5v, 1.8v, 2.5v, 3.3v
完全 综合 高性能 pll
可编程 锁 检测
相乘 和 除法 比率 受控 由
- 输入 分隔器 (5 比特)
- 内部 反馈 分隔器 (5 比特)
- 五个 输出 分隔器 (5 比特)
可编程 片上 回路 过滤器
精度 可编程 相位 调整
(偏斜) 按 输出
16 设置; 最小值 步骤 尺寸 195ps
- 已锁定 至 vco 频率
向上 至 +/- 12ns 偏斜 范围
粗 和
ne 调整 模式
向上 至 五个 时钟 频率 域
灵活 时钟 参考 输入
可编程 输入 标准
-lvttl, lvcmos, sstl, hstl, lvds,
LVPECL
时钟 一个/b 选择 多路复用器
可编程 精度 终止
四 用户可编程 专业版
莱斯 已存储 入点
e?
2
CMOS
®
记忆
支架 两者都有 测试一下 和 多个 操作
con
测量
已满 jtag 边界 扫描 测试一下 在系统内
编程 支持
例外 电源 供应 噪声 免疫
商业 (0 至 70°c) 和 工业
(-40 至 85°c) 温度 范围
100-管脚 和 48-管脚 tqfp 软件包
应用程序
电路 板 普通 时钟 世代 和
分布
pll-基于 频率 世代
高 扇出 时钟 缓冲区
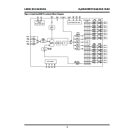
产品 家庭 块 图表
VCO
输出
驱动程序
偏斜
控制
m
n
JTAG
接口
&放大器;
e?
2
CMOS
记忆
锁 检测
参考
输入
过滤器
相位/
频率
检测器
1023
多个 配置文件
管理 逻辑
内部 反馈 路径
pll 核心
输出
溃败ing
矩阵
V0
V1
V2
V3
V4
输出
分隔器
*
* 输入 可用 仅 开启 ispclock 5520
旁路
mux
时钟 产出
资料评论区:
点击回复标题作者最后回复时间

标 题:
内 容:
用户名:
手机号:    (*未登录用户需填写手机号,手机号不公开,可用于网站积分.)
      
关于我们 | 联系我们
电    话13410210660             QQ : 84325569   点击这里与集成电路资料查询网联系
联系方式: E-mail:CaiZH01@163.com