>┊
首页 | 最新需求 | 最新现货 | IC库存 | 供应商 | IC英文资料库 | IC中文资料库 | IC价格 | 电路图 | 应用资料 | 技术资料
 IC型号: 
您现在的位置:首页 >  IC英文资料库 进入手机版 
 
资料编号:229677
 
资料名称:TC962COE
 
文件大小: 74.56K
   
说明
 
介绍:
HIGH CURRENT CHARGE PUMP DC-TO-DC CONVERTER
 
 


: 点此下载
 
1
浏览型号TC962COE的Datasheet PDF文件第2页
2
浏览型号TC962COE的Datasheet PDF文件第3页
3
浏览型号TC962COE的Datasheet PDF文件第4页
4
浏览型号TC962COE的Datasheet PDF文件第5页
5
浏览型号TC962COE的Datasheet PDF文件第6页
6
浏览型号TC962COE的Datasheet PDF文件第7页
7
浏览型号TC962COE的Datasheet PDF文件第8页
8
浏览型号TC962COE的Datasheet PDF文件第9页
9
 
本平台电子爱好着纯手工中文简译:截至2020/5/17日,支持英文词汇500个
2002 微芯片 技术 公司 ds21484b-第页 1
m
TC962
特点
管脚 兼容 与 tc7662/icl7662/si7661
高 输出 电流 80ma
否 外部 二极管 必填项
宽 操作 范围 3v 至 18v
低 输出 阻抗 28
Typ.
否 低 电压 终端 必填项
应用程序 齐纳 片上
osc 频率 加倍 管脚 选项 用于 较小
输出 电容器
应用程序
笔记本电脑 计算机
流程 仪器仪表
µ
p-基于 控制器
设备 选择 表
概述 描述
这 tc962 是 一个 高级 版本 的 这 行业
标准 tc7662 高 电压 直流到直流 变频器.
使用 改进 设计 技术 和 cmos
施工, 这 tc962 可以 来源 作为 很多 作为 80ma
与 这 7662
s 20ma 能力.
作为 一个 逆变器, 这 tc962 可以 put 出点 电压 作为 高
作为 18v 和 作为 低 作为 3v 无 这 需要 用于 外部
二极管. 这 输出 阻抗 的 这 设备 是 一个 低
28
(与 这 适当的 电容器), 电压 换算
效率 是 99.9%, 和 电源 换算 效率 是
97%.
这 低 电压 终端 (管脚 6) 必填项 入点 一些
tc7662 应用程序 有 被 已淘汰. 接地
这个 终端 将 双 这 振荡器 频率 从
12khz 至 24khz. 这个 将 允许 这 使用 的 较小
电容器 用于 这 相同 输出 电流 和 波纹, 入点
大多数 应用程序. 仅 两个 外部 电容器 是
必填项 用于 逆变器 应用程序. 入点 这 事件 一个
外部 时钟 是 需要 至 驱动器 这 tc962 (这样的 作为
平行), 驾驶 这个 管脚 直接 将 原因 这
内部 振荡器 至 同步 至 这 外部 时钟.
管脚 1, 哪个 是 已使用 作为 一个 测试一下 管脚 开启 这 7662, 是 一个
电压 参考 齐纳 开启 这 tc962. 这个 齐纳
(6.4v 在 5ma) 有 一个 动态 阻抗 的 12
和 是
预期 用于 使用 在哪里 这 tc962 是 供应 电流
至 外部 调节器 电路 和 一个 参考 是 需要
用于 这 调节器 电路. (请参见
截面 3.0 应用程序
信息
).
这 tc962 是 兼容 与 这 ltc1044, si7661
和 icl7662. 它 应该 是 已使用 入点 设计 那 需要
更大 电源 和/或 较少 输入 至 输出 电压 掉落.
它 优惠 上级 业绩 结束 这 icl7660s.
包装 类型
零件
号码
包装
操作
temp.
范围
TC962COE 16-管脚 soic 宽 0
°
c 至 +70
°
c
TC962CPA 8-管脚 塑料 倾角 0
°
c 至 +70
°
c
TC962EPA 8-管脚 塑料 倾角 -40
°
c 至 +85
°
c
TC962IJA 8-管脚 cerdip -25
°
c 至 +85
°
c
TC962MJA 8-管脚 cerdip -55
°
c 至 +125
°
c
1
2
3
4
8
7
6
5
频率 x 2
TC962CPA
TC962EPA
TC962IJA
TC962MJA
c
+
c
v
出点
8-管脚 cerdip
8-管脚 倾角
齐纳
阴极
c
osc
v
dd
v
dd
1
2
3
4
5
6
7
8
16
13
12
11
10
9
nc
c
osc
nc
15
14
nc
nc
nc
TC962COE
nc
nc
齐纳
阴极
nc
频率 x 2
16-管脚 soic 宽
c
+
c
v
出点
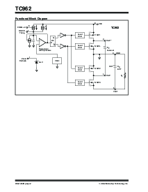
高 电流 费用 泵 直流到直流 变频器
资料评论区:
点击回复标题作者最后回复时间

标 题:
内 容:
用户名:
手机号:    (*未登录用户需填写手机号,手机号不公开,可用于网站积分.)
      
关于我们 | 联系我们
电    话13410210660             QQ : 84325569   点击这里与集成电路资料查询网联系
联系方式: E-mail:CaiZH01@163.com