>┊
首页 | 最新需求 | 最新现货 | IC库存 | 供应商 | IC英文资料库 | IC中文资料库 | IC价格 | 电路图 | 应用资料 | 技术资料
 IC型号: 
您现在的位置:首页 >  IC英文资料库 进入手机版 
 
资料编号:23384
 
资料名称:141540
 
文件大小: 186.79K
   
说明
 
介绍:
Monitor On-Screen Display CMOS
 
 


: 点此下载
 
1
浏览型号141540的Datasheet PDF文件第2页
2
浏览型号141540的Datasheet PDF文件第3页
3
浏览型号141540的Datasheet PDF文件第4页
4
浏览型号141540的Datasheet PDF文件第5页
5
浏览型号141540的Datasheet PDF文件第6页
6
浏览型号141540的Datasheet PDF文件第7页
7
浏览型号141540的Datasheet PDF文件第8页
8
浏览型号141540的Datasheet PDF文件第9页
9
 
本平台电子爱好着纯手工中文简译:截至2020/5/17日,支持英文词汇500个
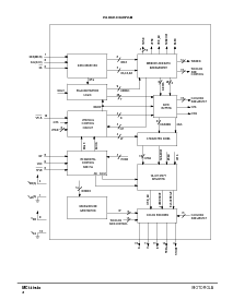
MC141540
1
摩托罗拉
显示器 屏幕上 显示
CMOS
这 mc141540 是 一个 高 业绩 hcmos 设备 设计 至 接口
与 一个 微控制器 单位 至 允许 彩色 符号 或 字符 至 是
显示 开启 一个 颜色 显示器. 这 片上 pll 允许 两者都有 multi–system
操作 和 self–generation 的 系统 计时. 它 也 最小化 这 mcu’s
负担 通过 其 内置 273 字节数 显示/控制 ram. 由 存储 一个 已满
屏幕 的 数据 和 控制 信息, 这个 设备 有 一个 能力 至 进位 出点
‘screen–refresh’ 无 mcu 监督.
自 那里 是 否 间距 之间 字符, 特殊 graphics–oriented
字符 可以 是 已生成 由 组合 两个 或 更多 字符 块.
窗户, 双 高度 和 双 宽度, 和 可编程 垂直 长度 的
字符 可以 也 是 股份公司. 此外, 两者都没有 巨大的 信息
更新 也没有 极其 高 数据 变速器 费率 是 预期 用于 正常 on–
屏幕 显示 操作, 和 串行 协议 是 已实施 入点 lieu 的 任何
平行 格式 至 实现 最小值 管脚 计数.
固定 分辨率: 320 (cga) 圆点 按 线
完全 可编程 字符 阵列 的 10 行 由 24 列
273 字节数 直接 映射 显示 ram 体系结构
内部 pll 生成 一个 wide–ranged 系统 时钟
用于 high–end 显示器 应用程序, 最大值 水平 频率 是
100 khz (32 mhz 圆点 时钟)
可编程 垂直 高度 的 字符 至 满足 multi–sync
要求
可编程 垂直 和 水平 定位 用于 显示 中心
128 字符 和 图形 符号 rom
10 x 16 圆点 矩阵 字符
character–by–character 颜色 选择
一个 最大值 的 四 可选择 颜色 按 行
双 字符 高度 和 双 字符 宽度
字符 bordering 或 shadowing
三个 完全 可编程 背景 窗户 与 重叠
能力
单独 正 5 v 供应
mc141540p4 是 一个 更换 用于 xc141540p 与 两个 符号 已添加
入点 rom 地址 ‘5c’ 和 ‘5e’
订单 这个 文件
由 mc141540/d
摩托罗拉
半导体 技术类 数据
管脚 分配
MC141540
p 后缀
塑料 倾角
案例 648
订购 信息
MC141540P4 塑料 倾角
13
14
15
16
9
10
11
125
4
3
2
1
8
7
6
FBKG
B
g
v
ss
v
dd
VFLB
HTONE
v
dd(一个
)
rp
VCO
scl(sck)
sda(mosi)
ss
HFLB
v
ss(一个)
摩托罗拉, 公司 1997
rev 1
2/97 tn97031200
资料评论区:
点击回复标题作者最后回复时间

标 题:
内 容:
用户名:
手机号:    (*未登录用户需填写手机号,手机号不公开,可用于网站积分.)
      
关于我们 | 联系我们
电    话13410210660             QQ : 84325569   点击这里与集成电路资料查询网联系
联系方式: E-mail:CaiZH01@163.com