>┊
首页 | 最新需求 | 最新现货 | IC库存 | 供应商 | IC英文资料库 | IC中文资料库 | IC价格 | 电路图 | 应用资料 | 技术资料
 IC型号: 
您现在的位置:首页 >  IC英文资料库 进入手机版 
 
资料编号:251755
 
资料名称:ADSP-21MOD980N
 
文件大小: 566.63K
   
说明
 
介绍:
MultiPort Internet Gateway Processor
 
 


: 点此下载
 
1
浏览型号ADSP-21MOD980N的Datasheet PDF文件第2页
2
浏览型号ADSP-21MOD980N的Datasheet PDF文件第3页
3
浏览型号ADSP-21MOD980N的Datasheet PDF文件第4页
4
浏览型号ADSP-21MOD980N的Datasheet PDF文件第5页
5
浏览型号ADSP-21MOD980N的Datasheet PDF文件第6页
6
浏览型号ADSP-21MOD980N的Datasheet PDF文件第7页
7
浏览型号ADSP-21MOD980N的Datasheet PDF文件第8页
8
浏览型号ADSP-21MOD980N的Datasheet PDF文件第9页
9
 
本平台电子爱好着纯手工中文简译:截至2020/5/17日,支持英文词汇500个
一个
初步 技术类 数据
multiport 互联网
gateway 处理器
这个 信息 适用 至 一个 产品 下 发展. 其 特性
和 规格 是 主题 至 变更 无 通知. 模拟 设备
假设 否 义务 关于 未来 制造业 除非 否则
同意 至 入点 写作.
一个 技术 方式, p.o.框 9106, norwood, ma 02062-9106, 美国
传真:781/326-8703 ©analog 设备,股份有限公司., 2001
e?v.prB
6/2001
adsp-21mod980n
业绩 特点
完成 单独 设备 多-港口 互联网 gateway
处理器 (否 外部 记忆 必填项)
机具 十六 调制解调器 频道 或 四十 语音
频道 入点 一个 包装
每个 dsp 可以 实施 两个 v.34/v.90 数据/传真
调制解调器 频道 (包括 datapump 和
控制器)
低 电源 版本: 640 mips 持续 业绩,
12.5 ns 说明书 时间 @ 1.9 伏特 标称值
(内部)
打开 体系结构 extensible 至 语音-结束-网络
(冯) 和 其他 应用程序
低 电源 耗散, 25 mw (典型) 按 频道
断电 模式 特色 低 cmos 备用 电源
耗散
集成 特点
adsp-2100 家庭 代码-兼容, 与 说明书
设置 分机
16 mbits 的 片上 sram, 已配置 作为 9 mbits 的
程序 记忆 和 7 mbits 的 数据 记忆
两用 程序 记忆, 用于 两者都有 说明书
和 数据 存储
352-球 pbga 与 一个 35mm
35mm 占地面积
系统 配置 特点
16-有点 内部 dma 港口 用于 高速 访问权限 至
片上 记忆 (模式-可选择)
可编程 多通道 串行 港口 支架 24/32
频道
两个 双缓冲 串行 端口 与 压扩
硬件 和 自动 数据 缓冲
分开 重置 针脚 用于 每个 内部 处理器
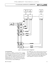
图 1. mod980n multiport 互联网 gateway 处理器 块 图表
2188N
dsp 1
2188N
dsp 2
2188N
dsp 3
2188N
dsp 4
2188N
dsp 5
2188N
dsp 6
2188N
dsp 8
2188N
dsp 7
主机 idma
SPORT0
SPORT1
控制
21mod980N
资料评论区:
点击回复标题作者最后回复时间

标 题:
内 容:
用户名:
手机号:    (*未登录用户需填写手机号,手机号不公开,可用于网站积分.)
      
关于我们 | 联系我们
电    话13410210660             QQ : 84325569   点击这里与集成电路资料查询网联系
联系方式: E-mail:CaiZH01@163.com