>┊
首页 | 最新需求 | 最新现货 | IC库存 | 供应商 | IC英文资料库 | IC中文资料库 | IC价格 | 电路图 | 应用资料 | 技术资料
 IC型号: 
您现在的位置:首页 >  IC英文资料库 进入手机版 
 
资料编号:260555
 
资料名称:SN74LVTH18512DGGR
 
文件大小: 562.71K
   
说明
 
介绍:
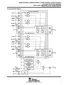
3.3-V ABT SCAN TEST DEVICES WITH 18-BIT UNIVERSAL BUS TRANSCEIVERS
 
 


: 点此下载
 
1
浏览型号SN74LVTH18512DGGR的Datasheet PDF文件第2页
2
浏览型号SN74LVTH18512DGGR的Datasheet PDF文件第3页
3
浏览型号SN74LVTH18512DGGR的Datasheet PDF文件第4页
4
浏览型号SN74LVTH18512DGGR的Datasheet PDF文件第5页
5
浏览型号SN74LVTH18512DGGR的Datasheet PDF文件第6页
6
浏览型号SN74LVTH18512DGGR的Datasheet PDF文件第7页
7
浏览型号SN74LVTH18512DGGR的Datasheet PDF文件第8页
8
浏览型号SN74LVTH18512DGGR的Datasheet PDF文件第9页
9
 
本平台电子爱好着纯手工中文简译:截至2020/5/17日,支持英文词汇500个
sn54lvth18512, sn54lvth182512, sn74lvth18512, sn74lvth182512
3.3-v abt 扫描 测试一下 设备
与 18-有点 通用 总线 收发器
scbs671b – 8月 1996 – 修订 october 1997
1
post 办公室 框 655303
达拉斯市, 德州 75265
d
成员 的 这 德州 仪器仪表
范围
家庭 的 可测试性 产品
d
成员 的 这 德州 仪器仪表
Widebus
d
最先进的 3.3-v abt 设计 支架
混合模式 信号 操作 (5-v 输入
和 输出 电压 与 3.3-v v
抄送
)
d
支持 不受管制 蓄电池 操作
向下 至 2.7 v
d
UBT
(通用 总线 收发器)
联合收割机 d-类型 锁扣 和 d-类型
人字拖 用于 操作 入点 透明,
锁定, 或 时钟 模式
d
总线 保持 开启 数据 输入 消除 这
需要 用于 外部 上拉/下拉
电阻
d
b-港口 产出 的 ’lvth182512 设备
有 等效 25-
系列 电阻, 所以
否 外部 电阻 是 必填项
d
兼容 与 这 ieee 标准 1149.1-1990
(jtag) 测试一下 访问权限 港口 和
边界扫描 体系结构
d
范围
说明书 设置
– ieee 标准 1149.1-1990 必填项
说明 和 可选 卡箍 和
highz
– 平行-签名 分析 在 输入
– 伪随机 图案 世代
从 产出
– 样品 输入/切换 产出
– 二进制 计数 从 产出
– 设备 标识
– 甚至-奇偶校验 操作码
d
包装 选项 包括 64-管脚 塑料
薄 收缩 小 大纲 (dgg) 和 64-管脚
陶瓷 双 扁平 (hkc) 软件包 使用
0.5-mm 中心-至-中心 spacings
描述
这 ’lvth18512 和 ’lvth182512 扫描 测试一下 设备 与 18-有点 通用 总线 收发器 是 成员 的
这 德州 仪器仪表 范围
可测试性 集成电路 家庭. 这个 家庭 的 设备 支架 ieee 标准
1149.1-1990 边界 扫描 至 促进 测试 的 复杂 电路板 程序集. 扫描 访问权限 至 这 测试一下
电路 是 已完成 通过 这 4-电线 测试一下 访问权限 港口 (轻敲) 接口.
另外, 这些 设备 是 设计 具体而言 用于 低电压 (3.3-v) v
抄送
操作, 但是 与 这
能力 至 提供 一个 ttl 接口 至 一个 5-v 系统 环境.
版权
1997, 德州 仪器仪表 股份公司
除非 否则 已注明 这个 文件 包含 生产
数据 信息 电流 作为 的 出版物 日期. 产品 符合 至
规格 按 这 条款 的 德州 仪器仪表 标准 保修.
生产 加工 是否 不 必然 包括 测试 的 全部
参数.
请 是 意识到 那 一个 重要 通知 关于 可用性, 标准 保修, 和 使用 入点 关键 应用程序 的
德州 仪器仪表 半导体 产品 和 免责声明 对此 出现 在 这 结束 的 这个 数据 工作表.
范围, widebus, 和 ubt 是 商标 的 德州 仪器仪表 股份公司.
1
2
3
4
5
6
7
8
9
10
11
12
13
14
15
16
17
18
19
20
21
22
23
24
25
26
27
28
29
30
31
32
64
63
62
61
60
59
58
57
56
55
54
53
52
51
50
49
48
47
46
45
44
43
42
41
40
39
38
37
36
35
34
33
1CLKAB
1LEAB
1OEAB
1A1
1A2
1A3
1A4
1A5
v
抄送
1A6
1A7
1A8
1A9
2A1
2A2
2A3
2A4
2A5
2A6
v
抄送
2A7
2A8
2A9
2OEAB
2LEAB
2CLKAB
TDO
TMS
1CLKBA
1LEBA
1OEBA
1B1
1B2
1B3
1B4
1B5
v
抄送
1B6
1B7
1B8
1B9
2B1
2B2
2B3
2B4
2B5
2B6
v
抄送
2B7
2B8
2B9
2OEBA
2LEBA
2CLKBA
TDI
tck
sn54lvth18512, sn54lvth182512 . . . hkc 包装
sn74lvth18512, sn74lvth182512 . . . dgg 包装
(顶部 查看)
资料评论区:
点击回复标题作者最后回复时间

标 题:
内 容:
用户名:
手机号:    (*未登录用户需填写手机号,手机号不公开,可用于网站积分.)
      
关于我们 | 联系我们
电    话13410210660             QQ : 84325569   点击这里与集成电路资料查询网联系
联系方式: E-mail:CaiZH01@163.com