>┊
首页 | 最新需求 | 最新现货 | IC库存 | 供应商 | IC英文资料库 | IC中文资料库 | IC价格 | 电路图 | 应用资料 | 技术资料
 IC型号: 
您现在的位置:首页 >  IC英文资料库 进入手机版 
 
资料编号:266976
 
资料名称:DS2148
 
文件大小: 544.74K
   
说明
 
介绍:
5V E1/T1/J1 Line Interface
 
 


: 点此下载
 
1
浏览型号DS2148的Datasheet PDF文件第2页
2
浏览型号DS2148的Datasheet PDF文件第3页
3
浏览型号DS2148的Datasheet PDF文件第4页
4
浏览型号DS2148的Datasheet PDF文件第5页
5
浏览型号DS2148的Datasheet PDF文件第6页
6
浏览型号DS2148的Datasheet PDF文件第7页
7
浏览型号DS2148的Datasheet PDF文件第8页
8
浏览型号DS2148的Datasheet PDF文件第9页
9
 
本平台电子爱好着纯手工中文简译:截至2020/5/17日,支持英文词汇500个
1 的 75 rev: 082504
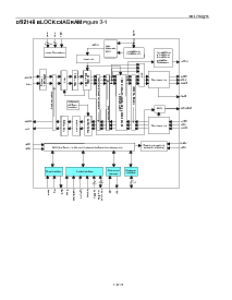
特点

完成 e1, t1, 或 j1 线 接口 单位
(liu)

支架 两者都有 长- 和 短-拖运 trunks

内部 软件可选 接收-侧面
终止 用于 75
/100
/120

5v 电源 供应

32-有点 或 128-有点 crystal-较少 抖动 衰减器
需要 仅 一个 2.048mhz 主人 时钟 用于
两者都有 e1 和 t1 与 选项 至 使用 1.544mhz

生成 这 适当的 线 构建 出场次数,
与 和 无 返回 损失, 用于 e1 和
dsx-1 和 csu 线 构建 出场次数 用于 t1

ami, hdb3, 和 b8zs, 编码/解码

16.384mhz, 8.192mhz, 4.096mhz, 或
2.048mhz 时钟 输出 合成 至
已回收 时钟

可编程 显示器 模式 用于 接收器

环回 和 prbs 图案 世代/

生成/检测 入点-禁令d 回路 代码, 1 至 16
比特 包括 csu 回路 代码

8-有点 平行 或 串行 接口 与 可选
硬件 模式

多路复用 和 nonmultiplexed 平行 总线
支架 英特尔 或 摩托罗拉

检测/生成 蓝色 (ais) 警报

nrz/双极性 接口 用于 tx/rx 数据 我/o

发送 开路 检测

接收 承运人 损失 (rcl) 指示
(g.775)

高z 州 用于 ttip 和 tring

50ma (rms) 电流 限幅器
管脚 描述
订购 信息
单通道 设备:
ds2148tn 44-管脚 tqfp (-40
c 至 +85
c)
ds2148t 44-管脚 tqfp (0
c 至 +70
c)
ds2148gn 7mm cabga (-40
c 至 +85
c)
ds2148g 7mm cabga (0
c 至 +70
c)
四通道 设备:
ds21q48n (四边形) bga (-40
c 至 +85
c)
ds21q48 (四边形) bga (0
c 至 +70
c)
44 tqfp
7mm
CABGA
1
44
ds2148/ds21q48
5v e1/t1/j1 线 接口
www.马克西姆-集成电路.com
资料评论区:
点击回复标题作者最后回复时间

标 题:
内 容:
用户名:
手机号:    (*未登录用户需填写手机号,手机号不公开,可用于网站积分.)
      
关于我们 | 联系我们
电    话13410210660             QQ : 84325569   点击这里与集成电路资料查询网联系
联系方式: E-mail:CaiZH01@163.com