>┊
首页 | 最新需求 | 最新现货 | IC库存 | 供应商 | IC英文资料库 | IC中文资料库 | IC价格 | 电路图 | 应用资料 | 技术资料
 IC型号: 
您现在的位置:首页 >  IC英文资料库 进入手机版 
 
资料编号:269211
 
资料名称:K6R1008V1D-TC10
 
文件大小: 188.68K
   
说明
 
介绍:
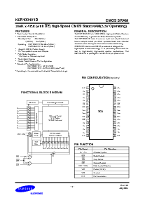
256Kx4 Bit (with OE) High-Speed CMOS Static RAM(5.0V Operating).
 
 


: 点此下载
 
1
浏览型号K6R1008V1D-TC10的Datasheet PDF文件第2页
2
浏览型号K6R1008V1D-TC10的Datasheet PDF文件第3页
3
浏览型号K6R1008V1D-TC10的Datasheet PDF文件第4页
4
浏览型号K6R1008V1D-TC10的Datasheet PDF文件第5页
5
浏览型号K6R1008V1D-TC10的Datasheet PDF文件第6页
6
浏览型号K6R1008V1D-TC10的Datasheet PDF文件第7页
7
浏览型号K6R1008V1D-TC10的Datasheet PDF文件第8页
8
浏览型号K6R1008V1D-TC10的Datasheet PDF文件第9页
9
 
本平台电子爱好着纯手工中文简译:截至2020/5/17日,支持英文词汇500个
初步
rev. 3.0
- 1 -
july 2004
初步
K6R1004V1D
cmos sram
用于 在&放大器;t
文件 标题
64kx16 有点 高速 cmos 静态 ram(3.3v 操作)
操作 在 商业 和 工业 温度 范围.
修订 历史
规格. samsung 电子产品 将 评估 和 回复 至 你的 请求 和 提问 开启 这 参数 的 这个 设备. 如果你 有 任何 ques-
区域, 请 联系人 这 samsung 分支机构 办公室 近 你的 办公室, 呼叫 或 联系人 总部.
rev. 否.
rev. 0.0
rev. 0.1
rev. 0.2
rev. 1.0
rev. 2.0
rev. 3.0
Remark
初步
初步
初步
决赛
决赛
决赛
历史
初始 文件.
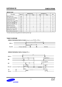
速度 垃圾桶 修改
电流 修改
1. 决赛 数据表 释放
2. 删除 12ns 速度 垃圾桶.
3. 变更 icc 用于 工业 模式.
1. 删除 ub
,磅releated 计时 图表.
1. 添加 这 铅 免费 包装 类型.
项目 上一个 电流
抄送(工业)
8ns 100mA 90mA
10ns 85mA 75mA
草稿 数据
将. 11. 2001
六月. 18. 2001
九月. 9. 2001
12月. 18. 2001
六月. 19. 2002
july. 26, 2004
资料评论区:
点击回复标题作者最后回复时间

标 题:
内 容:
用户名:
手机号:    (*未登录用户需填写手机号,手机号不公开,可用于网站积分.)
      
关于我们 | 联系我们
电    话13410210660             QQ : 84325569   点击这里与集成电路资料查询网联系
联系方式: E-mail:CaiZH01@163.com