>┊
首页 | 最新需求 | 最新现货 | IC库存 | 供应商 | IC英文资料库 | IC中文资料库 | IC价格 | 电路图 | 应用资料 | 技术资料
 IC型号: 
您现在的位置:首页 >  IC英文资料库 进入手机版 
 
资料编号:275658
 
资料名称:Z86E0412SSC1903
 
文件大小: 251.89K
   
说明
 
介绍:
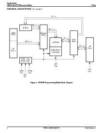
CMOS Z8 OTP Microcontrollers
 
 


: 点此下载
 
1
浏览型号Z86E0412SSC1903的Datasheet PDF文件第2页
2
浏览型号Z86E0412SSC1903的Datasheet PDF文件第3页
3
浏览型号Z86E0412SSC1903的Datasheet PDF文件第4页
4
浏览型号Z86E0412SSC1903的Datasheet PDF文件第5页
5
浏览型号Z86E0412SSC1903的Datasheet PDF文件第6页
6
浏览型号Z86E0412SSC1903的Datasheet PDF文件第7页
7
浏览型号Z86E0412SSC1903的Datasheet PDF文件第8页
8
浏览型号Z86E0412SSC1903的Datasheet PDF文件第9页
9
 
本平台电子爱好着纯手工中文简译:截至2020/5/17日,支持英文词汇500个
DS97Z8X0401
p 右 e? l 我 m 我 n 一个 右 y
1
1
p
RELIMINARY
p
RODUCT
s
具体化
z86e04/e08
1
cmos z8 otp m
微控制器
产品 设备
几个 钥匙 产品 特点 的 这 广泛的 家庭 的 zilog z86e04/e08 cmos otp 微控制器 是 已提交 入点
这 以上 表. 这个 表 启用 这 用户 至 识别 哪个 的 这 二十 e04/e08 产品 变体 大多数 紧密地 匹配
这 用户’s 应用程序 要求.
零件 振荡器 操作 操作 rom
号码 类型
v
抄送
温度 (kb) 包装
Z86E0412PEC 水晶 4.5v - 5.5v -40
°
c/105
°
c 1 18-管脚 倾角
Z86E0412PSC1860 水晶 3.0v - 5.5v 0
°
c/70
°
c 1 18-管脚 倾角
Z86E0412PSC1866 水晶 4.5v - 5.5v 0
°
c/70
°
c 1 18-管脚 倾角
Z86E0412PSC1903 rc 4.5v - 5.5v 0
°
c/70
°
c 1 18-管脚 倾角
Z86E0412PSC1924 rc 3.0v - 5.5v 0
°
c/70
°
c 1 18-管脚 倾角
Z86E0412SEC 水晶 4.5v - 5.5v -40
°
c/105
°
c 1 18-管脚 soic
Z86E0412SSC1860 水晶 3.0v - 5.5v 0
°
c/70
°
c 1 18-管脚 soic
Z86E0412SSC1866 水晶 4.5v - 5.5v 0
°
c/70
°
c 1 18-管脚 soic
Z86E0412SSC1903 rc 4.5v - 5.5v 0
°
c/70
°
c 1 18-管脚 soic
Z86E0412SSC1924 rc 3.0v - 5.5v 0
°
c/70
°
c 1 18-管脚 soic
Z86E0812PEC 水晶 4.5v - 5.5v -40
°
c/105
°
c 2 18-管脚 倾角
Z86E0812PSC1860 水晶 3.0v - 5.5v 0
°
c/70
°
c 2 18-管脚 倾角
Z86E0812PSC1866 水晶 4.5v - 5.5v 0
°
c/70
°
c 2 18-管脚 倾角
Z86E0812PSC1903 rc 4.5v - 5.5v 0
°
c/70
°
c 2 18-管脚 倾角
Z86E0812PSC1924 rc 3.0v - 5.5v 0
°
c/70
°
c 2 18-管脚 倾角
Z86E0812SEC 水晶 4.5v - 5.5v -40
°
c/105
°
c 2 18-管脚 soic
Z86E0812SSC1860 水晶 3.0v - 5.5v 0
°
c/70
°
c 2 18-管脚 soic
Z86E0812SSC1866 水晶 4.5v - 5.5v 0
°
c/70
°
c 2 18-管脚 soic
Z86E0812SSC1903 rc 4.5v - 5.5v 0
°
c/70
°
c 2 18-管脚 soic
Z86E0812SSC1924 rc 3.0v - 5.5v 0
°
c/70
°
c 2 18-管脚 soic
资料评论区:
点击回复标题作者最后回复时间

标 题:
内 容:
用户名:
手机号:    (*未登录用户需填写手机号,手机号不公开,可用于网站积分.)
      
关于我们 | 联系我们
电    话13410210660             QQ : 84325569   点击这里与集成电路资料查询网联系
联系方式: E-mail:CaiZH01@163.com