>┊
首页 | 最新需求 | 最新现货 | IC库存 | 供应商 | IC英文资料库 | IC中文资料库 | IC价格 | 电路图 | 应用资料 | 技术资料
 IC型号: 
您现在的位置:首页 >  IC英文资料库 进入手机版 
 
资料编号:281979
 
资料名称:PIC12CE673-10E/P
 
文件大小: 671.99K
   
说明
 
介绍:
8-Pin, 8-Bit CMOS Microcontroller with A/D Converter and EEPROM Data Memory
 
 


: 点此下载
 
1
浏览型号PIC12CE673-10E/P的Datasheet PDF文件第2页
2
浏览型号PIC12CE673-10E/P的Datasheet PDF文件第3页
3
浏览型号PIC12CE673-10E/P的Datasheet PDF文件第4页
4
浏览型号PIC12CE673-10E/P的Datasheet PDF文件第5页
5
浏览型号PIC12CE673-10E/P的Datasheet PDF文件第6页
6
浏览型号PIC12CE673-10E/P的Datasheet PDF文件第7页
7
浏览型号PIC12CE673-10E/P的Datasheet PDF文件第8页
8
浏览型号PIC12CE673-10E/P的Datasheet PDF文件第9页
9
 
本平台电子爱好着纯手工中文简译:截至2020/5/17日,支持英文词汇500个
m
1998 微芯片 技术 公司
初步
ds40181b-第页 1
设备 包括 入点 这个 数据 工作表:
PIC12CE673
PIC12CE674
高性能 risc cpu:
仅 35 单独 字 说明 至 学习
全部 说明 是 单独 循环 (400 ns) 除了 用于
程序 分支机构 哪个 是 双循环
操作 速度: 直流 - 10 mhz 时钟 输入
直流 - 400 ns 说明书 循环
14-有点 宽 说明
8-有点 宽 数据 路径
中断 能力
特殊 功能 硬件 寄存器
8-水平 深 硬件 堆栈
直接, 间接 和 相对 寻址 模式 用于
数据 和 说明
外围设备 特点:
四-频道, 8-有点 一个/d 变频器
8-有点 真实 时间 时钟/计数器 (tmr0) 与 8-有点
可编程 预分频器
中断 开启 管脚 变更 (gp0, gp1, gp3)
1,000,000 擦除/写 循环 可擦可编程只读存储器 数据
记忆
可擦可编程只读存储器 数据 保留 > 40 年
设备
记忆
程序
数据
ram
数据
可擦可编程只读存储器
PIC12CE673 1024 x 14 128 x 8 16 x 8
PIC12CE674 2048 x 14 128 x 8 16 x 8
管脚 图表:
特殊 微控制器 特点:
在电路中 串行 编程 (icsp™)
内部 4 mhz 振荡器 与 可编程
校准
可选择 clockout
通电 重置 (por)
通电 计时器 (pwrt) 和 振荡器 启动
计时器 (ost)
看门狗 计时器 (wdt) 与 其 自己的 片上 rc
振荡器 用于 可靠 操作
可编程 代码 保护
电源 正在保存 睡眠 模式
内部 引体向上 开启 我/o 针脚 (gp0, gp1, gp3)
内部 上拉 开启 mclr
管脚
可选择 振荡器 选项:
- intrc: 精度 内部 4 mhz 振荡器
- extrc: 外部 低成本 rc 振荡器
- xt: 标准 水晶/谐振器
- hs: 高 速度 水晶/谐振器
- lp: 电源 正在保存, 低 频率 水晶
cmos 技术:
低-电源, 高速 cmos 非易失存储器/
可擦可编程只读存储器 技术
完全 静态 设计
宽 操作 电压 范围 2.5v 至 5.5v
商业, 工业, 和 扩展
温度 范围
低 电源 消费
&指示灯; 2 ma @ 5v, 4 mhz
15
µ
一个 典型 @ 3v, 32 khz
&指示灯; 1
µ
一个 典型 备用 电流
pdip, 窗口化cerdip
8
7
6
5
1
2
3
4
PIC12CE673
PIC12CE674
gp5/osc1/clkin
gp4/osc2/an3/clkout
gp3/mclr
/v
pp
v
dd
v
ss
gp0/an0
gp1/an1/v
参考
gp2/t0cki/an2/智力
8-管脚, 8-有点 cmos 微控制器 与 一个/d 变频器
和 可擦可编程只读存储器 数据 记忆
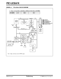
PIC12CE67X
资料评论区:
点击回复标题作者最后回复时间

标 题:
内 容:
用户名:
手机号:    (*未登录用户需填写手机号,手机号不公开,可用于网站积分.)
      
关于我们 | 联系我们
电    话13410210660             QQ : 84325569   点击这里与集成电路资料查询网联系
联系方式: E-mail:CaiZH01@163.com