>┊
首页 | 最新需求 | 最新现货 | IC库存 | 供应商 | IC英文资料库 | IC中文资料库 | IC价格 | 电路图 | 应用资料 | 技术资料
 IC型号: 
您现在的位置:首页 >  IC英文资料库 进入手机版 
 
资料编号:303368
 
资料名称:MAX1913EUB50
 
文件大小: 275.33K
   
说明
 
介绍:
60mA 1.5x High-Efficiency White LED Charge Pumps
 
 


: 点此下载
 
1
浏览型号MAX1913EUB50的Datasheet PDF文件第2页
2
浏览型号MAX1913EUB50的Datasheet PDF文件第3页
3
浏览型号MAX1913EUB50的Datasheet PDF文件第4页
4
浏览型号MAX1913EUB50的Datasheet PDF文件第5页
5
浏览型号MAX1913EUB50的Datasheet PDF文件第6页
6
浏览型号MAX1913EUB50的Datasheet PDF文件第7页
7
浏览型号MAX1913EUB50的Datasheet PDF文件第8页
8
浏览型号MAX1913EUB50的Datasheet PDF文件第9页
9
 
本平台电子爱好着纯手工中文简译:截至2020/5/17日,支持英文词汇500个
概述 描述
这 max1912/max1913* 电源 leds 与 一个 受规管
输出 电压 或 电流 (向上 至 60ma) 从 一个 unregu-
L已 输入 供应 (2.7v 至 5.3v). 这些 是 完成
直流-直流 转换器 要求 仅 四 小 陶瓷
电容器 和 否 电感器. 输入 波纹 是 最小化
由 一个 独一无二 法规 方案 那 维护 一个 固定
750khz 开关 频率 结束 一个 宽 荷载 范围.
也 包括 是 逻辑电平 停机 和 软启动 至
减少 输入 电流 浪涌 在 启动.
这 max1912 有 一个 减少 反馈 (设置) 阈值
来源. 这 max1913 有 一个 1.25v 设置 阈值 用于
最好 准确度 入点 电压反馈 应用程序.
正在连接 设置 至 入点 开启 这 max1913 选择 一个 预置
5.0v 输出 电压. 联系人 工厂 用于 电流感应
阈值 其他 比 200mv 或 预置 输出 电压
其他 比 5.0v
应用程序
背光 白色 led指示灯 偏置
细胞 电话
PDAs
数字 仍然 摄像头
mp3 玩家
备用电池 增压 转换器
特点
高效率 1.5x 费用 泵
低 输入 波纹 与 750khz 操作
200mv 电流感应 阈值 减少
电源 损失
电流- 或 电压-受规管 费用 泵
60ma 输出 电流
否 电感器 必填项
小 陶瓷 电容器
受规管 ±3% 输出 电压
荷载 已断开连接 入点 停机
1µa 停机 电流
小 10-管脚 µmax 包装
max1912/max1913
60ma 1.5x 高效率 白色 led指示灯
费用 泵
________________________________________________________________
马克西姆 综合 产品
1
订购 信息
1
2
3
4
5
10
9
8
7
6
设置
c1-
IN2
C2+C1+
c2-
IN1
max1912/
MAX1913
10-管脚
µ
最大值
顶部 查看
出点 SHDN
管脚 配置
19-2290; rev 0; 1/02
用于 定价, 交货, 和 订购 信息, 请 联系人 马克西姆/达拉斯市 direct!
1-888-629-4642, 或 参观 马克西姆’s 网站 在 www.马克西姆-集成电路.com.
零件 温度 范围 管脚-包装
MAX1912
EUB -40
°
c 至 +85
°
c 10 µmax
MAX1913
EUB50* -40
°
c 至 +85
°
c 10 µmax
选择器 指南
零件 模式 v
设置
v
出点
MAX1912
EUB 1.5x 200mV 可调 电流
MAX1913
EUB50* 1.5x 1.25v 5.0v 或 可调
v
入点
c
入点
C1
C2
c
出点
IN1
IN2
C1+
c1-
C2+
c2-
设置
出点
SHDN
MAX1912
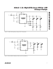
典型 操作 电路
*
未来 product—联系人 工厂 用于 可用性.
*
未来 product—联系人 工厂 用于 可用性.
资料评论区:
点击回复标题作者最后回复时间

标 题:
内 容:
用户名:
手机号:    (*未登录用户需填写手机号,手机号不公开,可用于网站积分.)
      
关于我们 | 联系我们
电    话13410210660             QQ : 84325569   点击这里与集成电路资料查询网联系
联系方式: E-mail:CaiZH01@163.com