>┊
首页 | 最新需求 | 最新现货 | IC库存 | 供应商 | IC英文资料库 | IC中文资料库 | IC价格 | 电路图 | 应用资料 | 技术资料
 IC型号: 
您现在的位置:首页 >  IC英文资料库 进入手机版 
 
资料编号:340953
 
资料名称:PSD4235G2-20MI
 
文件大小: 503.01K
   
说明
 
介绍:
Flash In-System-Programmable Peripherals for 16-Bit MCUs
 
 


: 点此下载
 
1
浏览型号PSD4235G2-20MI的Datasheet PDF文件第2页
2
浏览型号PSD4235G2-20MI的Datasheet PDF文件第3页
3
浏览型号PSD4235G2-20MI的Datasheet PDF文件第4页
4
浏览型号PSD4235G2-20MI的Datasheet PDF文件第5页
5
浏览型号PSD4235G2-20MI的Datasheet PDF文件第6页
6
浏览型号PSD4235G2-20MI的Datasheet PDF文件第7页
7
浏览型号PSD4235G2-20MI的Datasheet PDF文件第8页
8
浏览型号PSD4235G2-20MI的Datasheet PDF文件第9页
9
 
本平台电子爱好着纯手工中文简译:截至2020/5/17日,支持英文词汇500个
1/89
初步 数据
12月 2001
这个 是 初步 信息 开启 一个 新建 产品 现在 入点 发展 或 正在进行 评价. 详细信息 是 主题 至 变更 无 通知.
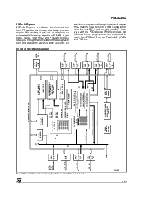
PSD4235G2
闪光灯 在系统内 可编程 (isp) 外围设备
用于 16-有点 mcus (5v 供应)
特点 摘要
psd 提供 一个 综合 解决方案 至 16-有点 mcu
基于 应用程序 那 包括 可配置
回忆, pld 逻辑 和 我/o:
双 银行 闪光灯 回忆
4 mbit 的 主要 闪光灯 记忆 (8 制服
扇区, 32k x 16)
并发 操作: 阅读 从 一个 记忆
同时 擦除 和 写作 这 其他
64 kbit sram (蓄电池 背)
pld 与 宏单元
结束 3000 盖茨 的 pld: cpld 和 dpld
cpld 与 16 输出 宏单元 (omcs) 和
24 输入 宏单元 (imcs)
dpld – 用户 已定义 内部 芯片 选择 de-
编码
七 l/o 端口 与 52 我/o 针脚
52 单独 可配置 我/o 港口 针脚 那
可以 是 已使用 用于 这 以下内容 功能:
mcu 我/操作系统
–pld 我/操作系统
锁定 mcu 地址 输出
特殊 功能 l/操作系统
l/o 端口 将 是 已配置 作为 开漏极
产出
在系统内 编程 (isp) 与 jtag
内置 jtag 符合 串行 港口 允许 已满-
芯片 在系统内 可编程性
测试 和 编程
使用 低 成本 flashlink 电缆 与 pc
第页 注册
内部 第页 注册 那 可以 是 已使用 至 ex-
pand 这 微控制器 地址 空间 由 一个
因素 的 256
可编程 电源 管理
高 耐力:
100,000 擦除/写 循环次数 的 闪光灯 记忆
1,000 erasewrite 循环次数 的 pld
15 年份 数据 保留
单独 供应 电压
–5v ±10%
记忆 速度
70ns 闪光灯 记忆 和 sram 访问权限 时间
图 1. 软件包
tqfp80 (u)
资料评论区:
点击回复标题作者最后回复时间

标 题:
内 容:
用户名:
手机号:    (*未登录用户需填写手机号,手机号不公开,可用于网站积分.)
      
关于我们 | 联系我们
电    话13410210660             QQ : 84325569   点击这里与集成电路资料查询网联系
联系方式: E-mail:CaiZH01@163.com