>┊
首页 | 最新需求 | 最新现货 | IC库存 | 供应商 | IC英文资料库 | IC中文资料库 | IC价格 | 电路图 | 应用资料 | 技术资料
 IC型号: 
您现在的位置:首页 >  IC英文资料库 进入手机版 
 
资料编号:35536
 
资料名称:SN74LV4052ADGVR
 
文件大小: 558.87K
   
说明
 
介绍:
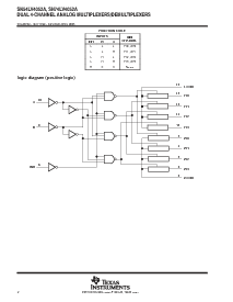
DUAL 4-CHANNEL ANALOG MULTIPLEXRS/DEMULTIPLEXERS
 
 


: 点此下载
 
1
浏览型号SN74LV4052ADGVR的Datasheet PDF文件第2页
2
浏览型号SN74LV4052ADGVR的Datasheet PDF文件第3页
3
浏览型号SN74LV4052ADGVR的Datasheet PDF文件第4页
4
浏览型号SN74LV4052ADGVR的Datasheet PDF文件第5页
5
浏览型号SN74LV4052ADGVR的Datasheet PDF文件第6页
6
浏览型号SN74LV4052ADGVR的Datasheet PDF文件第7页
7
浏览型号SN74LV4052ADGVR的Datasheet PDF文件第8页
8
浏览型号SN74LV4052ADGVR的Datasheet PDF文件第9页
9
 
本平台电子爱好着纯手工中文简译:截至2020/5/17日,支持英文词汇500个
 
   
scls429h − 将 1999 −修订 april 2005
1
post 办公室 框 655303
达拉斯市, 德州 75265
2-v 至 5.5-v v
抄送
操作
支持 混合模式 电压 操作 开启
全部 端口
快 开关
高 on-off 输出-电压 比率
低 串扰 之间 开关
极其 低 输入 电流
闩锁 业绩 超过 100 ma 按
jesd 78, 类 二
esd 保护 超过 jesd 22
− 2000-v 人体 型号 (a114-一个)
− 200-v 机器 型号 (a115-一个)
− 1000-v 已充电-设备 型号 (c101)
这些 双 4-频道 cmos 模拟
多路复用器/demultiplexers 是 设计 用于 2-v
至 5.5-v v
抄送
操作.
这 ’lv4052a 设备 手柄 两者都有 模拟 和
数字 信号. 每个频道 许可证 信号 与
振幅 向上至 5.5 v (峰值) 至 是 已传输 入点
要么 方向.
应用程序 包括 信号 浇口, 切碎,
调制或 解调 (调制解调器), 和 信号
多路复用 用于 模数转换 和 数字-至-
模拟 换算 系统.
订购 信息
t
一个
包装
可订购
零件 号码
顶侧
标记
pdip − n 导管 的 25 SN74LV4052AN SN74LV4052AN
qfn − rgy 卷轴 的 1000 SN74LV4052ARGYR LW052A
soic − d
导管 的 40 SN74LV4052AD
LV4052A
soic − d
卷轴 的 2500 SN74LV4052ADR
LV4052A
−40
°
c 至 85
°
c
sop − ns 卷轴 的 2000 SN74LV4052ANSR 74LV4052A
−40
°
c 至 85
°
c
ssop − db 卷轴 的 2000 SN74LV4052ADBR LW052A
导管 的 90 SN74LV4052APW
tssop − pw
卷轴 的 2000 SN74LV4052APWR
LW052A
tssop − pw
卷轴 的 250 SN74LV4052APWT
LW052A
tvsop − dgv 卷轴 的 2000 SN74LV4052ADGVR LW052A
−55
°
c 至 125
°
c
cdip − j 导管 的 25 SNJ54LV4052AJ SNJ54LV4052AJ
−55
°
c 至 125
°
c
cfp − w 导管 的 150 SNJ54LV4052AW SNJ54LV4052AW
包装图纸, 标准 填料 工程量, 热 数据, 符号化, 和 pcb 设计 准则
是 可用 在 www.ti.com/sc/包装.
版权
2005, 德州 仪器仪表 股份公司
      
         
        
        

请 是 意识到 那 一个 重要 通知 关于 可用能力, 标准 保修, 和 使用 入点 关键 应用程序 的
德州 仪器仪表 半导体 产品 和 免责声明 对此 出现 在 这 结束 的 这个 数据 工作表.
1
2
3
4
5
6
7
8
16
15
14
13
12
11
10
9
2Y0
2Y2
2-com
2Y3
2Y1
inh
v
抄送
1Y2
1Y1
1-com
1Y0
1Y3
一个
B
SN54LV4052A ...j 或 w p组件
SN74LV4052A . . . d, db, dgv, n, ns, 或 pw 包装
(顶部 查看)
SN74LV4052A . . . rgy 包装
(顶部 查看)
116
89
2
3
4
5
6
7
15
14
13
12
11
10
1Y2
1Y1
1-com
1Y0
1Y3
一个
2Y2
2-com
2Y3
2Y1
inh
2Y0
B
v
抄送
资料评论区:
点击回复标题作者最后回复时间

标 题:
内 容:
用户名:
手机号:    (*未登录用户需填写手机号,手机号不公开,可用于网站积分.)
      
关于我们 | 联系我们
电    话13410210660             QQ : 84325569   点击这里与集成电路资料查询网联系
联系方式: E-mail:CaiZH01@163.com