>┊
首页 | 最新需求 | 最新现货 | IC库存 | 供应商 | IC英文资料库 | IC中文资料库 | IC价格 | 电路图 | 应用资料 | 技术资料
 IC型号: 
您现在的位置:首页 >  IC英文资料库 进入手机版 
 
资料编号:358619
 
资料名称:GS7660IP
 
文件大小: 112.42K
   
说明
 
介绍:
Switched-Capacitor Voltage Converter
 
 


: 点此下载
 
1
浏览型号GS7660IP的Datasheet PDF文件第2页
2
浏览型号GS7660IP的Datasheet PDF文件第3页
3
浏览型号GS7660IP的Datasheet PDF文件第4页
4
浏览型号GS7660IP的Datasheet PDF文件第5页
5
浏览型号GS7660IP的Datasheet PDF文件第6页
6
浏览型号GS7660IP的Datasheet PDF文件第7页
7
浏览型号GS7660IP的Datasheet PDF文件第8页
8
浏览型号GS7660IP的Datasheet PDF文件第9页
9
 
本平台电子爱好着纯手工中文简译:截至2020/5/17日,支持英文词汇500个
描述
这 gs7660 是 一个 单片 cmos 已切换 电容器
电压 变频器, 设计 至 是 一个 改进 直接
更换 的 这 受欢迎 icl7660, max1044 和
ltc1044. 他们 执行 供应 电压 转换 从
正 至 负 用于 一个 输入 电压 范围 的 +1.5v 至
+6.0v 至 他们的 负 补件 的 –1.5v 至 –6.0v.
这 输入 电压 可以 也 是 翻倍 (v
出点
= 2v
入点
),
减半 (v
出点
入点
/2), 或 相乘 (v
出点
= ± n.v
入点
).
包含 开启 这 芯片 是 一个 系列 电源 供应 regula-
托尔, 振荡器, 控制 电路 和 四 电源 mos
开关. 这 振荡器, 当 已卸载, 振荡 在 一个
标称值 频率 的 10 khz, 与 一个 输入 电压 的 5.0v.
这个 频率 可以 是 降低 由 这 加法 的 一个 外部
电容器 至 这 “osc” 终端 或 过度驱动 由 一个 外部
频率 来源.
一个 振荡器 “boost” 功能 是 可用 至 增加 这
振荡器 频率 哪个 将 优化 业绩 的
某些 参数. 这 lv 输入 可以 是 已连接 至
接地 至 改善 低 电压 操作 (v
入点
3v), 或 左
打开 用于 输入 电压 更大 比 3v 至 减少 电源
耗散.
这 gs7660 提供 上级 业绩 结束 较早
设计 由 组合 低 输出 阻抗 和 低 奎-
escent 电流 与 高 效率 和 由 消除 二极管
电压 掉落 损失. 这 仅 外部 组件
必填项 是 两个 低 成本 电解 电容器.
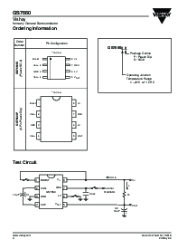
8 管脚 倾角
所以-8
特点
低 输出 阻抗 ( 典型 35
入点
= 5v )
低 静态 电流 ( 典型 36
µ
一个 在 v
入点
= 5v)
高 电源 换算 效率 ( 典型 98% )
简单 和 准确 电压 换算 从
正 至 负 极性
改进 闩锁 保护
否 外部 二极管 必填项
应用程序
5v 供应 从 + 5v 逻辑 供应
eia/tia
232e 和 eia/tia
562 电源 供应品
便携式 电话
数据 收购 系统
个人 通信 设备
面板 米
手持设备 仪器仪表
典型 应用程序 电路
10
µ
f
C1
v
出点
= --v
入点
v
入点
(1.5v 至 6v)
必填项 用于
v
入点
3V
+
+
10
µ
f
C2
GS7660
负 电压变频器
1
2
3
4
5
6
7
8
GS7660
vishay
以前 概述 半导体
文件 号码 74819 www.vishay.com
24-将-02 1
新建 产品
开关电容器 电压变频器
资料评论区:
点击回复标题作者最后回复时间

标 题:
内 容:
用户名:
手机号:    (*未登录用户需填写手机号,手机号不公开,可用于网站积分.)
      
关于我们 | 联系我们
电    话13410210660             QQ : 84325569   点击这里与集成电路资料查询网联系
联系方式: E-mail:CaiZH01@163.com