>┊
首页 | 最新需求 | 最新现货 | IC库存 | 供应商 | IC英文资料库 | IC中文资料库 | IC价格 | 电路图 | 应用资料 | 技术资料
 IC型号: 
您现在的位置:首页 >  IC英文资料库 进入手机版 
 
资料编号:36487
 
资料名称:BQ29312ARTH
 
文件大小: 1141.89K
   
说明
 
介绍:
TWO-CELL, THREE-CELL, AND FOUR-CELL LITHIUM-ION OR LITHIUM-POLYMER BATTERY PROTECTION AFE
 
 


: 点此下载
 
1
浏览型号BQ29312ARTH的Datasheet PDF文件第2页
2
浏览型号BQ29312ARTH的Datasheet PDF文件第3页
3
浏览型号BQ29312ARTH的Datasheet PDF文件第4页
4
浏览型号BQ29312ARTH的Datasheet PDF文件第5页
5
浏览型号BQ29312ARTH的Datasheet PDF文件第6页
6
浏览型号BQ29312ARTH的Datasheet PDF文件第7页
7
浏览型号BQ29312ARTH的Datasheet PDF文件第8页
8
浏览型号BQ29312ARTH的Datasheet PDF文件第9页
9
 
本平台电子爱好着纯手工中文简译:截至2020/5/17日,支持英文词汇500个
pw RTH
www.ti.com
FEATURESAPPLICATIONS
描述
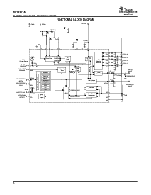
SYSTEMPARTITIONINGDIAGRAM
ldo, 热 输出 驱动器 &放大器; uvlo
电源 管理
ldo, tout, 和 电源 模式 控制
2
c
容量 prediction &指示灯;1% 错误
SMBus
空调组件 +
空调组件 -
放电 / 费用 /
预充电 fets
细胞 和 空调组件
v
测量
预充电
场效应晶体管 驱动器
2-tier 过流 保护
32-khz 时钟
发电机
bq2084
768 字节数 的
用户 闪光灯
保险丝
1
st
水平 ov 和
uv 保护
空调组件 欠压
电源 模式
控制
预充电 控制
延迟 计数器
细胞 平衡
算法 和 控制
细胞 平衡
驱动器
系统 接口
系统 w
atchdog
v
旧 水平 翻译器
系统 接口
32 khz
电源 模式 控制
故障安全 保护
T1
1
st
水平 oc
保护
t
温度 测量
&指示灯;1% 错误
t
智力
供应 v
bq29312A
pch 场效应晶体管 驱动器
ram 寄存器
sbs v1.1 数据
bq29312 ram/comms v
alidation
2 钕 水平 过电压 保护
XAlert
睡眠
感觉 电阻
(10 - 30 m
w
)
pf 输入
bq29312A
SLUS629A–JANUARY2005–REVISEDAUGUST2005
双电池,三格,和四个-celllithium-ionor
锂-polymerbatteryprotectionafe
NotebookPCs
2-,3-,or4-cellseriesprotectioncontrol
MedicalandTestEquipment
CanDirectlyInterfaceWiththebq2084Gas
PortableInstrumentation
量规
ProvidesIndividualCellVoltagesandBattery
VoltagetoBatteryManagementHost
thebq29312aisa2-,3-,or4-celllithium-ionbattery
IntegratedCellBalancingDrive
packprotectionanalogfrontend(afe)icthat
2
CCompatibleUserInterfaceAllowsAccess
incorporatesa3.3-v,25-malow-dropoutregulator
toBatteryInformation
(ldo).thebq29312aalsointegratesani
2
ccompat-
ProgrammableThresholdandDelayfor
ibleinterfacetoextractbatteryparameterssuchas
OverloadandShortCircuitDuringChargeand
cellvoltagesandcontroloutputstatus.otherpar-
放电
ameterssuchascurrentprotectionthresholdsand
delayscanbeprogrammedintothebq29312Ato
SystemAlertInterruptOutput
increasetheflexibilityofthebatterymanagement
HostControlCanInitiateSleepPowerMode
系统.
andShipMode
thebq29312aprovidessafetyprotectionforover-
integrated3.3-v,25-maldo
费用,过载,短路,过电压,和
supplyvoltagerangefrom4.5vto25v
undervoltageconditionswiththebatterymanagement
主机.inoverloadandshort-circuitconditions,这
lowsupplycurrentof60-µatypical
bq29312AturnstheFETdriveoffautonomously
bq29312Ais100%specificationcompatible
dependantontheinternalconfigurationsetting.
withthebq29312
pleasebeawarethatanimportantnoticeconcerningavailability,标准保修,anduseincriticalapplicationsoftexas
instrumentssemiconductorproductsanddisclaimerstheretoappearsattheendofthisdatasheet.
productiondatainformationiscurrentasofpublicationdate.
copyright©2005,texasinstrumentsincorporated
ProductsconformtospecificationsperthetermsoftheTexas
instrumentsstandardwarranty.productionprocessingdoesnot
必要包括测试所有参数.
资料评论区:
点击回复标题作者最后回复时间

标 题:
内 容:
用户名:
手机号:    (*未登录用户需填写手机号,手机号不公开,可用于网站积分.)
      
关于我们 | 联系我们
电    话13410210660             QQ : 84325569   点击这里与集成电路资料查询网联系
联系方式: E-mail:CaiZH01@163.com