>┊
首页 | 最新需求 | 最新现货 | IC库存 | 供应商 | IC英文资料库 | IC中文资料库 | IC价格 | 电路图 | 应用资料 | 技术资料
 IC型号: 
您现在的位置:首页 >  IC英文资料库 进入手机版 
 
资料编号:368915
 
资料名称:TLC5941RHBRG4
 
文件大小: 513.17K
   
说明
 
介绍:
16-CHANNEL LED DRIVER WITH DOT CORRECTION AND GRAYSCALE PWM CONTROL
 
 


: 点此下载
 
1
浏览型号TLC5941RHBRG4的Datasheet PDF文件第2页
2
浏览型号TLC5941RHBRG4的Datasheet PDF文件第3页
3
浏览型号TLC5941RHBRG4的Datasheet PDF文件第4页
4
浏览型号TLC5941RHBRG4的Datasheet PDF文件第5页
5
浏览型号TLC5941RHBRG4的Datasheet PDF文件第6页
6
浏览型号TLC5941RHBRG4的Datasheet PDF文件第7页
7
浏览型号TLC5941RHBRG4的Datasheet PDF文件第8页
8
浏览型号TLC5941RHBRG4的Datasheet PDF文件第9页
9
 
本平台电子爱好着纯手工中文简译:截至2020/5/17日,支持英文词汇500个
PWP RHB nt
www.ti.com
FEATURESAPPLICATIONS
描述
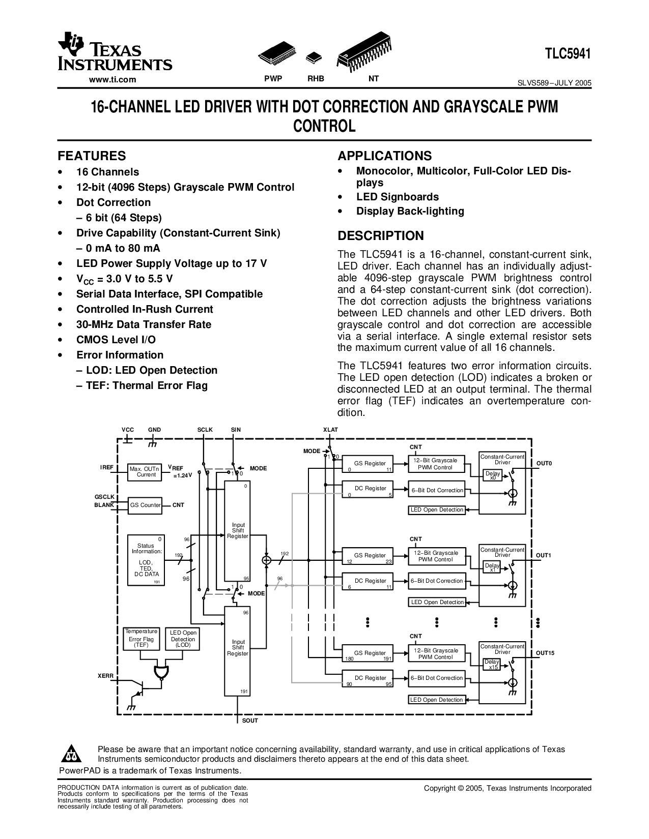
延迟
x0
6−bit 圆点 校正
12−bit grayscale
pwm 控制
直流 注册
gs 注册
恒流
驾驶员
led指示灯 打开 检测
温度
错误 旗子
(tef)
最大值 outn
电流
延迟
x1
6−bit 圆点 校正
12−bit grayscale
pwm 控制
直流 注册
gs 注册
恒流
驾驶员
led指示灯 打开 检测
延迟
x15
6−bit 圆点 校正
12−bit grayscale
pwm 控制
直流 注册
gs 注册
恒流
驾驶员
led指示灯 打开 检测
OUT0
OUT1
OUT15
SOUT
SINSCLK
IREF
XERR
XLAT
GSCLK
空白
GNDVCC
模式
输入
轮班
注册
输入
轮班
注册
模式
110
2312
191180
9590
5
模式
0
95
96
191
led指示灯 打开
检测
(lod)
6 11
0
192
96
01
01
01
gs 计数器
CNT
CNT
CNT
CNT
96
96
状态
信息:
lod,
泰德,
TLC5941
SLVS589–JULY2005
16-channelleddriverwithdotcorrectionandgrayscalepwm
控制
monocolor,multicolor,已满-colorleddis-
16Channels
播放
12-有点(4096steps)grayscalepwmcontrol
LEDSignboards
DotCorrection
displayback-照明
–6bit(64steps)
drivecapability(常数-currentsink)
–0mAto80mA
thetlc5941isa16-频道,常数-currentsink,
LEDPowerSupplyVoltageupto17V
leddriver.eachchannelhasanindividuallyadjust-
able4096-stepgrayscalepwmbrightnesscontrol
v
抄送
=3.0vto5.5v
anda64-stepconstant-currentsink(dotcorrection).
serialdatainterface,spicompatible
Thedotcorrectionadjuststhebrightnessvariations
controlledin-rushcurrent
betweenledchannelsandotherleddrivers.两者都有
grayscalecontrolanddotcorrectionareaccessible
30-mhzdatatransferrate
viaaserialinterface.asingleexternalresistorsets
cmosleveli/o
themaximumcurrentvalueofall16channels.
ErrorInformation
thetlc5941featurestwoerrorinformationcircuits.
–lod:ledopendetection
theledopendetection(lod)indicatesabrokenor
–tef:thermalerrorflag
disconnectedledatanoutputterminal.thethermal
errorflag(tef)indicatesanovertemperaturecon-
条件.
pleasebeawarethatanimportantnoticeconcerningavailability,标准保修,anduseincriticalapplicationsoftexas
instrumentssemiconductorproductsanddisclaimerstheretoappearsattheendofthisdatasheet.
powerpadisatrademarkoftexasinstruments.
productiondatainformationiscurrentasofpublicationdate.
copyright©2005,texasinstrumentsincorporated
ProductsconformtospecificationsperthetermsoftheTexas
instrumentsstandardwarranty.productionprocessingdoesnot
必要包括测试所有参数.
资料评论区:
点击回复标题作者最后回复时间

标 题:
内 容:
用户名:
手机号:    (*未登录用户需填写手机号,手机号不公开,可用于网站积分.)
      
关于我们 | 联系我们
电    话13410210660             QQ : 84325569   点击这里与集成电路资料查询网联系
联系方式: E-mail:CaiZH01@163.com