>┊
首页 | 最新需求 | 最新现货 | IC库存 | 供应商 | IC英文资料库 | IC中文资料库 | IC价格 | 电路图 | 应用资料 | 技术资料
 IC型号: 
您现在的位置:首页 >  IC英文资料库 进入手机版 
 
资料编号:378620
 
资料名称:HI2315
 
文件大小: 81.05K
   
说明
 
介绍:
10-Bit, 80 MSPS D/A Converter (Ultra-Low Glitch Version)
 
 


: 点此下载
 
1
浏览型号HI2315的Datasheet PDF文件第2页
2
浏览型号HI2315的Datasheet PDF文件第3页
3
浏览型号HI2315的Datasheet PDF文件第4页
4
浏览型号HI2315的Datasheet PDF文件第5页
5
浏览型号HI2315的Datasheet PDF文件第6页
6
浏览型号HI2315的Datasheet PDF文件第7页
7
浏览型号HI2315的Datasheet PDF文件第8页
8
浏览型号HI2315的Datasheet PDF文件第9页
9
 
本平台电子爱好着纯手工中文简译:截至2020/5/17日,支持英文词汇500个
10-1
8月 1997
HI2315
10-有点, 80 msps d/一个 变频器
(超-低 毛刺 版本)
特点
吞吐量 费率 . . . . . . . . . . . . . . . . . . . . . . . . . 80MHz
低 电源 . . . . . . . . . . . . . . . . . . . . . . . . . . . . . .150mW
单独 电源 供应 . . . . . . . . . . . . . . . . . . . . . . . . .+5V
差速器 线性度 错误 . . . . . . . . . . . . . . .
±
0.5 lsb
ttl/cmos 兼容 输入
已建成 入点 带隙 电压 参考
电源 向下 和 下料 控制 针脚
低 毛刺
管脚 兼容 与 sony cxd2306
直接 更换 用于 sony cxd2315q
应用程序
无线 通信
直接 数字 频率 合成
信号 重建
测试一下 设备
高 分辨率 成像 和 图形 系统
描述
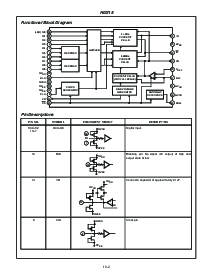
这 hi2315 是 一个 10-有点, 80mhz, 高 速度, 低 电源 cmos
d/一个 变频器. 这 变频器 包含 一个 10-有点 输入 数据
注册 与 电流 产出. 这 hi2315 包括 一个 电源
向下 功能 那 减少 电源 消费 和 一个 下料
控制. 这 片上 带隙 参考 可以 是 已使用 至 设置 这
输出 电流 范围 的 这 d/一个.
引出线
HI2315
(mqfp)
顶部 查看
订购 信息
零件
号码
温度
范围 (
o
c) 包装 pkg. 否.
HI2315JCQ -20 至 75 32 ld mqfp q32.7x7-s
nc
设计验证
ss
vb
设计验证
dd
nc
ce
BLK
clk
av
ss
nc
设计验证
ss
设计验证
dd
nc
d0 (lsb)
D1
D2
D3
D4
D5
D6
D7
D8
d9 (msb)
nc
1
2
3
4
5
6
7
8
32 31 30 29 28 27 26 25
24
23
22
21
20
19
18
17
9 10111213141516
io
io
VG
av
dd
av
dd
v
参考
s
参考
参考
文件 号码
4119.1
注意事项: 这些 设备 是 敏感 至 静电 放电; 跟着 适当的 集成电路 搬运 程序.
http://www.intersil.com 或 407-727-9207
|
版权
©
intersil 公司 1999
资料评论区:
点击回复标题作者最后回复时间

标 题:
内 容:
用户名:
手机号:    (*未登录用户需填写手机号,手机号不公开,可用于网站积分.)
      
关于我们 | 联系我们
电    话13410210660             QQ : 84325569   点击这里与集成电路资料查询网联系
联系方式: E-mail:CaiZH01@163.com