>┊
首页 | 最新需求 | 最新现货 | IC库存 | 供应商 | IC英文资料库 | IC中文资料库 | IC价格 | 电路图 | 应用资料 | 技术资料
 IC型号: 
您现在的位置:首页 >  IC英文资料库 进入手机版 
 
资料编号:378634
 
资料名称:HI2300JCQ
 
文件大小: 96.04K
   
说明
 
介绍:
8-Bit, 18 MSPS, Video A/D Converter with 3.3V Power Supply Operation
 
 


: 点此下载
 
1
浏览型号HI2300JCQ的Datasheet PDF文件第2页
2
浏览型号HI2300JCQ的Datasheet PDF文件第3页
3
浏览型号HI2300JCQ的Datasheet PDF文件第4页
4
浏览型号HI2300JCQ的Datasheet PDF文件第5页
5
浏览型号HI2300JCQ的Datasheet PDF文件第6页
6
浏览型号HI2300JCQ的Datasheet PDF文件第7页
7
浏览型号HI2300JCQ的Datasheet PDF文件第8页
8
 
本平台电子爱好着纯手工中文简译:截至2020/5/17日,支持英文词汇500个
4-1230
8月 1997
HI2300
8-有点, 18 msps, 视频 一个/d 变频器
与 3.3v 电源 供应 操作
特点
分辨率 . . . . . . . . . . . . . . . . . . . . 8-有点
±
1
/
2
lsb (dl)
最大值 取样 频率 . . . . . . . . . . . 18 msps
低 电源 消费 在 18 msps (典型值)
(参考 电流 已排除) . . . . . . . . . . . . . . .18mW
正在同步 卡箍 功能
卡箍 开关 功能
参考 电压 自偏 电路
输入 cmos 兼容
三态 ttl 兼容 输出
电源 供应 . . . . . . . . . . . . . . . . . . . . . . . . 3.3v 单独
低 输入 电容. . . . . . . . . . . . . . . . . . . . . . . 8pF
参考 阻抗. . . . . . . . . . . . . . . . . . 330
(典型值)
直接 更换 用于 sony cxd2300
应用程序
便携式 设备
手持 仪器仪表
描述
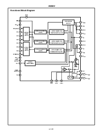
这 hi2300 是 一个 8-有点, cmos 一个/d 变频器 用于 视频 与
正在同步 卡箍 功能 和 可以 操作 开启 3.3v
电源 供应. 这 adoption 的 2 步骤-平行 方法
达到 超-低 电源 消费 和 一个 最大值
换算 速度 的 18 msps.
引出线
HI2300
(mqfp)
顶部 查看
订购 信息
零件
号码
温度
范围 (
o
c) 包装 pkg. 否.
HI2300JCQ -40 至 85 32 ld mqfp q32.7x7-s
av
dd
CLP
测试一下
测试一下
clk
测试一下
设计验证
dd
测试一下
v
RBS
v
参考
CCP
设计验证
ss
cle
oe
设计验证
ss
nc
D0
D1
D2
D3
D4
D5
D6
D7
v
RB
av
ss
av
ss
v
入点
av
dd
av
dd
v
rt
v
rts
1
2
3
4
5
6
7
8
161514131211109
17
18
19
20
21
22
23
24
3231 30 29 28 27 26 25
文件 号码
4103.1
注意事项: 这些 设备 是 敏感 至 静电 放电; 跟着 适当的 集成电路 搬运 程序.
1-888-intersil 或 321-724-7143 | 版权 © intersil 公司 1999
资料评论区:
点击回复标题作者最后回复时间

标 题:
内 容:
用户名:
手机号:    (*未登录用户需填写手机号,手机号不公开,可用于网站积分.)
      
关于我们 | 联系我们
电    话13410210660             QQ : 84325569   点击这里与集成电路资料查询网联系
联系方式: E-mail:CaiZH01@163.com