>┊
首页 | 最新需求 | 最新现货 | IC库存 | 供应商 | IC英文资料库 | IC中文资料库 | IC价格 | 电路图 | 应用资料 | 技术资料
 IC型号: 
您现在的位置:首页 >  IC英文资料库 进入手机版 
 
资料编号:378642
 
资料名称:HI2307
 
文件大小: 685.53K
   
说明
 
介绍:
Triple 10-Bit, 50 MSPS, RGB, 3-Channel D/A Converter
 
 


: 点此下载
 
1
浏览型号HI2307的Datasheet PDF文件第2页
2
浏览型号HI2307的Datasheet PDF文件第3页
3
浏览型号HI2307的Datasheet PDF文件第4页
4
浏览型号HI2307的Datasheet PDF文件第5页
5
浏览型号HI2307的Datasheet PDF文件第6页
6
浏览型号HI2307的Datasheet PDF文件第7页
7
浏览型号HI2307的Datasheet PDF文件第8页
8
浏览型号HI2307的Datasheet PDF文件第9页
9
 
本平台电子爱好着纯手工中文简译:截至2020/5/17日,支持英文词汇500个
10-1
®
8月 1997
HI2307
三倍 10-有点, 50 msps,
rgb, 3-频道 d/一个 变频器
特点
分辨率 . . . . . . . . . . . . . . . . . . . . . . . . . .三倍 10-有点
最大值 换算 速度. . . . . . . . . . . . . . . 50MHz
rgb 3-频道 输入/输出
差速器 线性度 错误 . . . . . . . . . . . . . . .
±
0.5 lsb
低 电源 消费. . . . . . . . . . . . .300mw (最大值)
单独 电源 供应 . . . . . . . . . . . . . . . . . . . . . . . . . +5V
低 毛刺
直接 更换 用于 sony cxd2307
应用程序
图形 显示
高 分辨率 颜色 图形
视频 重建
仪器仪表
图像 加工
我/q 调制
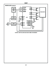
描述
这 hi2307 是 一个 三倍 10-有点, 高-速度, cmos d/一个
变频器 设计 用于 视频 乐队 使用. 它 有 三个 国家环保总局-
费率, 10-有点, 像素 输入, 一个 每个 用于 红色, green, 和 蓝色
视频 数据. 一个 单独 5.0v 电源 供应 和 像素 时钟 输入
是 全部 那 是 必填项 至 制造 这 设备 运营. 一个 偏差
电压 发电机 是 内部. 每个 频道 时钟 输入 可以
是 受控 单独, 或 已连接 一起 作为 一个. 这
hi2307 也 有 空白 视频 控制 信号.
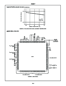
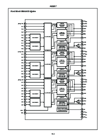
引出线
HI2307
(mqfp)
顶部 查看
订购 信息
零件
号码
温度
范围 (
o
c) 包装 pkg. 否.
HI2307JCQ -20 至 75 64 ld mqfp q64.10x10-s
6463 62 61 60 59 58 57 56 55 54 53 52 51 50 49
17 18 19 20 21 22 23 24 25 26 27 28 29 30 31 32
1
2
3
4
5
6
7
8
9
10
11
12
13
14
15
16
R1
ro (lsb)
设计验证
dd
av
dd
av
dd
bo
bo
av
dd
av
dd
av
dd
av
dd
ro
ro
av
ss
G8
G9
B1
b0 (lsb)
B2
B3
B4
B5
B6
B7
B8
RCK
BLK
ce
B9
GCK
48
47
46
45
44
43
42
41
40
39
38
37
36
35
34
33
VGB
罗伯
VGG
ROG
VGR
ror
VRB
VRG
VRR
IRB
IRG
IRR
av
ss
vb
设计验证
ss
BCK
R2
R3
R4
R5
R6
R7
R8
R9
g0 (lsb)
G1
G2
G3
G4
G5
G6
G7
注意事项: 这些 设备 是 敏感 至 静电 放电; 跟着 适当的 集成电路 搬运 程序.
1-888-intersil 或 321-724-7143
|
intersil (和 设计) 是 一个 已注册 商标 的 intersil 美洲 公司
版权 © intersil 美洲 公司 2002. 全部 权利 保留
文件 号码
4117.1
n
o
t
e?
c
o
m
m
e?
n
d
e?
d
f
o
n
e?
w
d
e?
s
g
n
s
s
e?
e?
h
3
0
5
0
o
c
o
n
t
一个
c
t
o
u
t
e?
c
h
n
c
一个
l
s
u
p
p
o
t
c
e?
n
t
e?
一个
t
1
-
8
8
8
-
n
t
e?
s
l
o
w
w
w
.
n
t
e?
s
l
.
c
o
m
/
t
s
c
资料评论区:
点击回复标题作者最后回复时间

标 题:
内 容:
用户名:
手机号:    (*未登录用户需填写手机号,手机号不公开,可用于网站积分.)
      
关于我们 | 联系我们
电    话13410210660             QQ : 84325569   点击这里与集成电路资料查询网联系
联系方式: E-mail:CaiZH01@163.com