>┊
首页 | 最新需求 | 最新现货 | IC库存 | 供应商 | IC英文资料库 | IC中文资料库 | IC价格 | 电路图 | 应用资料 | 技术资料
 IC型号: 
您现在的位置:首页 >  IC英文资料库 进入手机版 
 
资料编号:378651
 
资料名称:HI2303EVAL
 
文件大小: 162.28K
   
说明
 
介绍:
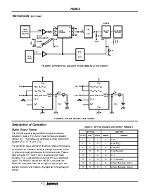
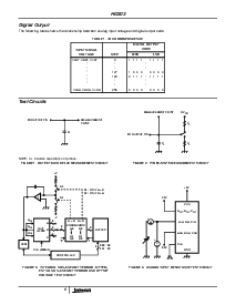
Triple 8-Bit, 50 MSPS, Video A/D Converter with Clamp Function
 
 


: 点此下载
 
1
浏览型号HI2303EVAL的Datasheet PDF文件第2页
2
浏览型号HI2303EVAL的Datasheet PDF文件第3页
3
浏览型号HI2303EVAL的Datasheet PDF文件第4页
4
浏览型号HI2303EVAL的Datasheet PDF文件第5页
5
浏览型号HI2303EVAL的Datasheet PDF文件第6页
6
浏览型号HI2303EVAL的Datasheet PDF文件第7页
7
浏览型号HI2303EVAL的Datasheet PDF文件第8页
8
浏览型号HI2303EVAL的Datasheet PDF文件第9页
9
 
本平台电子爱好着纯手工中文简译:截至2020/5/17日,支持英文词汇500个
1
注意事项: 这些 设备 是 敏感 至 静电 放电; 跟着 适当的 集成电路 搬运 程序.
1-888-intersil 或 321-724-7143
|
版权
©
intersil 公司 1999
HI2303
三倍 8-有点, 50 msps, 视频 一个/d
变频器 与 卡箍 功能
这 hi2303 是 一个 高度 综合 8-有点, 3-频道 模拟-至-
数字 变频器 那 是 设计 用于 组件 (喜欢 rgb)
数字化 应用程序. 这 内部 直流 还原 (视频
卡箍) 功能 和 电压 参考 简单 系统
设计 和 保存 板 空间. 这 hi2303 可以 数字化
rgb, yuv, yiq 和 任何 其他 模拟 组件 颜色
信号 已使用 入点 视频 系统. 这 品种 的 sub-取样
模式 兼容 rgb, YUV YIQ 颜色 系统
在哪里 4:4:4, 4:2:2 和 4:1:1 数据 减少 是 需要. 这
2-步骤 体系结构 夸耀, 低 电源 操作, 和
优秀 视频 业绩.
特点
分辨率 8-有点 1/2 lsb (dl)
低 电源 消费 (在 50 msps 典型值)
(参考 电流 已排除). . . . . . . . . . . . . . . .500mw
正在同步 数字 卡箍 功能
卡箍 开关 功能
参考 电压 自偏 电路
输入 cmos/ttl 兼容
三态 ttl 兼容 输出
单独 5V 电源 供应 5V 3.3v 电源 供应品
低 输入 电容. . . . . . . . . . . . . . . . . . . . . . . .15pF
不同的 数字 输出 多路复用 格式
- 4:4:4
- 4:2:2
- 4:1:1
直接 更换 用于 sony cxd2303
应用程序
视频 数字化 (复合材料 和 y-c)
lcd projectors
lcd 面板
rgb 图形 加工
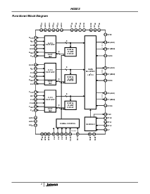
引出线
hi2303 (mqfp)
顶部 查看
订购 信息
零件 号码
温度
范围 (
o
c) 包装 pkg. 否.
HI2303JCQ -40 至 85 80 ld mqfp q80.14x20-s
HI2303EVAL 25 评价 工具包
80
79
78
77
75
73
71
69
68
67
65
66
70
72
74
76
646362616059585756555453525150494847464544434241
2 13456789101112131415161718192021222324
26
27
28
29
30
31
32
34
36
38
40
39
37
35
33
25
A5
a0 (lsb)
A1
A2
A3
A4
A6
a7 (msb)
TGR
设计验证
dd
设计验证
ss
C3
av
dd
c
io
c
入点
av
ss
CTL0
XCOE
XBOE
XAOE
av
dd
av
dd
测试一下
CTL1
av
dd
B
io
B
入点
av
ss
cle
REF3
REF2
REF1
CLP
clk
选择
sy
CTL2
REF0
测试一下
av
ss
设计验证
dd
B
rt
B
RBS
B
rts
一个
rts
一个
rt
av
dd
一个
RBS
一个
RB
av
ss
一个
入点
一个
io
c
RB
c
RBS
av
dd
av
ss
av
ss
设计验证
dd
b0 (lsb)
B1
B2
B3
B5
B4
B6
b7 (msb)
设计验证
ss
设计验证
dd
B
RB
c
rt
c
rts
设计验证
ss
设计验证
ss
c0 (lsb)
C1
C2
C4
C5
C6
c7 (msb)
数据 工作表 12月 1998 文件 号码
4106.2
资料评论区:
点击回复标题作者最后回复时间

标 题:
内 容:
用户名:
手机号:    (*未登录用户需填写手机号,手机号不公开,可用于网站积分.)
      
关于我们 | 联系我们
电    话13410210660             QQ : 84325569   点击这里与集成电路资料查询网联系
联系方式: E-mail:CaiZH01@163.com