>┊
首页 | 最新需求 | 最新现货 | IC库存 | 供应商 | IC英文资料库 | IC中文资料库 | IC价格 | 电路图 | 应用资料 | 技术资料
 IC型号: 
您现在的位置:首页 >  IC英文资料库 进入手机版 
 
资料编号:379317
 
资料名称:HIN202IB
 
文件大小: 586.57K
   
说明
 
介绍:
+5V Powered RS-232 Transmitters/Receivers with 0.1Microfarad External Capacitors
 
 


: 点此下载
 
1
浏览型号HIN202IB的Datasheet PDF文件第2页
2
浏览型号HIN202IB的Datasheet PDF文件第3页
3
浏览型号HIN202IB的Datasheet PDF文件第4页
4
浏览型号HIN202IB的Datasheet PDF文件第5页
5
浏览型号HIN202IB的Datasheet PDF文件第6页
6
浏览型号HIN202IB的Datasheet PDF文件第7页
7
浏览型号HIN202IB的Datasheet PDF文件第8页
8
浏览型号HIN202IB的Datasheet PDF文件第9页
9
 
本平台电子爱好着纯手工中文简译:截至2020/5/17日,支持英文词汇500个
3-1
tm
文件 号码
3980.8
注意事项: 这些 设备 是 敏感 至 静电 放电; 跟着 适当的 集成电路 搬运 程序.
1-888-intersil 或 321-724-7143
|
intersil 和 设计 是 一个 商标 的 intersil 公司.
|
版权
©
intersil 公司 2000
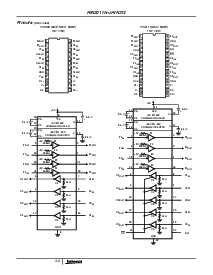
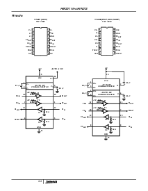
hin201 直通 hin213
+5v 通电 rs-232
变送器/接收器 0.1microfarad
外部 电容器
hin201-hin213 家庭 rs-232 变送器/接收器
接口 电路 满足 全部 ela rs-232e 和 v.28
特定, 和 是 特别是 适合 用于 那些
应用程序 在哪里
±
12v 是 不 可用. 他们 需要 一个
单独 +5v 电源 供应 (除了 hin201) 和 功能
板载 费用 泵 电压 转换器 哪个 生成
+10v 和 -10v 供应品 从 这 5v 供应. 这 hin203
和 hin205 需要 否 外部 电容器 和 是 理想情况下
适合 用于 应用程序 在哪里 电路 板 空间 是 关键.
这 家庭 的 设备 优惠 一个 宽 品种 的 rs-232
变送器/接收器 组合 至 容纳 各种
应用程序 (请参见 选择 表).
这 hin205, hin206, hin211 和 hin213 功能 一个 低
电源 停机 模式 至 保存 能源 入点 蓄电池
通电 应用程序. 入点 加法, 这 hin213 提供 两个
活动 接收器 入点 停机 模式 允许 用于 容易
“wakeup” 能力.
这 驱动程序 功能 真 ttl/cmos 输入 兼容性, 回转
费率-有限 输出, 和 300
断电 来源 阻抗.
这 接收器 可以 手柄 向上 至
±
30v 输入, 和 有 一个 3k
至 7k
输入 阻抗. 这 接收器 也 功能
滞后 至 很大 改善 噪声 拒收.
应用程序
任何 系统 要求 rs-232 通信 港口
- 计算机 - 便携式, mainframe, 笔记本电脑
- 外围设备 - 打印机 和 接线端子
- 仪器仪表
- 调制解调器
特点
满足 全部 rs-232e 和 v.28 特定
hin203 和 hin205 需要 否 外部 电容器
需要 仅 0.1
µ
f 或 更大 外部 电容器
高 数据 费率. . . . . . . . . . . . . . . . . . . . . . . . . . .120kbit/s
两个 接收器 活动 入点 停机 模式 (hin213)
需要 仅 单独 +5v 电源 供应
- (+5v 和 +12v - hin201)
板载 电压 加强肋/逆变器
低 电源 消费 (典型值) . . . . . . . . . . . . . . . . . 5mA
低 电源 停机 功能 (典型值) . . . . . . . . . . . . 1
µ
一个
三态 ttl/cmos 接收器 产出
多个 驱动程序
-
±
10v 输出 秋千 用于 +5v lnput
- 300
断电 来源 阻抗
- 输出 电流 限制
- ttl/cmos 兼容
- 30v/
µ
s 最大值 回转 费率
多个 接收器
-
±
30v 输入 电压 范围
-3k
至 7k
输入 阻抗
- 0.5v 滞后 至 改善 噪声 拒收
选择 表
零件
号码
电源 供应
电压
号码 的
rs-232
驱动程序
号码 的
rs-232
接收器
号码 的
0.1
µ
f
外部
电容器
低 电源
停机/ttl
三态
号码 的
接收器
活动 入点
停机
HIN201 +5v 和 +9v 至 13.2v 2 2 2 电容器 否/否 0
HIN202 +5V 2 2 4 电容器 否/否 0
HIN203 +5V 2 2 否/否 0
HIN205 +5V 5 5 是/是 0
HIN206 +5V 4 3 4 电容器 是/是 0
HIN207 +5V 5 3 4 电容器 否/否 0
HIN208 5V 4 4 4 电容器 否/否 0
HIN211 +5V 4 5 4 电容器 是/是 0
HIN213 +5V 4 5 4 电容器 是/是 2
数据 工作表 将 2000
资料评论区:
点击回复标题作者最后回复时间

标 题:
内 容:
用户名:
手机号:    (*未登录用户需填写手机号,手机号不公开,可用于网站积分.)
      
关于我们 | 联系我们
电    话13410210660             QQ : 84325569   点击这里与集成电路资料查询网联系
联系方式: E-mail:CaiZH01@163.com