>┊
首页 | 最新需求 | 最新现货 | IC库存 | 供应商 | IC英文资料库 | IC中文资料库 | IC价格 | 电路图 | 应用资料 | 技术资料
 IC型号: 
您现在的位置:首页 >  IC英文资料库 进入手机版 
 
资料编号:379540
 
资料名称:HIP5015IS1
 
文件大小: 38.29K
   
说明
 
介绍:
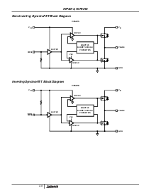
7V, 7A SynchroFET⑩ Complementary Drive Synchronous Half-Bridge
 
 


: 点此下载
 
1
浏览型号HIP5015IS1的Datasheet PDF文件第2页
2
浏览型号HIP5015IS1的Datasheet PDF文件第3页
3
浏览型号HIP5015IS1的Datasheet PDF文件第4页
4
浏览型号HIP5015IS1的Datasheet PDF文件第5页
5
浏览型号HIP5015IS1的Datasheet PDF文件第6页
6
 
本平台电子爱好着纯手工中文简译:截至2020/5/17日,支持英文词汇500个
2-8
文件 号码
4142
hip5015, hip5016
7v, 7a synchrofet™ 互补
驱动器 同步 半桥
设计与 这 pentium® 入点 心灵, 这 intersil synchrofet
家庭 提供 一个 新建 方法 用于 实施 一个
同步 已纠正 降压 开关 调节器. 这
synchrofet™ 替换 两个 电源 dmoss, 一个 肖特基 二极管,
两个 闸门 驱动程序 和 同步 控制 电路. 这
互补 驱动器 电路 圈数 这 上部 场效应晶体管 开启 和 这
下部 场效应晶体管 关 当 这 输入 从 这 pwm 是 高. 当 这
输入 从 这 pwm 去 低 这 上部 场效应晶体管 圈数 关 和 这
下部 场效应晶体管 圈数 开启. 这 hip5016 有 一个
pwm 管脚 那 倒置
这 关系 从 这 输入 至 相位. 这个 体系结构
允许 这 设计师 至 利用 一个 低 成本 单端 pwm
控制器 入点 要么 一个 电流 电压 模式 配置.
SynchroFET 操作 入点 连续 传导 模式 减少
emi 约束条件 和 启用 高 带宽 操作.
几个 特点 确保 容易 开始-向上. 第一, 供应 电流
停留 下面 规格 作为 这 供应 电压 坡道 向上; 否
意外 浪涌 发生 那 可能 perturb 一个 软启动 或
deplete 一个 费用-泵. 第二, 任何 通电 顺序 的
这 v
抄送
, v
入点
, 或 pwm 针脚 可以 是 已使用 无 导致 大型
电流. 第三, 芯片 操作 v
抄送
更大 2V
所以 v
抄送
可以 已创建 一个 费用 通电 v
入点
.
特点
互补 驱动器, 半桥 电源 nmos
使用 与 低成本 单输出 pwm 控制器
改善 Ef 结束 常规 降压 变频器
肖特基 卡箍
最小值 死时间 提供 由 自适应 射穿
保护 消除 外部 肖特基
接地 案例 用于 低 emi 和 简单 散热器
低 操作 电流
频率 超过 1mhz
双 极性 输入 选项
全部 针脚 浪涌 保护
应用程序
5v 至
3.3v 同步 降压 转换器
3.3v 至
2.9v 同步 降压 转换器
pentium 电源 供应品
总线 终端 (btl 和 gtl)
驱动器 5v 电机 直接 从 微处理器
典型 应用程序 块 图表
引出线
hip5015is1, hip5016is1 (sip - 垂直)
顶部 查看
pentium® 是 一个 已注册 商标 的 英特尔 公司.
synchrofet™ 是 一个 商标 的 intersil 公司.
hip5015is, hip5016is (sip - gullwing)
顶部 查看
订购 信息
零件 号码
温度
范围 (
o
c) 包装
pkg.
否.
HIP5015IS -40 至 85 7 ld gullwing sip z7.05b
HIP5015IS1 -40 至 85 7 ld 交错
垂直 sip
z7.05c
HIP5016IS -40 至 85 7 ld gullwing sip z7.05b
HIP5016IS1 -40 至 85 7 ld 交错
垂直 sip
z7.05c
+12V
+3.3v
相位
pwm
v
入点
v
抄送
控制
+5V
HIP5015
pwm
控制器
同步 已纠正 降压 变频器
1 相位
2V
入点
3V
抄送
4
5 pwm (hip5015),
pwm (hip5016)
6NC
7NC
地 (选项卡)
前 行 = 针脚 1,3,5,7
背面 行 = 针脚 2,4,6
1 相位
2V
入点
3V
抄送
4
5 pwm (hip5015),
pwm (hip5016)
6NC
7NC
(选项卡)
数据 工作表 六月 1996
注意事项: 这些 设备 是 敏感 至 静电 放电; 跟着 适当的 集成电路 搬运 程序.
http://www.intersil.com 或 407-727-9207
|
版权
©
intersil 公司 1999
资料评论区:
点击回复标题作者最后回复时间

标 题:
内 容:
用户名:
手机号:    (*未登录用户需填写手机号,手机号不公开,可用于网站积分.)
      
关于我们 | 联系我们
电    话13410210660             QQ : 84325569   点击这里与集成电路资料查询网联系
联系方式: E-mail:CaiZH01@163.com