>┊
首页 | 最新需求 | 最新现货 | IC库存 | 供应商 | IC英文资料库 | IC中文资料库 | IC价格 | 电路图 | 应用资料 | 技术资料
 IC型号: 
您现在的位置:首页 >  IC英文资料库 进入手机版 
 
资料编号:379614
 
资料名称:HIP5062
 
文件大小: 655.86K
   
说明
 
介绍:
Power Control IC Single Chip Dual Switching Power Supply
 
 


: 点此下载
 
1
浏览型号HIP5062的Datasheet PDF文件第2页
2
浏览型号HIP5062的Datasheet PDF文件第3页
3
浏览型号HIP5062的Datasheet PDF文件第4页
4
浏览型号HIP5062的Datasheet PDF文件第5页
5
浏览型号HIP5062的Datasheet PDF文件第6页
6
浏览型号HIP5062的Datasheet PDF文件第7页
7
 
本平台电子爱好着纯手工中文简译:截至2020/5/17日,支持英文词汇500个
1
®
注意事项: 这些 设备 是 敏感 至 静电 放电; 跟着 适当的 集成电路 搬运 程序.
1-888-intersil 或 321-724-7143
|
intersil (和 设计) 是 一个 已注册 商标 的 intersil 美洲 公司
版权 © intersil 美洲 公司 2002. 全部 权利 保留
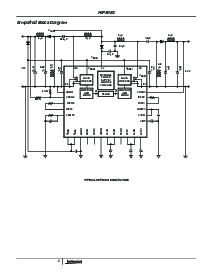
HIP5062
电源 控制 集成电路 单独 芯片 双 开关-
ing 电源 供应
这 hip5062 是 一个 完成 电源 控制 集成电路, 合并
两个 高 电源 dmos 晶体管, cmos 逻辑 和 两个 低
水平 模拟 控制 电路 开启 这 相同 智能 电源
拓扑 是 很容易 已实施 与 这个 单独 控制 集成电路.
特殊 电源 晶体管 电流 感应 电路 是
股份公司 那 最小化 损失 到期 至 这 监测
电路. 此外, 超温 和 过电压
检测 电路 是 股份公司 内 这 集成电路 至 显示器 这
芯片 温度 和 这 实际 电源 供应 输出
电压. 这些 电路 可以 禁用 这 驱动器 至 这 电源
晶体管 至 保护 两者都有 这 晶体管 和, 大多数
重要的是, 这 荷载 从 结束-电压.
作为 一个 结果 的 这 电源 dmos 晶体管’s 电流 和
电压 能力 (5a 和 60v), 多个 输出 电源
供应品 与 合计 输出 电源 能力 向上 至 100w 是
可能.
特点
两个 电流 模式 控制 调节器
两个 60v, 5a 片上 dmos 晶体管
热 保护
过电压 保护
过电流 保护
1mhz 操作 或 外部 时钟
同步 输出
片上 参考 电压 - 5.1v
输出 上升 和 坠落 次 ~ 3ns
设计 用于 26v 至 42v 操作
应用程序
单独 芯片 电源 供应品
电流 模式 pwm 应用程序
分布式 电源 供应品
多个 输出 转换器
芯片
订购 信息
零件 号码
温度
范围 包装
HIP5062DY 0
o
c 至 +85
o
c40 衬垫 芯片
HIP5062DW 0
o
c 至 +85
o
c 晶圆
175 密耳 x 175 密耳 (4.44mm x 4.44mm)
v+ (40)
tmon (39)
irfi2 (38)
irfo2 (37)
vinp (36)
agnd (35)
dgnd (34)
xcks (33)
ckin (32)
irfi1 (31)
irfo1 (30)
vcmp1 (29)
vtcn (28)
(8) v
DDP2
(9) vcmp2
(10) psok
(11) vreg2
(12) fltn
(13) psen
(14) shrt
(15) slrn
(16) sfst
(17) v
ddd
(18) v
DDA
(19) vreg1
(20) v
DDP1
(1) s2
(2) d2
(3) d2
(4) s2
(5) d2
(7) s2
(6) d2
s1 (27)
d1 (26)
d1 (25)
s1 (24)
d1 (23)
d1 (22)
s1 (21)
8月 1998 文件 号码 3208.2
o
B
s
o
l
e?
t
e?
p
o
d
U
c
t
n
o
e?
c
o
m
m
e?
n
d
e?
d
e?
p
l
一个
c
e?
m
e?
n
t
资料评论区:
点击回复标题作者最后回复时间

标 题:
内 容:
用户名:
手机号:    (*未登录用户需填写手机号,手机号不公开,可用于网站积分.)
      
关于我们 | 联系我们
电    话13410210660             QQ : 84325569   点击这里与集成电路资料查询网联系
联系方式: E-mail:CaiZH01@163.com