>┊
首页 | 最新需求 | 最新现货 | IC库存 | 供应商 | IC英文资料库 | IC中文资料库 | IC价格 | 电路图 | 应用资料 | 技术资料
 IC型号: 
您现在的位置:首页 >  IC英文资料库 进入手机版 
 
资料编号:387091
 
资料名称:HSP50214VI
 
文件大小: 395.75K
   
说明
 
介绍:
Programmable Downconverter
 
 


: 点此下载
 
1
浏览型号HSP50214VI的Datasheet PDF文件第2页
2
浏览型号HSP50214VI的Datasheet PDF文件第3页
3
浏览型号HSP50214VI的Datasheet PDF文件第4页
4
浏览型号HSP50214VI的Datasheet PDF文件第5页
5
浏览型号HSP50214VI的Datasheet PDF文件第6页
6
浏览型号HSP50214VI的Datasheet PDF文件第7页
7
浏览型号HSP50214VI的Datasheet PDF文件第8页
8
浏览型号HSP50214VI的Datasheet PDF文件第9页
9
 
本平台电子爱好着纯手工中文简译:截至2020/5/17日,支持英文词汇500个
1
[ /标题
(hsp5
0214)
/sub-
项目
(专业版-
克-
mable
向下-
con-
verter)
/autho
右 ()
/钥匙-
字词
(国际米兰-
sil
semi-
con-
喷射器,
向下-
con-
verter,
向下
con-
verter,
专业版-
克-
mable
向下-
con-
verter,
dsp,
安培数,
TDMA
,
ameri-
可以
二月 2000
HSP50214
可编程 下变频器
特点
向上 至 52 msps 前端 加工 费率 (clkin)
和 35 msps 后端 加工 费率 (procclk)
时钟 将 是 异步
加工 有能力 的 >100db sfdr8-
向上 至 255-轻敲 可编程 fir
总体 抽取 因素 测距 从 4 至 16384
输出 样品 费率 至
8.2 msp8-s 与 输出
带宽 至
625khz 低通
32-有点 可编程 nco 用于 频道 选择 和
承运人 间距
数字 re-取样 过滤器 用于 符号 间距 循环
和 incommensurate 样品-至-输出 时钟 比率
数字 agc 与 可编程 限制 和 sle8- 费率
至 优化 输出 信号 分辨率; 固定 或 自动
增益 调整
串行, 平行, 和 先进先出 16-有点 输出 模式
cartesian 至 极地 变频器 和 频率 discrimi-
nator 用于 afc 循环 和 解调 的 上午, 调频,
fsk, 和 dpsk
输入 水平 检测器 用于 外部 我.f. agc 支持
应用程序
单独 频道 数字 软件 收音机 接收器
底座 车站 rx’s: 安培数, 不适用 tdma, gsm, 和 cdma
兼容 与 hsp50210 数字 costas 回路 用于
psk 接待处
评价 站台 可用
描述
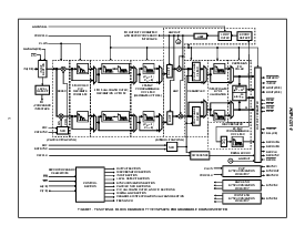
这 hsp50214 可编程 下变频器 转换
数字化 如果 数据 进入 filtered 基带 数据 哪个 可以 是
已处理 由 一个 标准 dsp 微处理器. 这
可编程 下变频器 (pdc) 执行 向下
换算, 抽取, 窄带 低 通过 filtering, 增益
缩放比例, re-取样, 和 cartesian 至 极地 坐标
换算.
这 14-有点 抽样 如果 输入 是 向下 已转换 至 基带
由 数字 搅拌机 和 一个 正交 nco, 作为 显示 入点 这
块 图表. 一个 抽取 (4 至 32) fifth 订单 级联
之前 它 是 已处理 由 向上 至 5 抽取-由-2 halfband fil-
ters. 这 halfband filters 是 跟踪 由 一个 255-轻敲 程序-
mable fir filter. 这 输出 数据 从 这 可编程 fir
filter 是 缩放 由 一个 数字 agc 之前 正在 re-抽样 入点 一个
多相 fir filter. 这 输出 截面 可以 提供 七
类型 的 数据: cartesian (我, q), 极地 (右,
θ
), filtered 频率
(d
θ/
dt), 计时 错误 (te), 和 agc 水平 入点 要么 平行 或
串行 格式.
块 图表
订购 信息
零件
号码
温度
范围 (
o
c) 包装 pkg. 否.
HSP50214VC 0 至 70 120 ld mqfp q120.28x28
HSP50214VI -40 至 85 120 ld mqfp q120.28x28
HALFBAND
多相
fir 和
过滤器
输入
截面
水平 检测
承运人
5
th
CARTESIAN
输出 formatter
鉴别器
agc 回路 过滤器
mag.
相位
re-取样
我 符号
q 符号
频率
AGC
计时 错误
入点(13:0)
REFCLK
SEROUTA
SEROUTB
aout(15:0)
布点(15:0)
控制
c(7:0)
微处理器
阅读/写
增益
(2:0)
HALFBAND
过滤器
过滤器
CIC
订单
HALFBAND
过滤器
极地
坐标
变频器
HALFBAND
多相
fir 和
过滤器
NCO
NCO
COF
SOF
adj
CLKIN
PROCCLK
255-轻敲
fir 过滤器
255-轻敲
fir 过滤器
5
th
过滤器
CIC
订单
文件 号码
4266.3
注意事项: 这些 设备 是 敏感 至 静电 放电; 跟着 适当的 集成电路 搬运 程序.
1-888-intersil 或 321-724-7143
|
版权
©
intersil 公司 2000
废弃的 公共关系
导管
可能 代用品 产品
HSP50214B
资料评论区:
点击回复标题作者最后回复时间

标 题:
内 容:
用户名:
手机号:    (*未登录用户需填写手机号,手机号不公开,可用于网站积分.)
      
关于我们 | 联系我们
电    话13410210660             QQ : 84325569   点击这里与集成电路资料查询网联系
联系方式: E-mail:CaiZH01@163.com