>┊
首页 | 最新需求 | 最新现货 | IC库存 | 供应商 | IC英文资料库 | IC中文资料库 | IC价格 | 电路图 | 应用资料 | 技术资料
 IC型号: 
您现在的位置:首页 >  IC英文资料库 进入手机版 
 
资料编号:392841
 
资料名称:AT24C08A-10SI-1.8
 
文件大小: 182.16K
   
说明
 
介绍:
2-Wire Serial EEPROM
 
 


: 点此下载
 
1
浏览型号AT24C08A-10SI-1.8的Datasheet PDF文件第2页
2
浏览型号AT24C08A-10SI-1.8的Datasheet PDF文件第3页
3
浏览型号AT24C08A-10SI-1.8的Datasheet PDF文件第4页
4
浏览型号AT24C08A-10SI-1.8的Datasheet PDF文件第5页
5
浏览型号AT24C08A-10SI-1.8的Datasheet PDF文件第6页
6
浏览型号AT24C08A-10SI-1.8的Datasheet PDF文件第7页
7
浏览型号AT24C08A-10SI-1.8的Datasheet PDF文件第8页
8
浏览型号AT24C08A-10SI-1.8的Datasheet PDF文件第9页
9
 
本平台电子爱好着纯手工中文简译:截至2020/5/17日,支持英文词汇500个
1
特点
写 保护 管脚 用于 硬件 数据 保护
利用 不同的 阵列 保护 比较 至 这 at24c02/04/08
低 电压 和 标准 电压 操作
5.0 (v
抄送
= 4.5v 至 5.5v)
2.7 (v
抄送
= 2.7v 至 5.5v)
2.5 (v
抄送
= 2.5v 至 5.5v)
1.8 (v
抄送
= 1.8v 至 5.5v)
内部 有组织的 256 x 8 (2k), 512 x 8 (4k) 或 1024 x 8 (8k)
2-电线 串行 接口
施密特 触发器, 已过滤 输入 用于 噪声 supperssion
双向 数据 转让 协议
100 khz (1.8v, 2.5v, 2.7v) 和 400 khz (5v) 兼容性
8-字节 第页 (2k), 16-字节 第页 (4k, 8k) 写 模式
部分 第页 写入 是 允许
自定时 写 循环 (10 ms 最大值)
高 可靠性
耐力: 1 百万 写 循环次数
数据 保留: 100 年
esd 保护: >3000v
汽车 等级 和 扩展 温度 设备 可用
8-管脚 和 14-管脚 电子元件工业联合会 soic, 8-管脚 pdip, 和 8-pin tssop 软件包
描述
这 at24c02a/04a/08a 提供 2048/4096/8192 比特 的 串行 电气 可擦除
和 可编程 阅读 仅 记忆 (可擦可编程只读存储器) 有组织的 作为 256/512/1024 字词
的 8 比特 每个. 这 设备 是 优化 用于 使用 入点 许多 工业 和 商业
应用程序 在哪里 低 电源 和 低 电压 操作 是 必不可少的. 这
at24c02a/04a/08a 是 可用 入点 空间 正在保存 8-管脚 pdip, 8-管脚, 14-pin soic, 和
8-管脚 tssop 软件包 和 是 已访问 通过 一个 2-电线 串行 接口. 入点 加法, 这
整个 家庭 是 可用 入点 5.0v (4.5v 至 5.5v), 2.7v (2.7v 至 5.5v), 2.5v (2.5v 至
5.5v) 和 1.8v (1.8v 至 5.5v) versions.
2-电线 串行
可擦可编程只读存储器
2k (256 x 8)
4k (512 x 8)
rev. 0976b–07/98
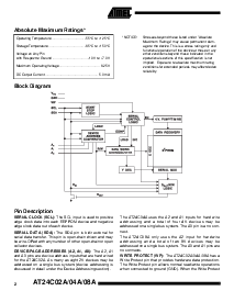
管脚 配置
管脚 姓名 功能
一个
0
至 一个
2
地址 输入
SDA 串行 数据
scl 串行 时钟 输入
WP 写 保护
nc 否 连接
14-管脚 soic
8-管脚 pdip
8-管脚 soic
at24c02a/04a/
08A
8-管脚 tssop
资料评论区:
点击回复标题作者最后回复时间

标 题:
内 容:
用户名:
手机号:    (*未登录用户需填写手机号,手机号不公开,可用于网站积分.)
      
关于我们 | 联系我们
电    话13410210660             QQ : 84325569   点击这里与集成电路资料查询网联系
联系方式: E-mail:CaiZH01@163.com