>┊
首页 | 最新需求 | 最新现货 | IC库存 | 供应商 | IC英文资料库 | IC中文资料库 | IC价格 | 电路图 | 应用资料 | 技术资料
 IC型号: 
您现在的位置:首页 >  IC英文资料库 进入手机版 
 
资料编号:410159
 
资料名称:ISP1761BE
 
文件大小: 724.7K
   
说明
 
介绍:
Hi-Speed Universal Serial Bus On-The-Go controller
 
 


: 点此下载
 
1
浏览型号ISP1761BE的Datasheet PDF文件第2页
2
浏览型号ISP1761BE的Datasheet PDF文件第3页
3
浏览型号ISP1761BE的Datasheet PDF文件第4页
4
浏览型号ISP1761BE的Datasheet PDF文件第5页
5
浏览型号ISP1761BE的Datasheet PDF文件第6页
6
浏览型号ISP1761BE的Datasheet PDF文件第7页
7
浏览型号ISP1761BE的Datasheet PDF文件第8页
8
浏览型号ISP1761BE的Datasheet PDF文件第9页
9
 
本平台电子爱好着纯手工中文简译:截至2020/5/17日,支持英文词汇500个
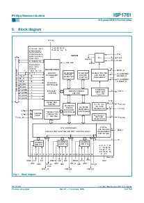
1. 概述 描述
这 isp1761 是 一个 单芯片 嗨-速度 通用 串行 总线 (usb) 开启-这-走 (otg)
控制器 综合 与 这 高级 飞利浦 奴隶 主机 控制器 和 这 飞利浦
isp1582 外围设备 控制器.
这 嗨-速度 usb 主机 控制器 和 外围设备 控制器 遵守 至
通用 串行
总线 Speci rev. 2.0
和 支持 数据 转让 速度 的 向上 至 480 mbit/s. 这
增强型 主机 控制器 接口 (ehci) 核心 已实施 入点 这 主机 控制器 是
已适应 从
增强型 主机 控制器 接口 Speci 用于 通用 串行 总线
rev. 1.0
. 这 otg 控制器 是 符合 与
开启-这-走 补充 至 这 usb
Speci rev. 1.0a
.
ISP1761 三个 USB 端口. 港口 1 可以 确认 功能 作为 一个 下游
港口, 一个 上游 港口 或 一个 otg 港口; 端口 2 和 3 是 总是 确认 作为
下游 端口. 这 otg 港口 可以 开关 其 角色 从 主机 至 外围设备, 和
外围设备 至 主机. 这 otg 港口 可以 成为 一个 主机 通过 这 主机 谈判
协议 (hnp) 作为 specified 入点 这 otg 补充.
2. 特点
符合
通用 串行 总线 Speci rev. 2.0
; 支撑 数据 转让
高速 (480 mbit/s), 全速 (12 mbit/s) 和 低速 (1.5 mbit/s)
综合 交易记录 翻译器 (tt) 用于 原件 usb (已满-速度 和 低-速度)
外围设备 支持
三个 usb 端口 那 支持 三个 运营 模式:
模式 1: 港口 1 是 一个 otg 控制器 港口, 和 端口 2 和 3 是 主机 控制器
端口
模式 2: 端口 1, 2 和 3 是 主机 控制器 端口
模式 3: 港口 1 一个 外围设备 控制器 港口, 端口 2 3 主机 控制器
端口
支架 otg 主机 谈判 协议 (hnp) 和 会话 请求 协议 (srp)
多任务处理 支持 与 虚拟 分段 功能 (向上 至 四 银行)
高速 记忆 控制器 (变量 延迟 和 sram 外部 接口)
直接 可寻址 记忆 体系结构
通用 处理器 接口 至 大多数 cpus, 这样的 作为: hitachi
®
sh-3 和 sh-4, 飞利浦
xa, 英特尔
®
StrongARM
®
, nec
®
和 toshiba
®
mips, 摩托罗拉
®
dragonball™ 和
PowerPC
®
减少 说明书 设置 计算机 (risc) 处理器
configurable 32-有点 和 16-有点 外部 记忆 数据 总线
支架 编程 我/o (pio) 和 直接 记忆 访问权限 (dma)
奴隶 dma 实施 开启 cpu 接口 用于 减少 这 主机 系统’s cpu 荷载
ISP1761
嗨-速度 通用 串行 总线 开启-这-走 控制器
rev. 01 — 12 january 2005 产品 数据 工作表
资料评论区:
点击回复标题作者最后回复时间

标 题:
内 容:
用户名:
手机号:    (*未登录用户需填写手机号,手机号不公开,可用于网站积分.)
      
关于我们 | 联系我们
电    话13410210660             QQ : 84325569   点击这里与集成电路资料查询网联系
联系方式: E-mail:CaiZH01@163.com