>┊
首页 | 最新需求 | 最新现货 | IC库存 | 供应商 | IC英文资料库 | IC中文资料库 | IC价格 | 电路图 | 应用资料 | 技术资料
 IC型号: 
您现在的位置:首页 >  IC英文资料库 进入手机版 
 
资料编号:410164
 
资料名称:ISP1583BS
 
文件大小: 420.8K
   
说明
 
介绍:
Hi-Speed Universal Serial Bus peripheral controller
 
 


: 点此下载
 
1
浏览型号ISP1583BS的Datasheet PDF文件第2页
2
浏览型号ISP1583BS的Datasheet PDF文件第3页
3
浏览型号ISP1583BS的Datasheet PDF文件第4页
4
浏览型号ISP1583BS的Datasheet PDF文件第5页
5
浏览型号ISP1583BS的Datasheet PDF文件第6页
6
浏览型号ISP1583BS的Datasheet PDF文件第7页
7
浏览型号ISP1583BS的Datasheet PDF文件第8页
8
浏览型号ISP1583BS的Datasheet PDF文件第9页
9
 
本平台电子爱好着纯手工中文简译:截至2020/5/17日,支持英文词汇500个
ISP1583
嗨-速度 通用 串行 总线 外围设备 控制器
rev. 03 — 12 july 2004 产品 数据
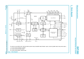
1. 概述 描述
isp1583 是 一个 成本优化 和 功能-优化 嗨-速度 通用 串行
总线 (usb) 外围设备 控制器. 它 完全 符合 与
通用 串行 总线
Speci rev. 2.0
, 支撑 数据 转让 在 高速 (480 mbit/s) 和
全速 (12 mbit/s).
isp1583 提供 高速 usb 通信 容量 至 系统 基于
开启 微控制器 或 微处理器. 它 通信 与 一个 微控制器 或
微处理器 的 一个 系统 通过 一个 高速 通用 平行 接口.
isp1583 支架 自动 检测 的 嗨-速度 usb 系统 操作.
原件 USB 坠落-背面 模式 允许 设备 保持 运营 全速
条件. 它 是 设计 作为 一个 通用 usb 外围设备 控制器 所以 那 它 可以 fit 进入
全部 现有 设备 类, 这样的 作为 成像 类, 质量 存储 设备,
通信 设备, 印刷 设备 和 人类 接口 设备.
ISP1583 一个 低电压 设备, 哪个 支架 我/o 衬垫 电压 1.65 v
3.6 v.
这 内部 通用 直接 记忆 访问权限 (dma) 块 允许 容易 集成 进入
数据 流媒体 应用程序. 入点 加法, 这 各种 配置 的 这 dma 块
是 量身定制 用于 质量 存储 应用程序.
这 模块化 方法 至 实施 一个 usb 外围设备 控制器 允许 这
设计师 选择 最佳 系统 微控制器 品种 可用.
这 能力 至 reuse 现有 体系结构 和 firmware investments 缩短 这
发展 时间, 消除 风险 和 减少 成本. 这 结果 是 快 和 efficient
发展 的 这 大多数 成本效益 usb 外围设备 解决方案.
isp1583 是 理想情况下 适合 用于 许多 类型 的 外围设备, 这样的 作为: 打印机;
扫描仪; magneto-光学, 紧凑型 圆盘, 数字 视频 圆盘 和 zip
®
驱动器; 数字
仍然 摄像头; usb-至-以太网 链接; 电缆 和 dsl 调制解调器. 这 低 电源
消费 期间 挂起 模式 允许 容易 设计 设备 符合
至 这 acpi™, onnow™ 和 usb 电源 管理 要求.
isp1583 也 包含 特点 这样的 作为 softconnect™, 一个 减少
频率 水晶 振荡器, 综合 终止 电阻. 这些 特点 允许
Signi 成本 储蓄 入点 系统 设计 容易 实施 高级 USB
功能 进入 pc 外围设备.
资料评论区:
点击回复标题作者最后回复时间

标 题:
内 容:
用户名:
手机号:    (*未登录用户需填写手机号,手机号不公开,可用于网站积分.)
      
关于我们 | 联系我们
电    话13410210660             QQ : 84325569   点击这里与集成电路资料查询网联系
联系方式: E-mail:CaiZH01@163.com